Toggle navigation
首页
博客
下载
AI
科技
互联网
会员
中心
会员中心
发布资讯
发布博文
发布资源
首页
文章中心
数字电路
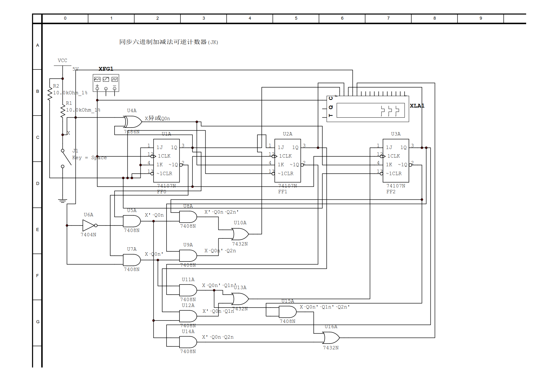
同步六进制加减法可逆计数器(JK)
200 阅读
0 评论
132 点赞
我是
靠谱客
的博主
洁净大树
,这篇文章主要介绍
同步六进制加减法可逆计数器(JK)
,现在分享给大家,希望可以做个参考。
最后
以上就是
洁净大树
最近收集整理的关于
同步六进制加减法可逆计数器(JK)
的全部内容,更多相关
同步六进制加减法可逆计数器(JK)
内容请搜索靠谱客的其他文章。
本图文内容来源于网友提供,作为学习参考使用,或来自网络收集整理,版权属于原作者所有。
点赞(
132
)
本文分类:
数字电路
浏览次数:
200
次浏览
发布日期:2023-05-14 01:42:01
本文链接:
https://www.kaopuke.com/article/k-p-k_14_ujo_2_f0_14__7__6_z.html
相关文章
jk触发器改为四进制_3位同步二进制加法计数器加法减法的实现
python的most_common()函数
江苏大学 数字逻辑电路设计/数字电路 期末/考研 复习题一、填空题(1*15分)二、选择题(2*5分)三、化简(2*8分)四、计数器(2*8分)五、组合逻辑(5*4分)六、时序逻辑(15分)七、VHDL(8分)
jk触发器改为四进制_异步计数器 || 计数器的分类 ||异步二进制十进制|| 74290 8421 5421 || 数电...
同步六进制加减法可逆计数器(JK)
同步十六进制加法计数器(JK)
SCAU华南农业大学-数电实验-七进制同步加法计数器-实验报告
jk触发器改为四进制_《数字电子技术》Idea-触发器
评论列表
共有
0
条评论
发表评论
取消回复
登录
注册新账号
立即
投稿
返回
顶部
发表评论 取消回复