我是靠谱客的博主 激情玫瑰,这篇文章主要介绍jk触发器改为四进制_异步计数器 || 计数器的分类 ||异步二进制十进制|| 74290 8421 5421 || 数电...,现在分享给大家,希望可以做个参考。

异步计数器 || 计数器的分类 || 异步 二进制 十进制 || 74290 || 数电

这一节介绍异步二进制计数器。

计数器功能:

  • 计数器是对输入脉冲个数进行计数的时序电路。
  • 计数器除了直接用于计数外,还可以用于实现定时器、分频器、程序控制器、信号发生器等时序电路,是数字系统中重要的功能部件。

计数器分类:

按计数器时钟控制方式分类

  • 同步计数器
  • 异步计数器

按计数器状态数分类

  • n位二进制计数器
  • 十进制计数器
  • 任意进制计数器

1.异步二进制计数器

下图图示电路中,每个JK触发器接为了T‘触发器,工作在状态翻转模式,每当时钟脉冲由1变为0,计时器输出便翻转一次。

5ae1749087707403a9ccb840aaaf6e77.png

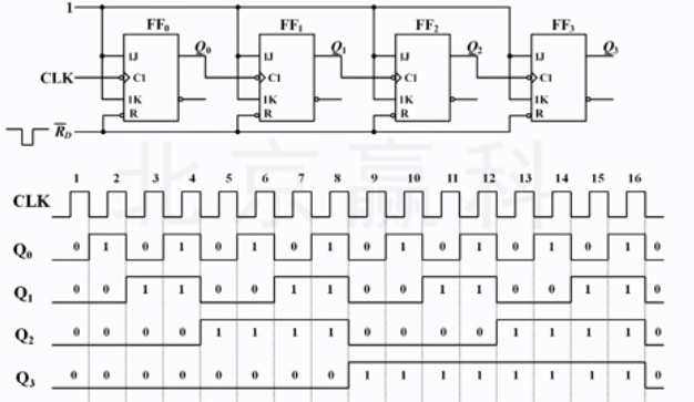
下面结合时序图来分析异步二进制计数器的工作过程。

ff35687582b5828f1964052858ad0684.png

由于时钟脉冲信号CLK只加到了触发器FF0的时钟输入端,因此,每个时钟脉冲到来时,FF0总是进行状态反转。

而触发器FF1、FF2、FF3能否进行状态翻转,取决于前一级触发器的状态输出有没有提供下降沿。

经过上面两段话的说明,再看上面的时序图,其实就不难理解了。

以上就是一个异步二进制计数器。

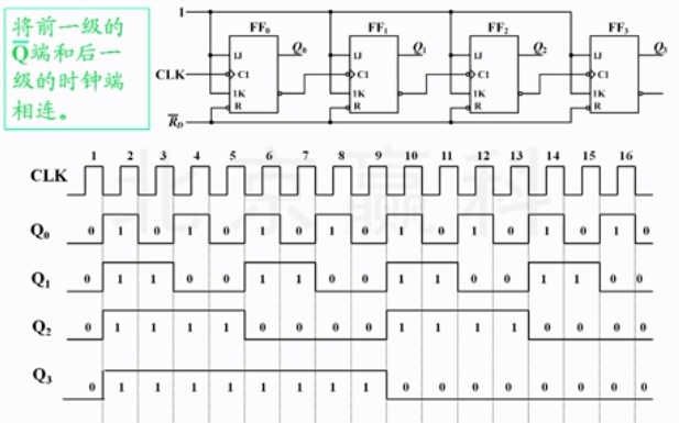
现在我们对电路图做一点改动,把前一级触发器的(Q非)连到后一级触发器的时钟输入端,电路图如下图所示。下面的分析与前面的分析十分类似,这里不再赘述。

fd2b2c7bf4f659aa175409ff9bc7f61f.png

异步二进制计数器的特点如下图:

e14110e7f0020a79ee9a58df07508684.png

异步二进制计数器结束,做个题目休息一下,

46fe800ddb564ae67974fbcf16eaf4e3.png

2.异步十进制计数器

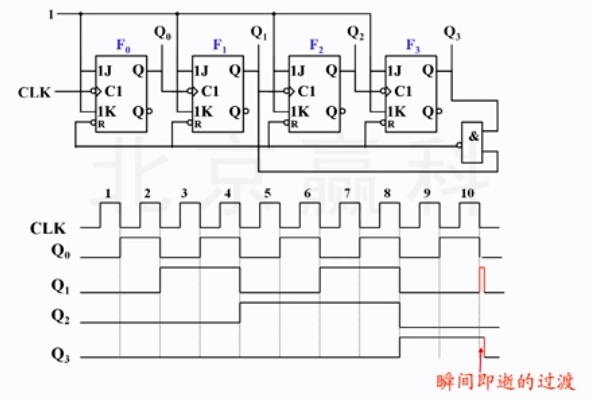
下图利用了JK触发器的Reset复位端,当计数完1001(9),计数到1010(10)时,恰好满足复位条件,将各触发器复位到0000,实现了异步十进制计数器的功能。

但是有一个弊端,如下图红色部位所示。

36da987d977da8f05d98c9e21d8275e2.png

453b00146a8a6b2a2367e2a406b0810f.png

c35e1567bc1b713bef4d588ca537369b.png

3.异步集成电路计数器

前面学习了异步计数器的构成,但实际使用的异步计数器一般不需要我们用单个触发器来构成,因为有专门的异步计数器继承电路芯片可供选用。如下图,

76b10545f5a6658572e6023c6f150e61.png

下面以74290为例,介绍集成异步计数器的使用。

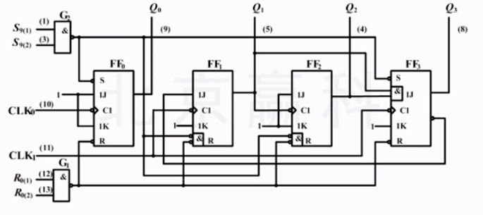
如下图所示为74290的逻辑图,

触发器FF0构成T'触发器,也即1位二进制计数器,CLK0为它的时钟输入端;

触发器FF1、FF2、FF3构成异步五进制计数器,时钟输入为CLK1;

因此74290包含两个独立的计数器,

一个是1位二进制计数器,状态为Q0;

另一个是五进制计数器,状态为Q3、Q2、Q1。

R0(1)和R0(2)两个输入端通过与非门产生复位信号;

S9(1)和S9(2)两个输入端通过与非门产生置9信号。

86acb62a13c08d7e21bb7bfa6e80d083.png

下图是74290的逻辑符号,下面我们来看一下74290的工作模式。

  1. 异步清零模式:当R0(1)和R0(2)均为高电平1,且S9(1)和S9(2)中至少有一个为低电平0时,计数器清零,即Q3Q2Q1Q0变为0000.
  2. 异步置9模式:当S9(1)和S9(2)均为高电平1,且R0(1)和R0(2)中至少有一个为低电平0时,计数器置9,即Q3Q2Q1Q0变为1001.
  3. 计数模式:当R0(1)和R0(2)中至少有一个为低电平0,且S9(1)和S9(2)中至少有一个为低电平0时,模2和模5两个计数器可以在各自的时钟脉冲作用下正常计数。

f95014340f151ed42e799d1d4dece775.png

下面介绍如何用74290构成模10计数器。

第一种方法如下,构成8421BCD码计数器;

94b2251f8273e0f0195ec68e417a7c76.png

第二种方法如下,构成5421BCD码计数器;

0465c2293d6816c2b0eb4581de6efb9c.png

以上就是异步计数器的内容。

丢题目,

91094e2e67dcaf15f166f3893af4baa3.png

视频:MOOC-数字逻辑电路-第八单元 时序逻辑功能-异步计数器

最后

以上就是激情玫瑰最近收集整理的关于jk触发器改为四进制_异步计数器 || 计数器的分类 ||异步二进制十进制|| 74290 8421 5421 || 数电...的全部内容,更多相关jk触发器改为四进制_异步计数器内容请搜索靠谱客的其他文章。

本图文内容来源于网友提供,作为学习参考使用,或来自网络收集整理,版权属于原作者所有。
点赞(162)

评论列表共有 0 条评论

立即
投稿
返回
顶部