常见的CMOS Image Sensor(CIS)接口有DVP和MIPI,除此之外,还有Sony定义的用于传输高帧率高分辨率图像的slvs-ec接口、sub-lvds接口等,本文就简单讲解一下DVP接口。
DVP(Digital Video Port)是并口传输,数据位宽有8bit、10bit、12bit等,是非差分信号,最高速率要比串行传输的MIPI接口低,高像素的sensor使用DVP就会比较勉强。
DVP接口的主要信号如下所示:
PCLK:pixel clock ,像素时钟,每个时钟对应一个像素数据,一般为几十MHz;
HSYNC:horizonal synchronization,行同步信号,一般为几十KHz;
VSYNC:vertical synchronization,帧同步信号,一般为几十Hz,与帧率FPS相同;
DATA:像素数据;
MCLK:外部晶振或主控输出给sensor的驱动时钟,典型值是24MHz;
SCL,SDA:用来配置sensor寄存器的IIC接口。
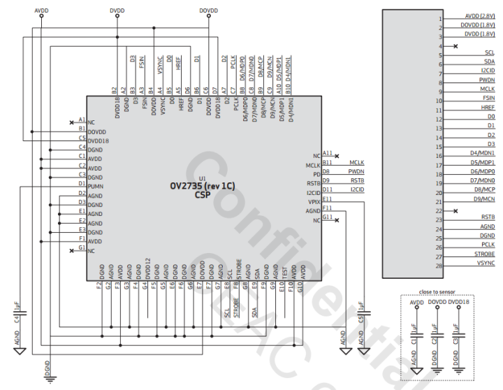
DVP接口的原理图参考接法如图1所示。

图1
Sensor电源有3个,AVDD(模拟电源)、DOVDD(数字IO电源)、DVDD18(数字内核电源),OV2735的电源如图2所示,并注意上电时序,一般先后顺序依次是AVDD、DOVDD、DVDD18,或者至少三者同步上电,而不能是反过来的顺序,如图3所示。掉电时序则相反,如图4所示。
需要注意的是,sensor的电源稳定性非常重要,电源有问题的话,图像就可能出现各种奇奇怪怪的现象。sensor的3路电源最好分开单独供电,比如DOVDD和DVDD都是1.8V,不要混用一路,比如图1中所示的数字内核电流IDD-D典型值为40mA,混用在一起的话,极有可能影响IO口电源的稳定性,从而导致sensor工作异常。一个摄像头项目中使用的sensor电源如图5所示。

图2

图3

图4

图5
在PCB Layout方面需要重点考虑的就是上述的时钟信号和同步信号,PCLK时钟频率较高,注意防止对其他敏感信号的干扰;HSYNC和VSYNC信号尤其重要,需要注意远离高速时钟线,以免受到干扰,最好加GND shielding。如果同步信号受到影响,图像则很有可能会出现条纹或者闪动等各种问题。
最后
以上就是壮观铅笔最近收集整理的关于CMOS Image Sensor的DVP接口硬件设计的全部内容,更多相关CMOS内容请搜索靠谱客的其他文章。
发表评论 取消回复