我是靠谱客的博主 友好乌冬面,这篇文章主要介绍lvds接口_CMOS Image Sensor的DVP接口硬件设计,现在分享给大家,希望可以做个参考。

a08c32b421d7af624916f27f68aec9c2.png

微信公众号:硬核电子——一个只分享技术原创文的公众号。


常见的CMOS Image Sensor(CIS)接口有DVP和MIPI,除此之外,还有Sony定义的用于传输高帧率高分辨率图像的slvs-ec接口、sub-lvds接口等,本文就简单讲解一下DVP接口。

DVP(Digital Video Port)是并口传输,数据位宽有8bit、10bit、12bit等,是非差分信号,最高速率要比串行传输的MIPI接口低,高像素的sensor使用DVP就会比较勉强。DVP接口的主要信号如下所示:

PCLK:pixel clock ,像素时钟,每个时钟对应一个像素数据,一般为几十MHz;

HSYNC:horizonal synchronization,行同步信号,一般为几十KHz;

VSYNC:vertical synchronization,帧同步信号,一般为几十Hz,与帧率FPS相同;

DATA:像素数据;

MCLK:外部晶振或主控输出给sensor的驱动时钟,典型值是24MHz;

SCL,SDA:用来配置sensor寄存器的IIC接口。

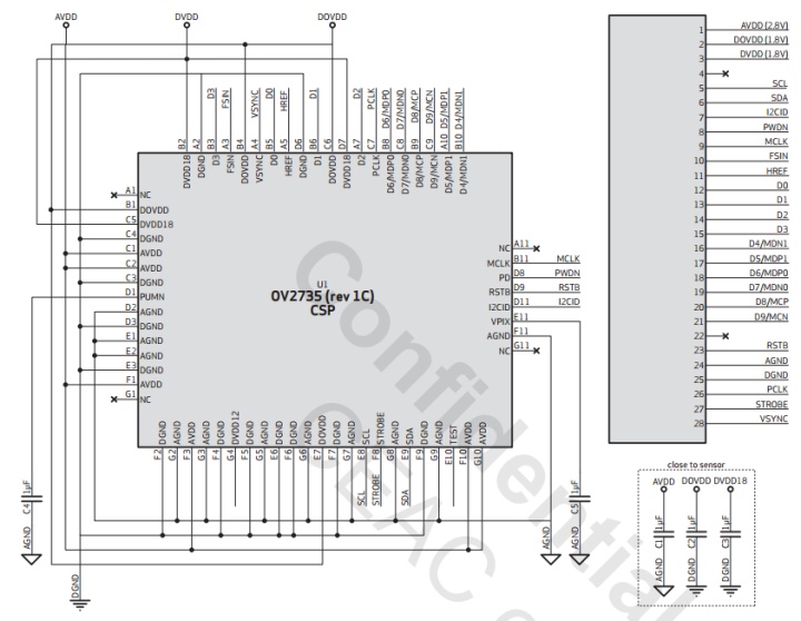
DVP接口的原理图参考接法如图1所示。

0827e74d68ff37cdcd76476c3e5e684b.png
图1

Sensor电源有3个,AVDD(模拟电源)、DOVDD(数字IO电源)、DVDD18(数字内核电源),OV2735的电源如图2所示,并注意上电时序,一般先后顺序依次是AVDD、DOVDD、DVDD18,或者至少三者同步上电,而不能是反过来的顺序,如图3所示。掉电时序则相反,如图4所示。

需要注意的是,sensor的电源稳定性非常重要,电源有问题的话,图像就可能出现各种奇奇怪怪的现象。sensor的3路电源最好分开单独供电,比如DOVDD和DVDD都是1.8V,不要混用一路,比如图1中所示的数字内核电流IDD-D典型值为40mA,混用在一起的话,极有可能影响IO口电源的稳定性,从而导致sensor工作异常。一个摄像头项目中使用的sensor电源如图5所示。

d586c8ff73d2360b7d55b527f8a4ec74.png
图2

c9864a4cda26d8373c45492291add90c.png
图3

cd49b7dbf6eed9e60390a5019fcc7bd1.png
图4

1b73700972e20dff7fc704906d12d02b.png
图5

在PCB Layout方面需要重点考虑的就是上述的时钟信号和同步信号,PCLK时钟频率较高,注意防止对其他敏感信号的干扰;HSYNC和VSYNC信号尤其重要,需要注意远离高速时钟线,以免受到干扰,最好加GND shielding。如果同步信号受到影响,图像则很有可能会出现条纹或者闪动等各种问题。

推荐文章:

电子小白菜:电池充电芯片的动态电源路径管理​zhuanlan.zhihu.com
6b9bd11e01adf98e556a78c71a4c73f8.png
电子小白菜:电池应用中的电流采样电阻设计​zhuanlan.zhihu.com
5fbad71bd7e7853f3c204b713ec0f5cf.png
电子小白菜:锂离子电池电量计原理概述​zhuanlan.zhihu.com
28b1ba56b1acf5c82519bb633519d39a.png
电子小白菜:反激电源变压器设计篇之详细设计步骤​zhuanlan.zhihu.com
bf391207e36cb4b90917d69bb03b9d9f.png
电子小白菜:反激电源变压器设计篇之基础原理​zhuanlan.zhihu.com
11567cb0c03da5a73e626757d2c26dc1.png
电子小白菜:【干货分享】轻松弄懂开关电源TL431环路补偿传递函数推导​zhuanlan.zhihu.com
6f123058fa96dd77e0cb01b11532ef96.png
电子小白菜:【干货分享】开关电源环路补偿设计步骤讲解​zhuanlan.zhihu.com
2a9335af73e645f8dc08aa5508b348f3.png
网页链接​mp.weixin.qq.com
0b8025601356b20d67ae83aa20b96343.png
一文弄懂MOS管的导通过程和损耗分析​mp.weixin.qq.com
98431a96c41932b88adcc25577199e37.png
电子小白菜:RC Snubber吸收电路设计之RLC振荡原理详解(保证轻松看懂)​zhuanlan.zhihu.com
三极管开关电路设计​mp.weixin.qq.com
8fa83ca53529f44d0d6ce589c5b9238f.png
电源系列之BUCK电感工作模式​mp.weixin.qq.com
244db39829c99b7429038fd2f35192ce.png
电源系列之BUCK在轻载下的工作模式​mp.weixin.qq.com
b25fe5084246ae1aa4dbeb4a7d9df3fc.png

—END—

你好,我是电子小白菜,如果你喜欢我的文章,就请点个赞同并关注我吧。

微信公众号:硬核电子。

5af39db87319ea8b5893034126f80975.png

最后

以上就是友好乌冬面最近收集整理的关于lvds接口_CMOS Image Sensor的DVP接口硬件设计的全部内容,更多相关lvds接口_CMOS内容请搜索靠谱客的其他文章。

本图文内容来源于网友提供,作为学习参考使用,或来自网络收集整理,版权属于原作者所有。
点赞(193)

评论列表共有 0 条评论

立即
投稿
返回
顶部