作者:brightwang https://maimai.cn/article/detail?fid=1346516532&efid=e8TuGE2_NEsY2yVNafT_xA

最近读到这样一篇好文章,从底层硬件角度出发剖析了一下CPU对代码的识别和读取,内容非常精彩,读完感觉大学里学到的很多东西瞬间联系起来了,这里分享给大家,希望能认真读完并有所收获。

首先要开始这个话题要先说一下半导体。
啥叫半导体?
半导体其实就是介于导体和绝缘体中间的一种东西,比如二极管。

电流可以从A端流向C端,但反过来则不行。你可以把它理解成一种防止电流逆流的东西。
当C端10V,A端0V,二极管可以视为断开。
当C端0V,A端10V,二极管可以视为导线,结果就是A端的电流源源不断的流向C端,导致最后的结果就是A端=C端=10V

等等,不是说好的C端0V,A端10V么?咋就变成结果是A端=C端=10V了?你可以把这个理解成初始状态,当最后稳定下来之后就会变成A端=C端=10V。
文科的童鞋们对不住了,实在不懂问高中物理老师吧。反正你不能理解的话就记住这种情况下它相当于导线就行了。
利用半导体,我们可以制作一些有趣的电路,比如【与门】

此时A端B端只要有一个是0V,那Y端就会和0V地方直接导通,导致Y端也变成0V。只有AB两端都是10V,Y和AB之间才没有电流流动,Y端也才是10V。
我们把这个装置成为【与门】,把有电压的地方计为1,0电压的地方计为0。至于具体几V电压,那不重要。
也就是AB必须同时输入1,输出端Y才是1;AB有一个是0,输出端Y就是0。
其他还有【或门】【非门】和【异或门】,跟这个都差不多,或门就是输入有一个是1输出就是1,输入00则输入0。
非门也好理解,就是输入1输出0,输入0输出1。
异或门难理解一些,不过也就那么回事,输入01或者10则输出1,输入00或者11则输出0。(即输入两个一样的值则输出0,输入两个不一样的值则输出1)。
这几种门都可以用二极管做出来,具体怎么做就不演示了,有兴趣的童鞋可以自己试试。每次都画二极管也是个麻烦,我们就把门电路简化成下面几个符号。

然后我们就可以用门电路来做CPU了。当然做CPU还是挺难的,我们先从简单的开始:加法器。
加法器顾名思义,就是一种用来算加法的电路,最简单的就是下面这种。

AB只能输入0或者1,也就是这个加法器能算0+0,1+0或者1+1。
输出端S是结果,而C则代表是不是发生进位了,二进制1+1=10嘛。这个时候C=1,S=0
费了大半天的力气,算个1+1是不是特别有成就感?
那再进一步算个1+2吧(二进制01+10),然后我们就发现了一个新的问题:第二位需要处理第一位有可能进位的问题,所以我们还得设计一个全加法器。

每次都这么画实在太麻烦了,我们简化一下

也就是有3个输入2个输出,分别输入要相加的两个数和上一位的进位,然后输入结果和是否进位。
然后我们把这个全加法器串起来

我们就有了一个4位加法器,可以计算4位数的加法也就是15+15,已经达到了幼儿园中班水平,是不是特别给力?
做完加法器我们再做个乘法器吧,当然乘任意10进制数是有点麻烦的,我们先做个乘2的吧。
乘2就很简单了,对于一个2进制数数我们在后面加个0就算是乘2了
比如:
5=101(2)
10=1010(2)
所以我们只要把输入都往前移动一位,再在最低位上补个零就算是乘2了。具体逻辑电路图我就不画,你们知道咋回事就行了。
那乘3呢?简单,先位移一次(乘2)再加一次。乘5呢?先位移两次(乘4)再加一次。CPU飙高,频繁GC,怎么排查?这篇告诉你。
所以一般简单的CPU是没有乘法的,而乘法则是通过位移和加算的组合来通过软件来实现的。这说的有点远了,我们还是继续做CPU吧。
现在假设你有8位加法器了,也有一个位移1位的模块了。串起来你就能算
(A+B)X2
了!激动人心,已经差不多到了准小学生水平。
那我要是想算
AX2+B
呢?简单,你把加法器模块和位移模块的接线改一下就行了,改成输入A先过位移模块,再进加法器就可以了。
啥????你说啥???你的意思是我改个程序还得重新接线?
所以你以为呢?编程就是把线来回插啊。

惊喜不惊喜?意外不意外?
早期的计算机就是这样编程的,几分钟就算完了但插线好几天。而且插线是个细致且需要耐心的工作,所以那个时候的程序员都是清一色的漂亮女孩子,穿制服的那种,就像照片上这样。是不是有种生不逢时的感觉?
虽然和美女作伴是个快乐的事,但插线也是个累死人的工作。所以我们需要改进一下,让CPU可以根据指令来相加或者乘2。
这里再引入两个模块,一个叫flip-flop,简称FF,中文好像叫触发器。

这个模块的作用是存储1bit数据。比如上面这个RS型的FF,R是Reset,输入1则清零。S是Set,输入1则保存1。RS都输入0的时候,会一直输出刚才保存的内容。
我们用FF来保存计算的中间数据(也可以是中间状态或者别的什么),1bit肯定是不够的,不过我们可以并联嘛,用4个或者8个来保存4位或者8位数据。这种我们称之为寄存器(Register)。
关注微信公众号:Java技术栈,在后台回复:java,可以获取我整理的 N 篇最新Java 教程,都是干货。
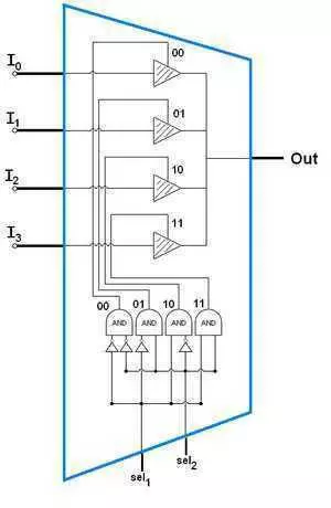
另外一个叫MUX,中文叫选择器。
这个就简单了,sel输入0则输出i0的数据,i0是什么就输出什么,01皆可。同理sel如果输入1则输出i1的数据。当然选择器可以做的很长,比如这种四进一出的

具体原理不细说了,其实看看逻辑图琢磨一下就懂了,知道有这个东西就行了。
有这个东西我们就可以给加法器和乘2模块(位移)设计一个激活针脚。
这个激活针脚输入1则激活这个模块,输入0则不激活。这样我们就可以控制数据是流入加法器还是位移模块了。
于是我们给CPU先设计8个输入针脚,4位指令,4位数据。
我们再设计3个指令:
0100,数据读入寄存器
0001,数据与寄存器相加,结果保存到寄存器
0010,寄存器数据向左位移一位(乘2)
为什么这么设计呢,刚才也说了,我们可以为每个模块设计一个激活针脚。然后我们可以分别用指令输入的第二第三第四个针脚连接寄存器,加法器和位移器的激活针脚。
这样我们输入0100这个指令的时候,寄存器输入被激活,其他模块都是0没有激活,数据就存入寄存器了。同理,如果我们输入0001这个指令,则加法器开始工作,我们就可以执行相加这个操作了。
这里就可以简单回答这个问题的第一个小问题了:
那cpu 是为什么能看懂这些二级制的数呢?
为什么CPU能看懂,因为CPU里面的线就是这么接的呗。你输入一个二进制数,就像开关一样激活CPU里面若干个指定的模块以及改变这些模块的连同方式,最终得出结果。
几个可能会被问道的问题
Q:CPU里面可能有成千上万个小模块,一个32位/64位的指令能控制那么多吗?
A:我们举例子的CPU里面只有3个模块,就直接接了。真正的CPU里会有一个解码器(decoder),把指令翻译成需要的形式。
Q:你举例子的简单CPU,如果我输入指令0011会怎么样?
A:当然是同时激活了加法器和位移器从而产生不可预料的后果,简单的说因为你使用了没有设计的指令,所以后果自负呗。(在真正的CPU上这么干大概率就是崩溃呗,当然肯定会有各种保护性的设计,死也就死当前进程)
细心的小伙伴可能发现一个问题:你设计的指令
【0001,数据与寄存器相加,结果保存到寄存器】
这个一步做不出来吧?毕竟还有一个回写的过程,实际上确实是这样。我们设计的简易CPU执行一个指令差不多得三步,读取指令,执行指令,写寄存器。
经典的RISC设计则是分5步:读取指令(IF),解码指令(ID),执行指令(EX),内存操作(MEM),写寄存器(WB)。我们平常用的x86的CPU有的指令可能要分将近20个步骤。
你可以理解有这么一个开关,我们啪的按一下,CPU就走一步,你按的越快CPU就走的越快。咦?听说你有个想法?少年,你这个想法很危险啊,姑且不说你有没有麒麟臂,能不能按那么快(现代的CPU也就2GHz多,大概也就一秒按个20亿下左右吧)
就算你能按那么快,虽然速度是上去了,但功耗会大大增加,发热上升稳定性下降。江湖上确实有这种玩法,名曰超频,不过新手不推荐你尝试哈。
那CPU怎么知道自己走到哪一步了呢?前面不是介绍了FF么,这个不光可以用来存中间数据,也可以用来存中间状态,也就是走到哪了。
具体的设计涉及到FSM(finite-state machine),也就是有限状态机理论,以及怎么用FF实装。这个也是很重要的一块,考试必考哈,只不过跟题目关系不大,这里就不展开讲了。
我们再继续刚才的讲,现在我们有3个指令了。我们来试试算个(1+4)X2+3吧。
0100 0001 ;寄存器存入1
0001 0100 ;寄存器的数字加4
0010 0000 ;乘2
0001 0011 ;再加三
太棒了,靠这台计算机我们应该可以打败所有的幼儿园小朋友,称霸大班了。而且现在我们用的是4位的,如果换成8位的CPU完全可以吊打低年级小学生了!
实际上用程序控制CPU是个挺高级的想法,再此之前计算机(器)的CPU都是单独设计的。
1969年一家日本公司BUSICOM想搞程控的计算器,而负责设计CPU的美国公司也觉得每次都重新设计CPU是个挺傻X的事,于是双方一拍即合,于1970年推出一种划时代的产品,世界上第一款微处理器4004。
这个架构改变了世界,那家负责设计CPU的美国公司也一步一步成为了业界巨头。哦对了,它叫Intel,对,就是噔噔噔噔的那个。
我们把刚才的程序整理一下,
01000001000101000010000000010011
你来把它输入CPU,我去准备一下去幼儿园大班踢馆的工作。
神马?等我们输完了人家小朋友掰手指都能算出来了??
没办法机器语言就是这么反人类。哦,忘记说了,这种只有01组成的语言被称之为机器语言(机器码),是CPU唯一可以理解的语言。不过你把机器语言让人读,绝对一秒变典韦,这谁也受不了。
关注公众号Java技术栈回复"面试"获取我整理的2020最全面试题及答案。
推荐去我的博客阅读更多:
1.Java JVM、集合、多线程、新特性系列教程
2.Spring MVC、Spring Boot、Spring Cloud 系列教程
3.Maven、Git、Eclipse、Intellij IDEA 系列工具教程
4.Java、后端、架构、阿里巴巴等大厂最新面试题
觉得不错,别忘了点赞+转发哦!
最后,关注下面的栈长的微信公众号:Java技术栈,回复:福利,可以免费获取一份我整理的 2020 最新 Java 面试题,真的非常全(含答案),无任何套路。 
最后
以上就是怕孤独盼望最近收集整理的关于CPU 到底是怎么认识代码的?涨姿势了!的全部内容,更多相关CPU内容请搜索靠谱客的其他文章。
发表评论 取消回复