ALU是一种功能较强的组合逻辑电路,它能进行多种算术运算和逻辑运算。ALU的基本结构如下图

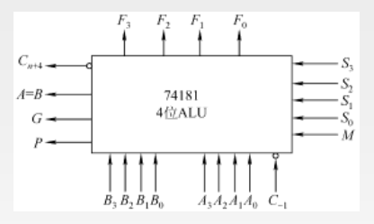
最简单的ALU是四位的,如下图所示,74181为4位并行加法器,其4位进位是同时产生的

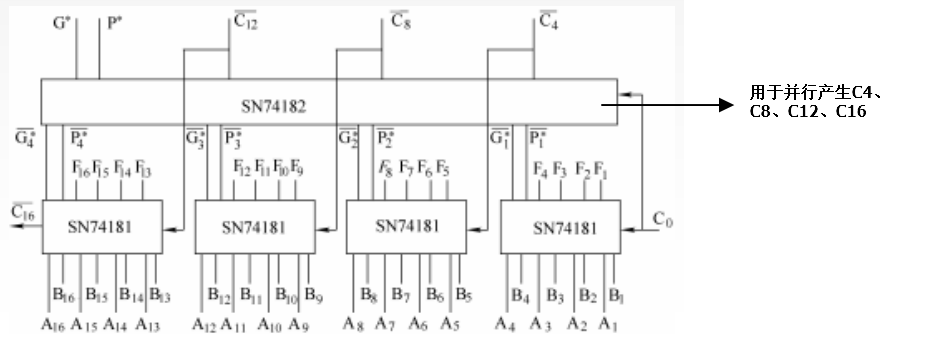
用4片74181芯片可以组成16位ALU,其片内进位是快速的,但片间进位是逐片传递的,即组内并行、组间串行,是单级先行进位。

若把16位ALU中的每四位作为一组,将74181与74182芯片配合,用类似位间快速进位的方式来实现16位ALU,则能得到16位的两级线性进位ALU,即组内并行、组间并行,是二级先行进位。

最后
以上就是精明电脑最近收集整理的关于算术逻辑单元 —— ALU的功能与结构的全部内容,更多相关算术逻辑单元内容请搜索靠谱客的其他文章。
本图文内容来源于网友提供,作为学习参考使用,或来自网络收集整理,版权属于原作者所有。
发表评论 取消回复