关于理论
常见的芯片型号
哦对了,,模×,计数器=×进制计数器


其中,
74160和74161 是同步置数,异步清零。
160是十进制加法计数器,而161是十六进制加法计数器。
(不太理解?没关系,看下面的例子。。。)
74162和74163 是同步置数,同步清零。
162是十进制加法计数器,而163是十六进制加法计数器。
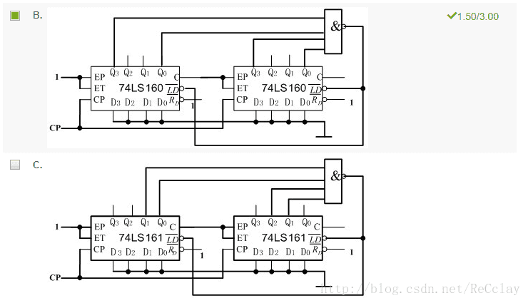
下面就以160和161设计一个100进制的计数器为例来弄清楚十进制和十六进制的区别。

B、比较好理解,十进制计数器嘛,左边为低位,右边为高位,两者都是9,也就是99的时候。0~99个,然后进行置位。因为是同步置位,置位的信号是可以保持住的。
关键是C,如果你未曾理解,十六进制到底是啥含义,很容易弄混淆。我们看到它接成了63,而十六进制的63换算到十进制,刚好就是99呢!
这么说来,那么多少进制就是意味着溢出的值是多少。也就是说是多少进制的数!
骚的一批。。。。
哦,对了! 161的一个容易忽略的事,,,
输入都为1的时候,CO是输出为1的,但是你如果此时ET=L, EP=×。虽然和ET=H, EP=L都是保持功能,但是前者使得CO强制输出为0!

161应用举例
1、两片模16的161就是16*16 =256

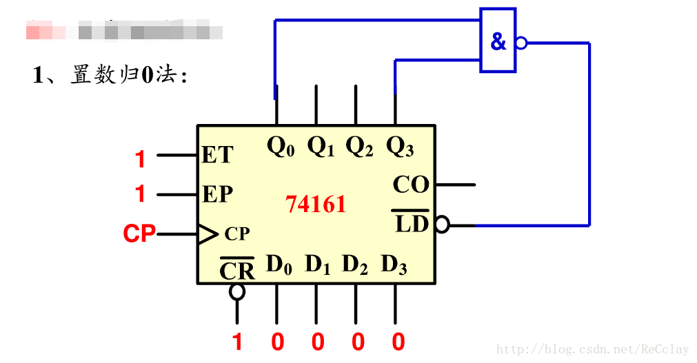
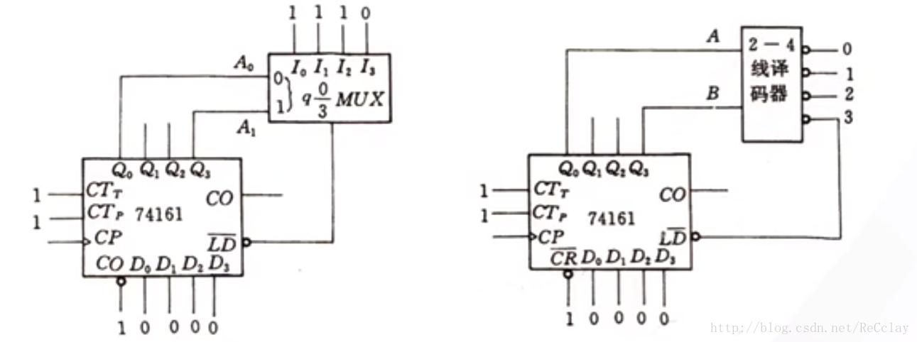
2、十进制计数器,利用161的清零和置数功能
①、置数归0法。

用数据选择器和2-4线译码器

②、预置补数法

6~15 十进制
③、反馈清零法

74290的一些知识

清零是,R都为高,然后S至少有一个为低。
置数是S都为高,R任意都可以置数。
CP0控制二分频,
CP1控制五分频,
CP0接时钟,CP1接Q0是十进制计数器

模1000的计数器

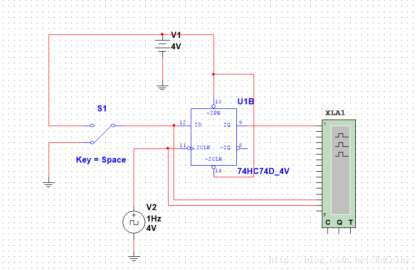
关于仿真
记录一下关于数字电路仿真的知识,虽然简单但是还是容易忘记。

上升沿触发的边沿D触发器。

哦对了,,,忘了说了。逻辑分析仪的频率需要设置下。。还有注意CLK的频率不要太高。、

利用反向施密特触发器作为方波发生器

骚的一批啊,,有没有。。。无须外部信号啥的。。。
最后
以上就是玩命泥猴桃最近收集整理的关于数字电路的学习总结的全部内容,更多相关数字电路内容请搜索靠谱客的其他文章。
发表评论 取消回复