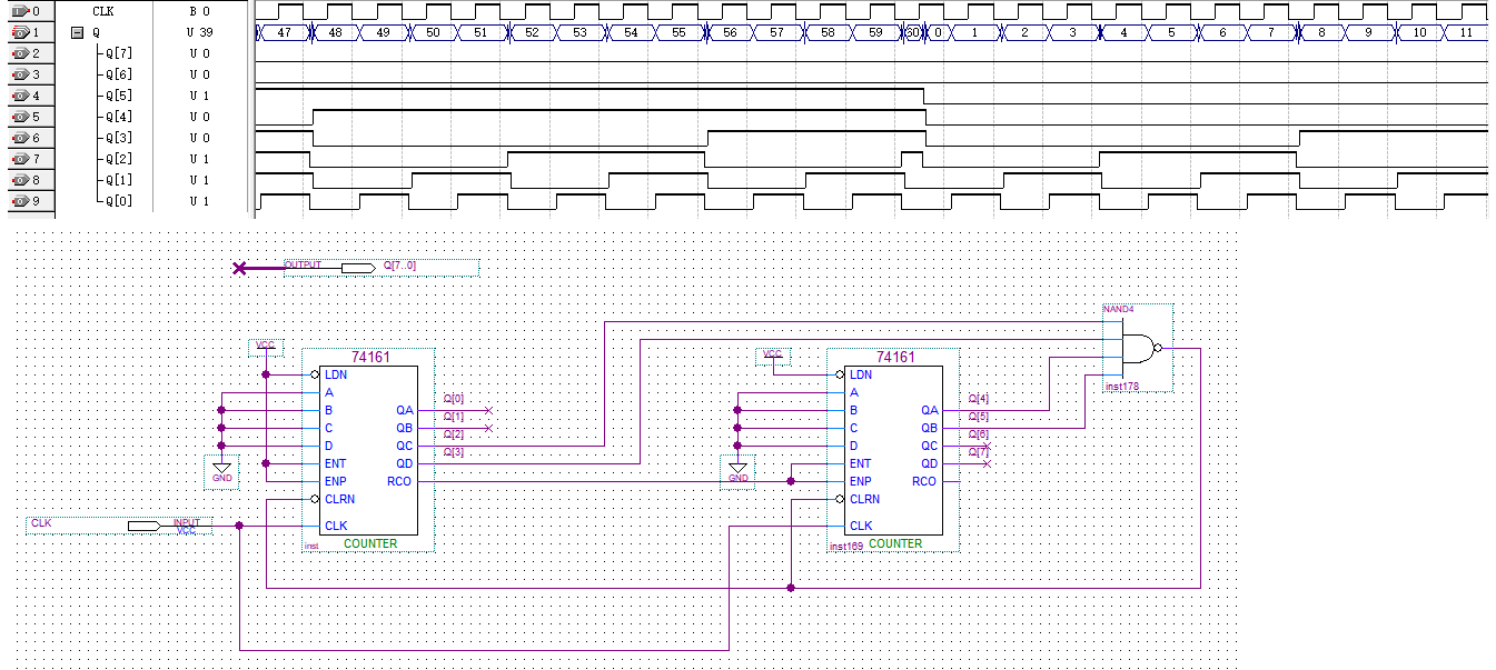
- 将60分解成6*10,分别用74161实现模6和模10计数器,再级联成模60计数器
- 利用OC进位端反相得到的信号输入到置位端,模6计数器的实现15-X+1=6,解得置数端需要准备的数为X=10=1010,模10计数器的实现15-X+1=10,解得置数端需要准备的数为X=6=0110。

- 观察波形图可以看出,稳定后第一片计数器从10计到15,第二片从6计到15

- 60同样可以分解成5*12,这种方法需要分解的两个因数小于161的模值16。利用上面方法的思路,OC置数法,模5计数器的实现15-X+1=5,解得置数端需要准备的数为X=11=1011,模10计数器的实现15-X+1=12,解得置数端需要准备的数为X=4=0100。

- 另外说明一点,分解模值的方法两个模数掉个顺序完全没问题的

- 先把两片161级联成模256的计数器,再利用整体清零或置数构成模60的计数器
- 整体置零——从0计数到59=0011_1011,将59这个数翻译成低电平输入到置数端

- 利用异步清零法,将60=0011_1100信号翻译到清零端

- 利用OC端置数法,255-X+1=60解得X=196=1100_0100,将数准备在输入端

最后
以上就是糟糕大米最近收集整理的关于quartus仿真33:74161级联实现模60计数器的全部内容,更多相关quartus仿真33内容请搜索靠谱客的其他文章。
本图文内容来源于网友提供,作为学习参考使用,或来自网络收集整理,版权属于原作者所有。
发表评论 取消回复