-
串行进位二进制并行加法器(缺点:慢)

-
超前进位二进制并行加法器,根据输入信号同时形成各位向高位的进位,同时产生各位的和
- 全加器的进位输出 Cout = (A xor B)Cin+AB
- A xor B = P 进位传递函数
- AB = G 进位产生函数
- Cout = PCin+G
- 解得各位Cout仅与C0有关
-
74283可以实现的功能
- 二进制加法运算
- 代码转换
- 二进制减法运算
- 二进制乘法运算
- 十进制加法运算

-
4位二进制并行加法器设计一个将8421码转换成余3码的代码转换电路
- 余3码由8421码加3形成
- 输入端A4A3A2A1接8421码
- 输入端B4B3B2B1接0011B=3D
- 进位输入端C0接0
-
74290产生8421码

-
4位二级制并行加法器设计一个4位二级制并行加法/减法器
- A-B=A+B(补码)
- B(补码)=B’+1
- 功能选择变量M
- M=0 A+B=a4a3a2a1+b4b3b2b1+0
- M=1 A-B=a4a3a2a1+b4’b3’b2’b1’+1
-
M = a4a3a2a1+(Mxorb4)(Mxorb3)(Mxorb2)(Mxorb1)+M
-
重点观察两个区域,第一个9-3=6(110B),第二个0-3=(1101即3的补码)

-
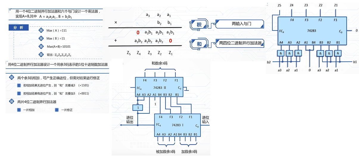
剩下两道题看看就好,不太想画图了

最后
以上就是动听眼神最近收集整理的关于quartus仿真10:74283的基本功能的全部内容,更多相关quartus仿真10:74283内容请搜索靠谱客的其他文章。
本图文内容来源于网友提供,作为学习参考使用,或来自网络收集整理,版权属于原作者所有。
发表评论 取消回复