一.单选题(共9题,33.3分)
1
某计算机字长是16位,它的存储容量是64KB,按字编址,它的寻址范围是( )。
-
A、
64K
-
B、
32KB
-
C、
32K
-
D、
1MB
正确答案: C 我的答案:C
补充:按字编址,每个存储单元一个字节。因为该计算机的字长是16位,每个存储单元1个字节,1字节等于8位,所以相当于2个字节。又因为他的存储器容量是64KB,则说明有64K个字节,64/2=32。
2
机器字长32位,其存储容量为4MB,若按字编址,它的寻址范围是( )。
-
A、
0—1M
-
B、
0—1MB
-
C、
0—4M
-
D、
0—2M
正确答案: A 我的答案:A
补充:每一个存储单元有一个字节,字长为32,一字节当4字节寻址范围为4MB/4B=1M
3
动态DRAM的刷新是以( )为单位进行的。
-
A、
存储单元
-
B、
行
-
C、
列
-
D、
存储位
正确答案: B 我的答案:B
4
EPROM是指( )。
-
A、
读/写存储器
-
B、
只读存储器
-
C、
可编程的只读存储器
-
D、
光擦除的PROM
正确答案: D 我的答案:C
5
某一RAM芯片,其容量为1024*8位,其数据线和地址线分别为( )。
-
A、
3、10
-
B、
10、3
-
C、
8、10
-
D、
10、8
正确答案: C 我的答案:C
补充:其容量为1024*8位,2`10B,地址线数需要10根,由于是8位,说明数据线要8根。
6
存储器是计算机系统中的记忆设备,它主要用来( )。
-
A、
存放数据
-
B、
存放程序
-
C、
存放程序和数据
-
D、
存放微程序
正确答案: C 我的答案:C
7
磁盘的盘面上有很多半径不同的同心圆组成,这些同心圆称为( )。
-
A、
扇区
-
B、
磁道
-
C、
柱面
-
D、
磁表面
正确答案: B 我的答案:B
8
存取周期是指( )。
-
A、
存储器的写入时间
-
B、
存储器进行连续写操作允许的最短时间间隔
-
C、
存储器的读出时间
-
D、
存储器连续读或写操作所允许的最短时间间隔
正确答案: D 我的答案:D
9
某SRAM芯片,存储容量为64K × 16位,该芯片地址线和数据线数目分别为( )。
-
A、
64,16
-
B、
16,64
-
C、
64,8
-
D、
16,16
正确答案: D 我的答案:D
2的6次方 x 2的10次方 x16
二.多选题(共9题,33.3分)
1
主存的主要技术指标有( )。
-
A、
存储容量
-
B、
存储速度
-
C、
存储器带宽
-
D、
存储单元个数
正确答案: ABC 我的答案:ABC
2
存储器按在计算机中的作用分类,可分为( )。
-
A、
主存
-
B、
缓存
-
C、
辅存
-
D、
硬盘
正确答案: ABC 我的答案:ABC
3
DRAM广泛应用于计算机主存的原因有( )。
-
A、
DRAM的集成度高于SRAM
-
B、
DRAM采用行列地址按先后顺序传送,减少了芯片引脚,封装尺寸也减少
-
C、
DRAM的功耗比SRAM小
-
D、
DRAM的速度比SRAM快
正确答案: ABC 我的答案:ABC
4
存储器按存储介质可分为( )。
-
A、
半导体存储器
-
B、
磁表面存储器
-
C、
磁芯存储器
-
D、
光盘存储器
正确答案: ABCD 我的答案:ABD
5
存储器按存储方式可分为( )。
-
A、
随机存储器
-
B、
只读存储器
-
C、
顺序存取存储器
-
D、
直接存取存储器
正确答案: ABCD 我的答案:ABCD
6
存储容量的扩展方式有( )。
-
A、
位扩展
-
B、
字扩展
-
C、
位和字同时扩展
-
D、
以上都不对
正确答案: ABC 我的答案:ABC
7
动态DRAM的刷新方式有( )。
-
A、
集中刷新
-
B、
分散刷新
-
C、
异步刷新
-
D、
同步刷新
正确答案: ABC 我的答案:ABC
8
半导体存储芯片的译码方式有( )。
-
A、
线选法
-
B、
字选法
-
C、
重合法
-
D、
位选法
正确答案: AC 我的答案:AC
9
只读存储器有( )。
-
A、
MROM
-
B、
PROM
-
C、
EPROM
-
D、
闪存
正确答案: ABCD 我的答案:ABCD
三.判断题(共8题,29.6分)
1
半导体存储器体积小,功耗低,存取短,属于易失性存储器。
正确答案:√ 我的答案:√
2
通常,磁盘存储器每条磁道的存储容量是相同的。
正确答案:√ 我的答案:√
3
断电后,EEPROM中的数据不会丢失。
正确答案:√ 我的答案:√
4
在主机内,CPU对主存的访问必须通过内总线进行。
正确答案:× 我的答案:×
5
PROM的内容是固定的,不能编程写入。
正确答案:× 我的答案:×
6
随机存储器需要定时地进行刷新。
正确答案:× 我的答案:×
7
在常用磁盘中,外圈容量比内圈容量大。
正确答案:× 我的答案:×
补充:磁盘上各磁道长度不同,每圈磁道容量相同,储存密度有外向内逐步增大
8
主存中存储单元地址的分配只能按字节寻址。
正确答案:× 我的答案:×
四.其它(共1题,3.8分)
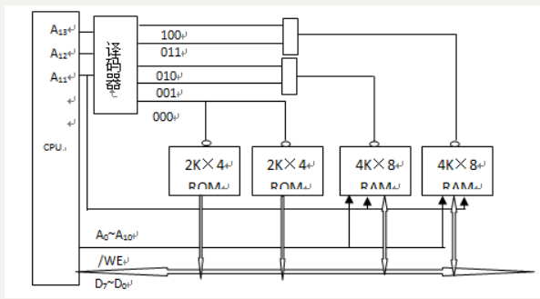
1
某机器字长8位,试用如下所给芯片设计一个存储器,容量为10KB,其中RAM为高8KB,
ROM为低2KB,最低地址为0(RAM芯片类型为:4K×8,ROM芯片类型为:2K×4。
回答:(1)地址线、数据线各为多少根?(2)RAM和ROM的地址范围分别为多少?
(3)各种芯片各需多少片?(4)画出存储器结构图及与CPU连接的示意图。
正确答案:
(1)地址线为14根,数据线为8根 (2)ROM的地址范围为0000H~07FFH, RAM的额地址范围为0800H~27FFH(3)RAM芯片共2片, ROM芯片共2片 (4)结构图如下图所示;

补充:1.容量为10KB,10x2的10次方B,地址线为11根,字长为8位,数据线为8根,外加3-8译码器进行片选,加3根。地址线为3+11=14根
3-8就是输入三个地址 输出八个线 片选信号用 根数据线无关 他需要2个ram芯片做片选 2个rom做为扩展 这两个rom组成芯片组和2个ram一起做片选 3-8译码器就是为了选择他们的
rom需要组成芯片组,是因为2个rom进行位扩展
2.由于存储器的低2KB为ROM空间,所以ROM的地址空间为0~2KB-1,即0000H~07FFH;高8KB为RAM空间,所以RAM的地址空间为2KB~10KB-1,即0800H~27FFH。
ROM的地址空间:0~2KB-1 :0000H~2`11-1H,0000 0111 1111 1111 H,07FFH
RAM的地址空间:2KB~10KB-1:2的11次方~2的10次方x10-1,0000 1000 0000 0000H ~ 27FFH 0800H~27FFH
直接将10KB-1换算为10239,然后转换16进制
3.RAM芯片数量=8KB/(4K×8)=2片,字扩展
ROM芯片数量=2KB/(2K×4)=2片,位扩展
我的答案:
(1)因为容量为10KB,外加3-8译码器,计算机字长为8位,所以地址线为14根,数据线为8根(2)ROM的地址范围为0000H~07FFH, RAM的地址范围为0800H~27FFH(3)RAM芯片共2片, ROM芯片共2片(4)
最后
以上就是落寞荔枝最近收集整理的关于计算机组成原理第四章 存储器-字位扩展一.单选题(共9题,33.3分)的全部内容,更多相关计算机组成原理第四章内容请搜索靠谱客的其他文章。
发表评论 取消回复