分组交换基本原理
分组交换的概念
分组的概念
- 分组交换中传送和处理的对象,带有
控制信息和地址信息,可以在网内独立传输。 - 不同技术中,分组首部的长度和格式不同。
- 分组的长度根据不同的技术规定不同。
分组的复用
- 基于
统计时分复用。 - 提高了资源利用效率。
分组的传输方式
- 数据报方式 无连接方式;不需要建立连接,各分组按分组头中的地址信息,自由选择路由到达终端 。
- 虚电路方式 面向连接方式;但与电路交换不同,它建立的是
逻辑信道,利用虚电路标识号传送分组 。
分组交换网的构成
分组交换网是一个由分布在各地的数据终端设备、数据交换设备和数据传输链路所构成的网络,在网络协议(包括OSI的下面三层协议)的支持下,实现数据终端间的数据传输和交换。
X.25 分组交换网是产生于 20 世纪 70 年代的第一个商用的分组交换网。
交换节点在路由选择中的工作原理
分组进入交换节点,节点中央处理单元 (CPU)对分组进行处理,包括对分组网络层目的地址的检验,在这个基础上,分组被安排在正确的出线,并进入相应的队列等待发送。由节点选择正确的出线的过程被称做路由选择功能。
分组通过交换节点的延迟有 3 个主要因素:
- 在CPU 及出链路队列中的排队时间
- CPU处理时间
- 分组传输时间
路由算法
- 路由算法决定了
如何选择从发送端到接收端的传输路径。 - 根据不同的衡量标准,有不同的路由,例如可以按时间最短的原则或费用最小的原则等来选择传输路径。
路由器根据路由算法生成本地路由表。
以太网技术
基本概念
- 使用最为广泛的局域网
- 双绞线和光纤
- 星型拓扑
- 交换式以太网
介质访问控制方式
CSMA/CD:带有冲突检测的载波监听多路访问
- 如果媒体空闲,则传输;
- 如果媒体忙,一直监听直到信道空闲,马上传输;
- 如果在传输中检测到冲突,立即取消传输;
- 冲突后,等待一段随机时间,然后再试图传输(重复第一步)。
协议结构
LLC、MAC

系统组成
集线器、网卡、双绞线

共享型与交换型以太网
从共享型以太网走向交换型以太网
共享型以太网存在问题
- 共享型的
带宽由所有站点共同分割,站点越多,每个站能得到的带宽越少。 LAN覆盖受CSMA/CD制约
交换型以太网特点
- 交换器的各端口之间同时可以形成多个数据通路
不受CSMA/CD的制约,系统带宽为10MB/S×N。
ATM技术
ATM传送模式
以分组传送模式为基础,融合电路传送模式。
本质是高速分组传送模式:
- 统计时分复用
- 端到端纠错
融合电路传送模式:
- 固定长度信元
- 面向连接
- 硬件交换网络
ATM是一种传递模式,在这种模式中,信息被分成信元来传递,而包含同一用户信息的信元不需要在传输链路上周期性地出现,因此这种传递模式是异步的。
ATM信元结构
长度 53 个字节,信头 5 字节,信息段 48 字节
信元头格式和编码:
- 用户网络接口 UNI
- 网络节点接口 NNI
ATM协议结构
ATM 层相当于 OSI 的数据链路层

ATM交换原理
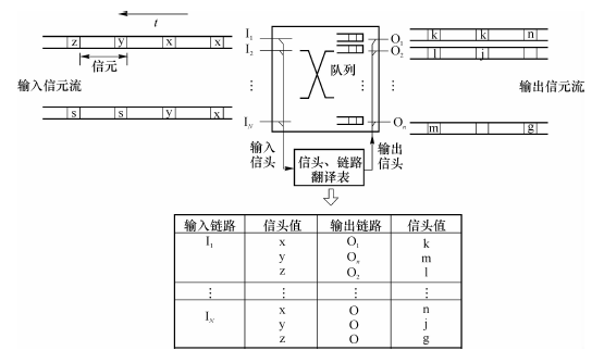
VPI和VCI是ATM传输的名词版,ATM把一条物理电路划分为几个虚拟的逻辑通路,称权为VPI;然后在每一个VPI中再划分虚拟的信道(Channel),称为VCI。
虚连接和 VP 及 VC 交换
信元交换 : VP 级和 VC 级
例 : VCC 和 VPC 连接过程
VP: 只改变 VPI
VC: VPI 和 VCI 都变化

ATM 交换原理
信头、链路翻译表 : 完成上述两个功能
逻辑信道和时隙之间没有固定的关系

ATM交换系统基本功能
交换连接功能
接口功能
信令功能
控制功能
- 呼叫控制功能
- 维护管理功能
- 业务流管理功能
交换连接功能
空分交换功能
- 将信息从一条物理入线交换到到另一条物理出线上。
- 空分交换中的关键问题——路由选择( routing),在交换机内部,信息如何选择一条路由从入线到达。
出线择
时分交换功能
- 将物理入线上一个逻辑信道上的信息交换到物理出线上的另一个逻辑信道上。
- 是逻辑信道 (VP/VC )的交换(而不是固定帧时隙)
- 存在多个逻辑信道竞争物理出线上同一时间片的情况,必须引入排队来解决竞争问题
- 排队功能——ATM 交换的一个重要功能
信元头交换(翻译)
一个逻辑ATM 信道上的信元被交换到另一个逻辑 ATM 信道上时,其输入信元头的值将会被翻译成一个与输出逻辑 ATM 信道相对应的信元头输出值。
交换节点的接续功能
- 路由选择 : 传输线之间的交换
- VPI/VCI 交换:信头翻译
- 用缓冲区解决输出逻辑信道冲突:排队
ATM交换系统功能结构
ATM交换结构、接口单元、处理机控制部分

ATM交换结构
- 共享存储型交换结构
- 共享总线型交换结构
- 空分交换结构
- BANYAN 网络
例题讲解
判断题:分组交换网络可以是无连接,也可以是面向连接的;对于面向连接的分组交换网络,不会发生分组丢失的情况。
参考答案:错误
根据分组交换的定义, 可以采用无连接,如IP技术 ,也可以采用面向连接,如ATM技术 。因此前半句话是正确的。 由于分组交换是基于统计时分复用 分组经过交换节点需要存储转发,因此当交换节点的缓存空间不够时,到达的分组就会被丢弃掉,由此就会出现分组丢失。还有其他情况也会导致分组丢失。 在面向连接的ATM网络中上述情况也有可能出现。因此后面半句话是错误的。整句话判断为错误。
注:现代通信技术_北京邮电大学
最后
以上就是还单身大侠最近收集整理的关于现代通信技术之分组交换技术分组交换基本原理以太网技术ATM技术例题讲解的全部内容,更多相关现代通信技术之分组交换技术分组交换基本原理以太网技术ATM技术例题讲解内容请搜索靠谱客的其他文章。
发表评论 取消回复