目录
- 一、问题
- 二、Clarke模型
- 三、Jakes模型
- 四、Jakes模型的MATLAB仿真
- 五、Jakes模型的Simulink仿真
- 六、总结
一、问题
最近为了完成老师布置的作业,就通过博客这种方式来记录一下自己的解决问题的过程,问题如下:
(1) 无线信道中的多普勒谱有一种经典谱(classic spectrum),请解释产生这种谱形状的机理;
(2) 请用Simulink或者m语言,产生一条单径瑞利信道,其多普勒谱为经典谱,其中移动速率为120km/h。并请描述:自己用计算机产生的经典谱是正确的依据。
通过阅读与分析知网以及CSDN的相关文献后,对于多普勒经典谱的产生原理,我利用Clarke理论模型,来推导出瑞利信道的经典谱的功率谱密度,解决第一问,下面是Clarke理论模型的推导过程。
二、Clarke模型
1)计算平面波的通频带发射信号 x ~ ( t ) tilde{x}left( t right) x~(t)
Clarke模型假设有N个具有任意相位的平面波,每个平面波以任意的方向到达移动台,且所有平面波的平均功率相同。设移动台的速度为
v
v
v,平面波沿
x
−
y
x-y
x−y 平面上的水平方向到达,平面波与移动台的运动方向之间的夹角即到达角度(Angle of Arrival,AoA)为
θ
theta
θ,如图2.1所示。

其中设平面波的基带发射信号为
x
(
t
)
xleft( t right)
x(t),载波的波长为
λ
lambda
λ,载波频率为
f
c
f_c
fc,则通频带的发射信号
x
~
(
t
)
tilde{x}left( t right)
x~(t)为
x
~
(
t
)
=
Re
[
x
(
t
)
e
j
2
π
f
c
t
]
(2.1)
tilde{x}left( t right) =text{Re}left[ xleft( t right) e^{j2pi f_ct} right] tag{2.1}
x~(t)=Re[x(t)ej2πfct](2.1)
2)计算移动台的基带接收信号 y ( t ) yleft( t right) y(t)
由于移动台的相对运动,到达移动台的平面波都会经历多普勒频移,且每条传播路径的多普勒频移都不同。设移动台位于有
I
I
I条传播路径的散射信道,则通频带接收信号
y
~
(
t
)
tilde{y}left( t right)
y~(t)可表示为
y
~
(
t
)
=
Re
[
∑
i
=
1
I
C
i
e
j
2
π
(
f
c
+
f
i
)
(
t
−
τ
i
)
x
(
t
−
τ
i
)
]
=
Re
[
y
(
t
)
e
j
2
π
f
c
t
]
(2.2)
tilde{y}left( t right) =text{Re}left[ sum_{i=1}^I{C_ie^{j2pi left( f_c+f_i right) left( t-tau _i right)}xleft( t-tau _i right)} right]\ =text{Re}left[ yleft( t right) e^{j2pi f_ct} right] tag{2.2}
y~(t)=Re[i=1∑ICiej2π(fc+fi)(t−τi)x(t−τi)]=Re[y(t)ej2πfct](2.2)
其中
C
i
,
f
i
,
τ
i
C_i, f_i, tau _i
Ci, fi, τi分别表示第
i
i
i条传播路径的信道增益、多普勒频移、时延。
而移动台的基带接收信号
y
(
t
)
yleft( t right)
y(t)可表示为
y
(
t
)
=
∑
i
=
1
I
C
i
e
−
j
ϕ
i
(
t
)
x
(
t
−
τ
i
)
(2.3)
yleft( t right) =sum_{i=1}^I{C_ie^{-jphi _ileft( t right)}xleft( t-tau _i right)} tag{2.3}
y(t)=i=1∑ICie−jϕi(t)x(t−τi)(2.3)
其中
ϕ
i
(
t
)
=
2
π
{
(
f
c
+
f
i
)
τ
i
−
f
i
t
i
}
phi _ileft( t right) =2pi left{ left( f_c+f_i right) tau _i-f_it_i right}
ϕi(t)=2π{(fc+fi)τi−fiti}。
第
i
i
i条传播路径的多普勒频移可表示为
f
i
=
f
m
cos
θ
i
=
v
λ
cos
θ
i
f_i=f_mcos theta _i=frac{v}{lambda}cos theta _i
fi=fmcosθi=λvcosθi,其中
f
m
,
θ
i
f_m, theta _i
fm, θi分别表示最大多普勒频移、第
i
i
i条传播路径的到达角度。第
i
i
i条传播路径的到达角度服从
[
−
π
,
π
]
left[ -pi ,pi right]
[−π,π]的均匀分布。
3)利用脉冲响应表示通频带接收信号 y ~ ( t ) tilde{y}left( t right) y~(t)
基带信道可建模为线性时变滤波器,当路径的时延差远小于采样周期
T
s
T_s
Ts时,路径时延
τ
i
tau _i
τi
可近似为
τ
^
hat{tau}
τ^,则该滤波器的复基带脉冲响应为
h
(
t
,
τ
)
=
∑
i
=
1
I
C
i
e
−
j
ϕ
i
(
t
)
δ
(
t
−
τ
i
)
≈
h
(
t
)
δ
(
t
−
τ
^
)
(2.4)
hleft( t,tau right) =sum_{i=1}^I{C_ie^{-jphi _ileft( t right)}delta left( t-tau _i right)}approx hleft( t right) delta left( t-hat{tau} right) tag{2.4}
h(t,τ)=i=1∑ICie−jϕi(t)δ(t−τi)≈h(t)δ(t−τ^)(2.4)
其中
h
(
t
)
=
∑
i
=
1
I
C
i
e
−
j
ϕ
i
(
t
)
hleft( t right) =sum_{i=1}^I{C_ie^{-jphi _ileft( t right)}}
h(t)=∑i=1ICie−jϕi(t)。
假设基带发射信号
x
(
t
)
=
1
xleft( t right) =1
x(t)=1,将脉冲响应代入式(2.2),则通频带接收信号可进一步表示为
y
~
(
t
)
=
Re
[
y
(
t
)
e
j
2
π
f
c
t
]
=
Re
[
{
h
I
(
t
)
+
j
h
Q
(
t
)
}
e
j
2
π
f
c
t
]
=
h
I
(
t
)
cos
2
π
f
c
t
−
h
Q
(
t
)
sin
2
π
f
c
t
(2.5)
tilde{y}left( t right) =text{Re}left[ yleft( t right) e^{j2pi f_ct} right]=text{Re}left[ left{ h_Ileft( t right) +jh_Qleft( t right) right} e^{j2pi f_ct} right]\=h_Ileft( t right) cos 2pi f_ct-h_Qleft( t right) sin 2pi f_ct tag{2.5}
y~(t)=Re[y(t)ej2πfct]=Re[{hI(t)+jhQ(t)}ej2πfct]=hI(t)cos2πfct−hQ(t)sin2πfct(2.5)
其中
h
I
(
t
)
h_Ileft( t right)
hI(t)和
h
Q
(
t
)
h_Qleft( t right)
hQ(t)分别为
h
(
t
)
hleft( t right)
h(t)的同相分量和正交分量,可分别表示为
h
I
(
t
)
=
∑
i
=
1
I
C
i
cos
ϕ
i
(
t
)
(2.6)
h_Ileft( t right) =sum_{i=1}^I{C_icos phi _ileft( t right)}tag{2.6}
hI(t)=i=1∑ICicosϕi(t)(2.6)
h
Q
(
t
)
=
−
∑
i
=
1
I
C
i
sin
ϕ
i
(
t
)
(2.7)
h_Qleft( t right) =-sum_{i=1}^I{C_isin phi _ileft( t right)}tag{2.7}
hQ(t)=−i=1∑ICisinϕi(t)(2.7)
由中心极限定理可得,当传播路径数
I
I
I足够大时,同相分量和正交分量可近似为高斯随机变量,因此接收信号的幅度
∣
y
~
(
t
)
∣
=
h
I
2
(
t
)
+
h
Q
2
(
t
)
left| tilde{y}left( t right) right|=sqrt{h_I^2left( t right) +h_Q^2left( t right)}
∣y~(t)∣=hI2(t)+hQ2(t)服从瑞利分布。
4)计算瑞利信道的功率谱密度
由于自相关函数和功率谱密度是一对傅里叶变换,对通频带接收信号
y
~
(
t
)
tilde{y}left( t right)
y~(t)的自相关函数做傅里叶变换,由此得到瑞利衰落的功率谱密度(PSD) 为
S
y
ˉ
y
ˉ
(
t
)
=
{
Ω
p
4
π
f
m
1
1
−
(
f
−
f
c
f
m
)
2
,
∣
f
−
f
c
∣
≤
f
m
0
,
其他
(2.8)
S_{bar{y}bar{y}}left( t right) =left{ begin{array}{l} frac{varOmega _p}{4pi f_m}frac{1}{sqrt{1-left( frac{f-f_c}{f_m} right) ^2}}, left| f-f_c right|le f_m\ 0, text{其他}\ end{array} right. tag{2.8}
Syˉyˉ(t)={4πfmΩp1−(fmf−fc)21, ∣f−fc∣≤fm0, 其他(2.8)
其中 Ω p = E { h I 2 ( t ) } + E { h Q 2 ( t ) } = ∑ i = 1 I C i 2 varOmega _p=Eleft{ h_I^2left( t right) right} +Eleft{ h_Q^2left( t right) right} =sum_{i=1}^I{C_i^2} Ωp=E{hI2(t)}+E{hQ2(t)}=∑i=1ICi2,式(2.8)即为经典多普勒谱的功率谱密度。
三、Jakes模型
根据Clarke理论模型对瑞利衰落的推导,可得接收信号的幅度服从瑞利分布,且其同相分量与正交分量都是服从高斯分布的随机变量,而相位是服从
[
−
π
,
π
]
left[ -pi ,pi right]
[−π,π]的均匀分布。
因此Jakes模型采用复正弦波合成的方法,根据中心极限定理,当正弦波的数量足够多时,经过叠加后得到的接收信号的幅度近似服从瑞利分布,由此产生了具有经典谱的单径瑞利信道,在物理上近似实现了Clarke理论模型。下面是Jakes模型的具体步骤。
1)设置经过多普勒频移的平面波
设有N个平面波,定义
N
0
=
(
N
2
−
1
)
/
2
N_0=left( dfrac{N}{2}-1 right) /2
N0=(2N−1)/2,其中限定
N
/
2
N/2
N/2为一个奇数。设经过最大多普勒频移
f
m
f_m
fm的平面波的频率为
ω
d
=
2
π
f
m
omega _d=2pi f_m
ωd=2πfm,初始相位为
ϕ
N
phi _N
ϕN。
设
N
0
N_0
N0个经过多普勒频移的平面波,其中每一个平面波的到达角度为
θ
n
=
2
π
n
N
theta _n=frac{2pi n}{N}
θn=N2πn,频率为
ω
n
=
ω
d
cos
θ
n
omega _n=omega _dcos theta _n
ωn=ωdcosθn,初始相位为
ϕ
n
,
n
=
1
,
2
,
⋯
,
N
0
phi _n, n=1,2,cdots ,N_0
ϕn, n=1,2,⋯,N0。为了使瑞利衰落的相位服从均匀分布,初始相位可设置为
ϕ
N
=
0
ϕ
n
=
π
n
N
0
+
1
,
n
=
1
,
2
,
⋯
,
N
0
(2.9)
phi _N=0\ phi _n=frac{pi n}{N_0+1}, n=1,2,cdots ,N_0 tag{2.9}
ϕN=0ϕn=N0+1πn, n=1,2,⋯,N0(2.9)
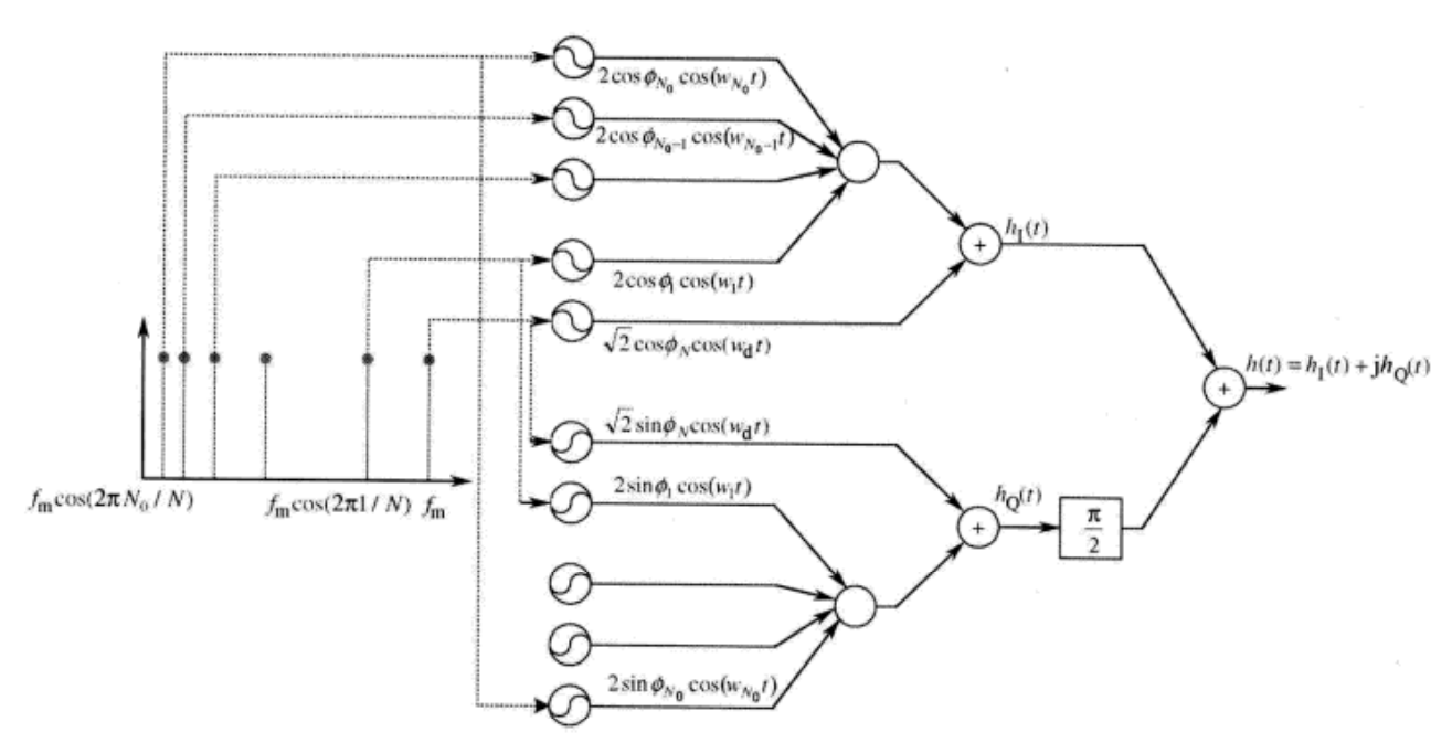
2)合成复正弦波
将上述的
N
0
N_0
N0个经过多普勒频移的平面波的复振荡器的输出求和,然后与经过最大多普勒频移
f
m
f_m
fm
的平面波的复振荡器的输出相加,如图3.1所示。在复振荡器的总和中,实部
h
I
(
t
)
h_Ileft( t right)
hI(t)和虚部
h
Q
(
t
)
h_Qleft( t right)
hQ(t)分别表示为
h
I
(
t
)
=
2
∑
n
=
1
N
0
(
cos
ϕ
n
cos
ω
n
t
)
+
2
cos
ϕ
N
cos
ω
d
t
=
[
cos
ϕ
1
cos
ϕ
n
⋯
cos
ϕ
N
0
cos
ϕ
N
]
⋅
[
2
cos
ω
1
t
2
cos
ω
2
t
⋮
2
cos
ω
N
0
t
2
cos
ω
N
t
]
(2.10)
h_Ileft( t right) =2sum_{n=1}^{N_0}{left( cos phi _ncos omega _nt right)}+sqrt{2}cos phi _Ncos omega _dt\ =left[ cos phi _1 cos phi _n cdots cos phi _{N_0} cos phi _N right] cdot left[ begin{array}{l} 2cos omega _1t\ 2cos omega _2t\ vdots\ 2cos omega _{N_0}t\ sqrt{2}cos omega _Nt\ end{array} right] tag{2.10}
hI(t)=2n=1∑N0(cosϕncosωnt)+2cosϕNcosωdt=[cosϕ1 cosϕn ⋯ cosϕN0 cosϕN]⋅⎣
⎡2cosω1t2cosω2t⋮2cosωN0t2cosωNt⎦
⎤(2.10)
h
Q
(
t
)
=
2
∑
n
=
1
N
0
(
sin
ϕ
n
cos
ω
n
t
)
+
2
sin
ϕ
N
cos
ω
d
t
=
[
sin
ϕ
1
sin
ϕ
n
⋯
sin
ϕ
N
0
sin
ϕ
N
]
⋅
[
2
cos
ω
1
t
2
cos
ω
2
t
⋮
2
cos
ω
N
0
t
2
cos
ω
N
t
]
(2.11)
h_Qleft( t right) =2sum_{n=1}^{N_0}{left( sin phi _ncos omega _nt right)}+sqrt{2}sin phi _Ncos omega _dt\ =left[ sin phi _1 sin phi _n cdots sin phi _{N_0} sin phi _N right] cdot left[ begin{array}{l} 2cos omega _1t\ 2cos omega _2t\ vdots\ 2cos omega _{N_0}t\ sqrt{2}cos omega _Nt\ end{array} right] tag{2.11}
hQ(t)=2n=1∑N0(sinϕncosωnt)+2sinϕNcosωdt=[sinϕ1 sinϕn ⋯ sinϕN0 sinϕN]⋅⎣
⎡2cosω1t2cosω2t⋮2cosωN0t2cosωNt⎦
⎤(2.11)

因此Jakes仿真模型的复输出可以表示为
h ( t ) = E 0 2 N 0 + 1 { h I ( t ) + j h Q ( t ) } (2.12) hleft( t right) =frac{E_0}{sqrt{2N_0+1}}left{ h_Ileft( t right) +jh_Qleft( t right) right} tag{2.12} h(t)=2N0+1E0{hI(t)+jhQ(t)}(2.12)
其中 E 0 E_0 E0为衰落信号的平均幅度。由中心极限定理可得,为了使经过叠加后得到的接收信号的幅度近似服从瑞利分布,当经过多普勒频移的平面波的数量必须足够多,一般取 N 0 = 8 N_0=8 N0=8。
四、Jakes模型的MATLAB仿真
为了完成第二问的仿真任务,我通过MATLAB仿真软件对Jakes模型进行了仿真。根据题设的移动速率
v
=
120
k
m
/
h
v=120 km/h
v=120 km/h的条件,由最大多普勒频移
f
m
f_m
fm公式可得
f
m
=
v
λ
=
v
f
c
c
(2.13)
f_m=frac{v}{lambda}=frac{vf_c}{c}tag{2.13}
fm=λv=cvfc(2.13)
其中
c
=
3
×
1
0
8
m
/
s
c=3times 10^8 m/s
c=3×108 m/s为光速,
f
c
f_c
fc为载波频率。对于载波频率
f
c
f_c
fc我设置为2GHz,代入式(2.13)可得最大多普勒频移
f
m
=
222.2
H
z
f_m=222.2 Hz
fm=222.2 Hz,将数据代入Jakes仿真模型中,可得MATLAB输出的Jakes模型的幅度在时域的特点、幅度与相位的分布、经典模型与仿真模型的自相关函数、多普勒谱如下图所示。



这里的经典模型采用第一类0阶贝塞尔函数的方式得到经典模型的自相关函数,然后对自相关函数做傅里叶变换得到经典模型的功率谱密度,从MATLAB仿真出的经典谱与经典模型的经典谱的图形对比以及自相关函数的对比图可以看出,计算机仿真产生的经典谱与理论推导的经典谱差别不大,仿真与经典的自相关函数仍差距不大,同时我使用均方根误差RMSE进一步对两个图形的多普勒谱的幅度数据进行了对比,RMSE的公式如下:
R
M
S
E
=
1
N
∑
t
=
1
N
(
o
b
s
e
r
v
e
d
t
−
p
r
e
d
i
c
t
e
d
t
)
2
RMSE=sqrt{frac{1}{N}sum_{t=1}^N{left( observed_t-predicted_t right) ^2}}
RMSE=N1t=1∑N(observedt−predictedt)2
经过MATLAB仿真后输出的RMSE约为3.3902,可得仿真数据的精确度较高。
五、Jakes模型的Simulink仿真
为了更进一步地仿真单径瑞利信道,本次我也采用了Simulink做出了如下图所示的仿真框图。

为了更快地仿真完,设置采样频率为100kHz,仿真时间为20s。然后设置最大多普勒频移
f
m
=
222.2
H
z
f_m=222.2 Hz
fm=222.2 Hz。注意在单径瑞利信道模块中开启多普勒频谱的可视化,最后连接好频谱分析仪,运行Simulink后,得到如下结果。

由对比图可得,实际测量的样本接近于理论多普勒谱(经典谱)。然后观察频谱分析仪得到的结果。


由频谱图可得,两个峰值对应的频率约为205Hz、-205Hz,其绝对值接近于设置的最大多普勒频移 f m = 222.2 H z f_m=222.2 Hz fm=222.2 Hz。综上,可以判断出我用计算机产生的经典谱是正确的。
六、总结
感谢大家能阅读到这里!这是我时隔一年多又一次开始动笔写技术博客了,哈哈感觉还是生疏了,对于Markdown的有些格式问题弄了挺久的,自己也查阅了很多不懂知识,参考了很多资料,感谢前辈们的帮助!自己还是写得不太好,还请读者们多多指教,不过真的感觉写博客还是很有趣的!如果这篇博客能够帮助到大家,我自己就很开心了!
这次通过写老师布置的作业,学会了在网上查找资料,然后阅读分析,消化吸收相关的内容,基本上Clarke理论模型、Jakes仿真模型搞懂了,然后也温习了一遍MATLAB,写了写仿真代码,用轻薄本跑了跑程序,哈哈每跑一次风扇都要转起来!也熟悉了Simulink的使用,希望自己之后能继续加油。雄关漫道真如铁,而今迈步从头越!
这里是本文的参考文献:
[1]:matlab实现单径瑞利信道仿真中经典多普勒谱(Clarke模型、Jakes模型)
[2]:MIMO-OFDM无线通信技术及MATLAB实现
[3]:均方误差(MSE)和均方根误差(RMSE)和平均绝对误差(MAE)
[4]:瑞利信道建模 matlab程序原理到实现
最后
以上就是合适毛衣最近收集整理的关于瑞利信道的多普勒谱的原理与MATLAB仿真一、问题二、Clarke模型三、Jakes模型四、Jakes模型的MATLAB仿真五、Jakes模型的Simulink仿真六、总结的全部内容,更多相关瑞利信道内容请搜索靠谱客的其他文章。
发表评论 取消回复