1.输入输出配置,这里因为在最开始定义了SMO参数的结构体,为了方便参数传递,把参数作为了输入量

出来就是这造型:

2.创建一个.h引入外部变量,.h要如果要用到一些特殊的变量或者函数,需要包含相应的头文件,这里创建的变量是为了在观测器中使用方便

3.包含刚刚定义的.h
4.写函数体(这里就不放出源代码了) ,函数体是在Outputs里编写和执行

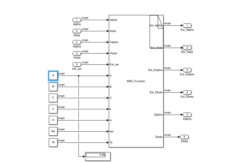
5.用一个子模块把S-fuction封装一下,传递参数

6.运行仿真,粉色为Valpha,蓝色为Ealpha

蓝色是观测角,黄色是直接读的电机角度

最后
以上就是单纯冬日最近收集整理的关于Simulink S-function builder创建一个.C的全阶滑模观测器操作步骤的全部内容,更多相关Simulink内容请搜索靠谱客的其他文章。
本图文内容来源于网友提供,作为学习参考使用,或来自网络收集整理,版权属于原作者所有。
发表评论 取消回复