本篇详细的记录了如何使用STM32CubeMX配置STM32L431RCT6的ADC外设,读取DAC输出引脚的电压值。
1. 准备工作
硬件准备
- 开发板
首先需要准备一个开发板,这里我准备的是STM32L4的开发板(BearPi):

软件准备
- 需要安装好Keil - MDK及芯片对应的包,以便编译和下载生成的代码;
Keil MDK和串口助手的安装包都可以关注“小熊派开源社区”微信公众号,在资料教程一栏中可获取安装包。
2.生成MDK工程
选择芯片型号
打开STM32CubeMX,打开MCU选择器:

搜索并选中芯片STM32L431RCT6:

配置时钟源
- 如果选择使用外部高速时钟(HSE),则需要在System Core中配置RCC;
- 如果使用默认内部时钟(HSI),这一步可以略过;
这里我都使用外部时钟:

配置串口
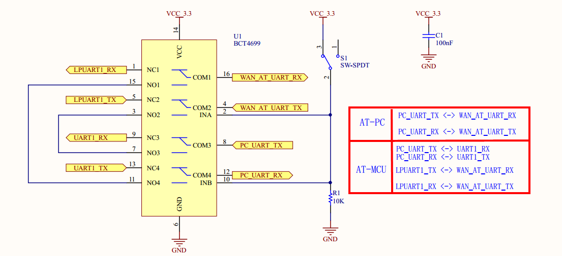
小熊派开发板板载ST-Link并且虚拟了一个串口,原理图如下:

这里我将开关拨到AT-MCU模式,使PC的串口与USART1之间连接。
接下来开始配置USART1:

配置DAC
确定DAC输出通道
查看小熊派E53接口的原理图:

配置DAC
选择DAC1,开启输出通道2,配置保持默认即可:

配置ADC
知识小卡片 —— ADC
ADC全称 Analog-to-Digital Converter,即模拟-数字转换器,可以将连续变化的模拟信号转换为离散的数字信号,进而使用数字电路进行处理,称之为数字信号处理。
STM32L431xx 系列有 1 个 ADC,ADC 分辨率高达 12 位,每个 ADC 具有多达 20 个的采集
通道,这些通道的 A/D 转换可以单次、连续、扫描或间断模式执行。 ADC 的结果可以左对齐
或右对齐方式存储在 16 位数据寄存器中。
STM32L431 的 ADC 最大的转换速率为 5.33Mhz,也就是转换时间为 0.188us(12 位分辨率
时),ADC 的转换时间与 AHB 总线时钟频率无关。
知识小卡片结束啦~对ADC有没有了解呢?
确定ADC通道
查看小熊派E53接口的原理图:

配置ADC(单次转换模式)
首先选择ADC1,开启通道3:

接下来是对ADC的设置,这里我们保持默认即可:

最后设置ADC的转换规则:

其余的一些设置保持默认即可。
配置时钟树
STM32L4的最高主频到80M,所以配置PLL,最后使HCLK = 80Mhz即可:



生成工程设置

代码生成设置
最后设置生成独立的初始化文件:

生成代码
点击GENERATE CODE即可生成MDK-V5工程:

3. 在MDK中编写、编译、下载用户代码
重定向printf( )函数
参考:重定向printf函数到串口输出的多种方法。
编写读取数据的测试代码
修改main函数如下:
int main(void)
{
/* USER CODE BEGIN 1 */
uint16_t i = 0;
uint16_t adc_value = 0;
float vol = 0.0;
/* USER CODE END 1 */
HAL_Init();
SystemClock_Config();
MX_GPIO_Init();
MX_DAC1_Init();
MX_USART1_UART_Init();
MX_ADC1_Init();
/* USER CODE BEGIN 2 */
printf("DAC Test...rn");
HAL_DAC_Start(&hdac1, DAC_CHANNEL_2);
/* USER CODE END 2 */
/* Infinite loop */
/* USER CODE BEGIN WHILE */
while (1)
{
/* USER CODE END WHILE */
/* USER CODE BEGIN 3 */
for(i = 0; i < 4096; i++)
{
HAL_DAC_SetValue(&hdac1, DAC_CHANNEL_2, DAC_ALIGN_12B_R, i);
HAL_Delay(2);
if(i%1024 == 0)
{
/* 使用ADC采样 */
HAL_ADC_Start(&hadc1); //启动ADC单次转换
HAL_ADC_PollForConversion(&hadc1, 50); //等待ADC转换完成
adc_value = HAL_ADC_GetValue(&hadc1); //读取ADC转换数据
vol = ((double)adc_value/4096)*3.3;
printf("adc_value = %d, vol = %.2fV.n", adc_value, vol);
}
}
printf("DAC test finish, test again!rn");
}
/* USER CODE END 3 */
}

至此,我们已经学会如何使用ADC读取DAC输出引脚的电压值。
最后
以上就是光亮诺言最近收集整理的关于STM32单片机基础21——使用ADC读取电压值1. 准备工作2.生成MDK工程3. 在MDK中编写、编译、下载用户代码的全部内容,更多相关STM32单片机基础21——使用ADC读取电压值1.内容请搜索靠谱客的其他文章。
发表评论 取消回复