我是靠谱客的博主 苹果大雁,这篇文章主要介绍设计一个同步时序电路, 使得每输入4个周期的CLK脉冲, 便输出一个正脉冲, 其宽度等于CLK脉冲的宽度. 要求用下降沿触发的JK触发器和尽可能少的门电路构成.,现在分享给大家,希望可以做个参考。
注意"脉冲宽度等于CLK脉冲的周期"和"脉冲宽度等于CLK脉冲的宽度"这两种表达的区别.
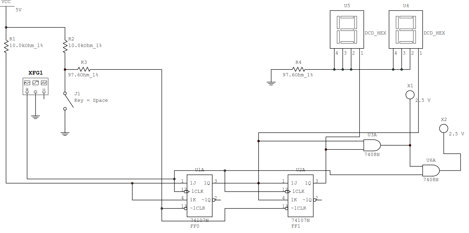
若想使脉冲宽度等于CLK脉冲的宽度, 只需将原本的输出Z再与CLK信号相与即可.
(右下角输出为本题的输出(X2), 左上角输出为上一篇博文题目的输出(X1))

最后
以上就是苹果大雁最近收集整理的关于设计一个同步时序电路, 使得每输入4个周期的CLK脉冲, 便输出一个正脉冲, 其宽度等于CLK脉冲的宽度. 要求用下降沿触发的JK触发器和尽可能少的门电路构成.的全部内容,更多相关设计一个同步时序电路,内容请搜索靠谱客的其他文章。
本图文内容来源于网友提供,作为学习参考使用,或来自网络收集整理,版权属于原作者所有。
发表评论 取消回复