Wi-Fi FEM是Wi-Fi通信中的一系列射频前端电路,如功率放大器(PA)、射频开关、低噪声放大器(LNA)集成在一起的射频模组芯片,主要应用在路由器、企业AP以及各种无线收发场景上。其中最贴近大众的产品——Wi-Fi 6路由器已经在千家万户普及,越来越多的人享受到了高速率路由器上网时带来的舒适感。而该产品的核心无线连接芯片组成包括控制芯片、TRx收发芯片、射频前端芯片。Wi-Fi 6 FEM是射频前端芯片未来几年的重要一环,伴随着WiFi6对于发射功率以及线性度性能指标要求更高,Wi-Fi 6 FEM出现了量价齐升的情况,国产Wi-Fi 6射频前端芯片性能表现与海外大厂产品一直有一定距离,未来市场空间广阔。

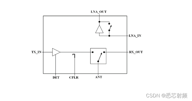
射频前端模块结构图
目前国内虽然有不少初创公司打着自研wifi fem的旗号,在资本市场到处招摇,但是最终做出可靠产品的确实寥寥无几。
本月发现了国内一家成立一年多的公司推出了的一套高性能wifi6 fem套片
产品指标如下:
2.4GHz FEM SYDN121C

与海外大厂性能指标对比图:


SYDN121C DEVM实测图
5GHz FEM SYDN151C

与海外大厂性能指标对比图:

SYDN151C MCS11 HE160 -43dB DEVM实测图

SYDN151C MCS11 HE80 -43dB DEVM实测图
- 该公司发布的Wi-Fi 6应用系列产品列表如下:

最后
以上就是苹果大雁最近收集整理的关于WIFI6 FEM高性能国产替代芯片的全部内容,更多相关WIFI6内容请搜索靠谱客的其他文章。
本图文内容来源于网友提供,作为学习参考使用,或来自网络收集整理,版权属于原作者所有。
发表评论 取消回复