Toggle navigation
首页
博客
下载
AI
科技
互联网
会员
中心
会员中心
发布资讯
发布博文
发布资源
首页
文章中心
数字电路
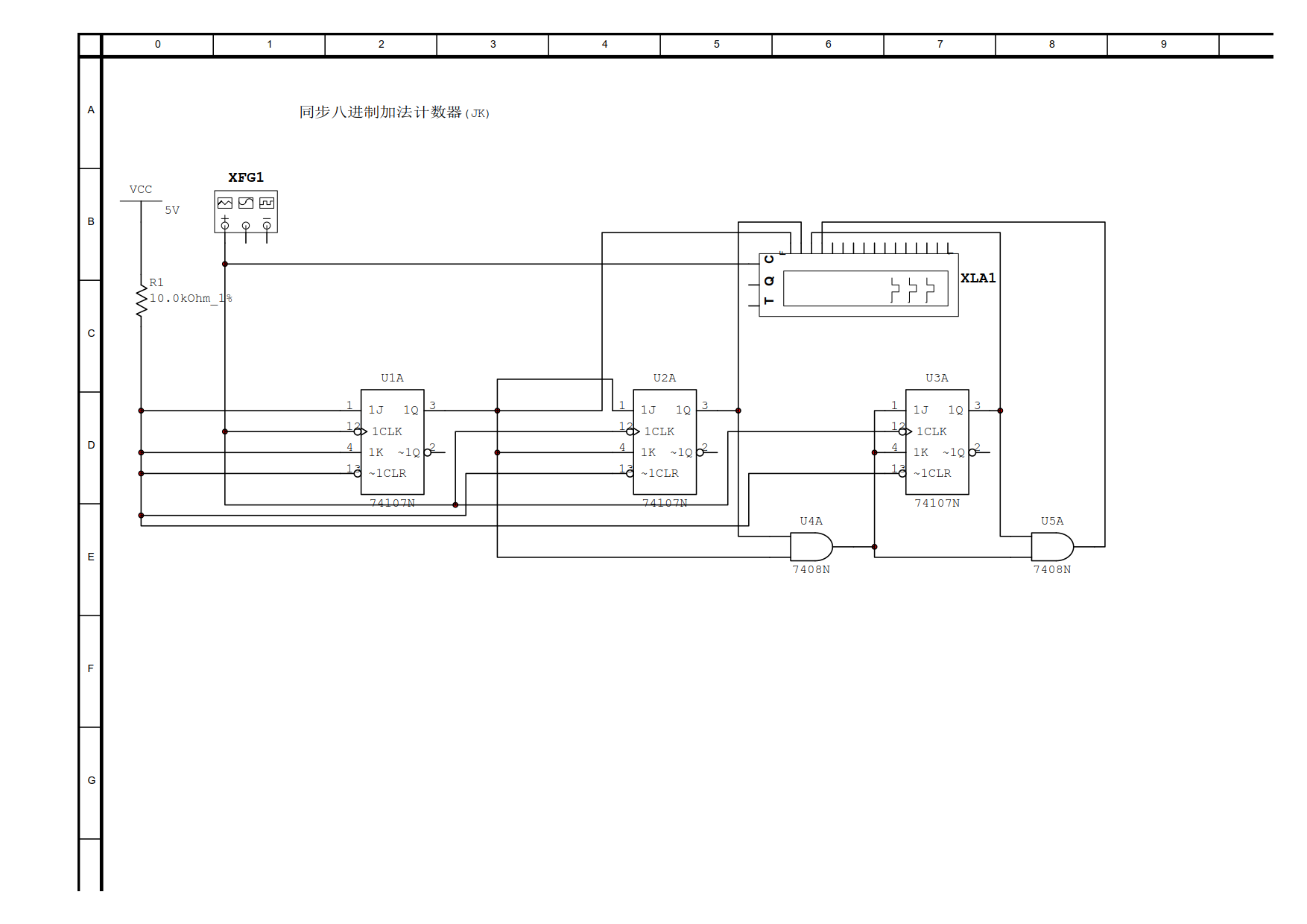
同步八进制加法计数器
210 阅读
0 评论
139 点赞
我是
靠谱客
的博主
优雅水壶
,这篇文章主要介绍
同步八进制加法计数器
,现在分享给大家,希望可以做个参考。
最后
以上就是
优雅水壶
最近收集整理的关于
同步八进制加法计数器
的全部内容,更多相关
同步八进制加法计数器
内容请搜索靠谱客的其他文章。
本图文内容来源于网友提供,作为学习参考使用,或来自网络收集整理,版权属于原作者所有。
点赞(
139
)
本文分类:
数字电路
浏览次数:
210
次浏览
发布日期:2023-05-30 19:19:01
本文链接:
https://www.kaopuke.com/article/k-p-k_14_ujogfz_14_j_18_x.html
相关文章
数字电子技术期末题型第一章第二章第三章第四章第五章第六章
格雷码计数器实现
异步八进制减法计数器
碎碎念:路由原理逻辑图路由原理逻辑
同步八进制加法计数器
【计算机系统要素】使用D触发器实现寄存器、内存和计数器D触发器寄存器内存计数器
数电实验:用74LS160/74LS161设计6进制,96进制,140进制计数器
数电课设交通灯控制器
评论列表
共有
0
条评论
发表评论
取消回复
登录
注册新账号
立即
投稿
返回
顶部
发表评论 取消回复