计数器不仅能用于对时钟脉冲计数,还可以用于分频,定时,产生节拍脉冲序列以及进行数字运算等,分为同步计数器和异步计数器,在同步计数器中,当时钟脉冲的输入时,触发器的翻转是同时发生的。而在异步计数中,触发器的翻转有先有后,不是同时发生的。
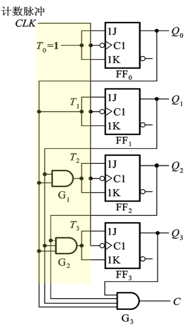
1.同步四位二进制加法计数器:

各触发器的驱动方程:
T0 = 1;
T1 = Q0
T2 = Q0Q1
T3 = Q0Q1Q2
2.四位10进制的计数器
在四位二进制计数器的基础上修改,当计算到1001时,则下一个clk状态回到0000

驱动方程:
T0 = 1;
T1 = Q0Q3`
T2 = Q0Q1
T3 = Q0Q1Q2 + Q0Q3`
其verilog编程比较简单:用一个always块即可实现:
`timescale 1ns/10ps
module counter10(clk,rst,count);
input clk,rst;
output [3:0] count;
reg [3:0] q;
assign count = q;
always@(posedge clk)
begin
if(!rst)
q <= 0;
else if(q >= 4'd9)
q <= 0;
else
q <= q + 1;
end
endmodule
编写一个testbench
module counter10_tb();
reg rst;
reg clk;
wire [3:0] count;
counter10 wt(.clk(clk),.rst(rst), .count(count));
initial
begin
rst <= 0;
clk <= 0;
#50 rst <= 1;
#2000 rst <= 0;
end
always
#10 clk = ~clk;
endmodule
通过vcs仿真:vcs add10 -R -gui +v2k
得到的波形:

最后
以上就是优秀溪流最近收集整理的关于10进制计数器Verilog编程的全部内容,更多相关10进制计数器Verilog编程内容请搜索靠谱客的其他文章。
本图文内容来源于网友提供,作为学习参考使用,或来自网络收集整理,版权属于原作者所有。
发表评论 取消回复