我是靠谱客的博主 娇气戒指,这篇文章主要介绍D触发器D触发器,现在分享给大家,希望可以做个参考。

D触发器

简介

  
  

  

边沿D 触发器

  电平触发的主从触发器工作时,必须在正跳沿前加入输入信号。如果在CP 高电平期间输入端出现干扰信号,那么就有可能使触发器的状态出错。而边沿触发器允许在CP 触发沿来到前一瞬间加入输入信号。这样,输入端受干扰的时间大大缩短,受干扰的可能性就降低了。边沿D触发器也称为维持-阻塞边沿D触发器。

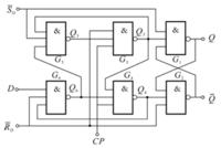
电路结构

  该触发器由6个与非门组成,其中G1和G2构成基本RS触发器。

工作原理

  SD 和RD 接至基本RS 触发器的输入端,它们分别是预置和清零端,低电平有效。当SD=0且RD=1时,不论输入端D为何种状态,都会使Q=1,Q非=0,即触发器置1;当SD=1且RD=0时,触发器的状态为0,SD和RD通常又称为直接置1和置0端。我们设它们均已加入了高电平,不影响电路的工作。工作过程如下:
  1.CP=0时,与非门G3和G4封锁,其输出Q3=Q4=1,触发器的状态不变。同时,由于Q3至Q5和Q4至Q6的反馈信号将这两个门打开,因此可接收输入信号D,Q5=D非,Q6=Q5非=D。

  

 

 

 

 

 

 

 

 

 

 

 

D触发器原理

2.当CP由0变1时触发器翻转。这时G3和G4打开,它们的输入Q3和Q4的状态由G5和G6的输出状态决定。Q3=Q5非=D,Q4=Q6非=D非。由基本RS触发器的逻辑功能可知,Q=Q3=D。
  3.触发器翻转后,在CP=1时输入信号被封锁。这是因为G3和G4打开后,它们的输出Q3和Q4的状态是互补的,即必定有一个是0,若Q3为0,则经G3输出至G5输入的反馈线将G5封锁,即封锁了D通往基本RS 触发器的路径;该反馈线起到了使触发器维持在0状态和阻止触发器变为1状态的作用,故该反馈线称为置0维持线,置1阻塞线。Q4为0时,将G3和G6封锁,D端通往基本RS触发器的路径也被封锁。Q4输出端至G6反馈线起到使触发器维持在1状态的作用,称作置1维持线;Q4输出至G3输入的反馈线起到阻止触发器置0的作用,称为置0阻塞线。因此,该触发器常称为维持-阻塞触发器。总之,该触发器是在CP正跳沿前接受输入信号,正跳沿时触发翻转,正跳沿后输入即被封锁,三步都是在正跳沿后完成,所以有边沿触发器之称。与主从触发器相比,同工艺的边沿触发器有更强的抗干扰能力和更高的工作速度。功能描述

特征

1.特征表

  
2.特征方程
  Qn+1=D

3.时序图

  
  

波形图(CP,D,Q)

脉冲特性

  1.建立时间:由图7.8.4维持阻塞触发器的电路可见,由于CP信号是加到门G3和G4上的,因而在CP上升沿到达之前门G5和G6输出端的状态必须稳定地建立起来。输入信号到达D端以后,要经过一级门电路的传输延迟时间G5的输出状态才能建立起来,而G6的输出状态需要经过两级门电路的传输延迟时间才能建立,因此D端的输入信号必须先于CP的上升沿到达,而且建立时间应满足: tset≥2tpd。
  2.保持时间:由图7.8.1可知,为实现边沿触发,应保证CP=1期间门G5的输出状态不变,不受D端状态变化的影响。为此,在D=0的情况下,当CP上升沿到达以后还要等门G3输出的低电平返回到门G5的输入端以后,D端的低电平才允许改变。因此输入低电平信号的保持时间为tHL≥tpd。在 D=1的情况下,由于CP上升沿到达后G4的输出将G3封锁,所以不要求输入信号继续保持不变,故输入高电平信号的保持时间tHH=0。
  3.传输延迟时间:由图7.8.3不难推算出,从CP上升沿到达时开始计算,输出由高电平变为低电平的传输延迟时间tPHL和由低电平变为高电平的传输延迟时间tPLH分别是:tPHL=3tpd tPLH=2tpd
  

D触发器

4.最高时钟频率:为保证由门G1~G4组成的同步RS触发器能可靠地翻转,CP高电平的持续时间应大于 tPHL,所以时钟信号高电平的宽度tWH应大于tPHL。而为了在下一个CP上升沿到达之前确保门G5和G6新的输出电平得以稳定地建立,CP低电平的持续时间不应小于门G4的传输延迟时间和tset之和,即时钟信号低电平的宽度tWL≥tset+tpd,因此得到:
  最后说明一点,在实际集成触发器中,每个门传输时间是不同的,并且作了不同形式的简化,因此上面讨论的结果只是一些定性的物理概念。其真实参数由实验测定。
  z 在考虑建立保持时间时,应该考虑时钟树向后偏斜的情况,在考虑建立时间时应该考虑时钟树向前偏斜的情况。在进行后仿真时,最大延迟用来检查建立时间,最小延时用来检查保持时间。
  

D触发器

z 建立时间的约束和时钟周期有关,当系统在高频时钟下无法工作时,降低时钟频率就可以使系统完成工作。保持时间是一个和时钟周期无关的参数,如果设计不合理,使得布局布线工具无法布出高质量的时钟树,那么无论如何调整时钟频率也无法达到要求,只有对所设计系统作较大改动才有可能正常工作,导致设计效率大大降低。因此合理的设计系统的时序是提高设计质量的关键。在可编程器件中,时钟树的偏斜几乎可以不考虑,因此保持时间通常都是满足的。

VHDL语言设计

  使用VHDL语言设计D触发器
  LIBRARY ieee;
  USE ieee.std_logic_1164.all;
  ENTITY dflipflop IS
  PORT (D,C : IN STD_LOGIC;
  Q : OUT STD_LOGIC);
  END dflipflop;
  ARCHITECTURE Behavior OF dflipflop IS
  BEGIN
  PROCESS( C )
  BEGIN
  IF C'EVENT AND C='1' THEN
  Q<=D;
  END IF;
  END PROCESS;
  END Behavior;
  使用Verilog HDL语言实现D触发器(带R、S端)
  //门级
  module cfq(s,r,d,clk,q,qbar);
  input s,r,d,clk;
  output q,qbar;
  wire na1,na2,na3,na4;
  nand
  nand1(na1,s,na4,na2),
  nand2(na2,r,na1,clk),
  nand3(na3,na2,clk,na4),
  nand4(na4,na3,r,d),
  nand5(q,s,na2,qbar),
  nand6(qbar,q,r,na3);
  endmodule
  或
  //行为级
  module dff_rs_async(clk,r,s,d,q);
  input clk,r,s,d;
  output q;
  reg q;
  always@(posedge clk or posedge r or posedge s)
  begin
  if(r) q<=1'b0;
  else if(s) q<=1'b1;
  else q<=d;
  end
  endmodule
   d触发器芯片有: 74HC74 74LS90 双D触发器74LS74
  
  74LS364八D触发器(三态)
  7474、74 H74、74F74、74ALS74、74L74、74LS74A、74S74、74HC73、74C74双D型正沿触发器(带预置和清除端)
  74174、74LS174、74F174、74ALS174、74S174、74HC174、74C174 六D型触发器(带清除端)
  74175、74LS175、74F175、74ALS175、74S175、74HC175、74C175 四D型触发器(带清除端)
  74273、74LS273、74S273、74F273、74ALS273、74HC273 八D型触发器(带清除端)
  74LS377、74F377、74S3777 八D 触发器
  74LS378、74F378、74S378、74HC378 六D 触发器
  74LS379、74F379、74S379、74HC379八D 触发器

最后

以上就是娇气戒指最近收集整理的关于D触发器D触发器的全部内容,更多相关D触发器D触发器内容请搜索靠谱客的其他文章。

本图文内容来源于网友提供,作为学习参考使用,或来自网络收集整理,版权属于原作者所有。
点赞(219)

评论列表共有 0 条评论

立即
投稿
返回
顶部