我是靠谱客的博主 曾经歌曲,这篇文章主要介绍边沿触发器(T触发器)【 1. 上升沿触发器 】【 2. 下降沿触发器 】【3. 有异步置位、复位端的边沿触发器 】【 4. T触发器 】,现在分享给大家,希望可以做个参考。
- 使用目的:
提高可靠性,增强抗干扰能力,希望触发器的次态仅取决于CLK的下降沿(或上升沿)到来时的输入信号状态,与在此前、后输入的状态没有关系。
【 1. 上升沿触发器 】
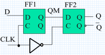
用两个电平触发D触发器组成的边沿触发器
-
电路结构

-
电路原理


即:
- 由两个D电平触发器组成(D电平触发器的输出=其输入)
- CLK=1时,D电平触发器正常工作,CLK=0时,D电平触发器会锁存其变为0前瞬间的输出状态,并保持这个输出状态不变。
- CLK=0时,CLK1=1,FF1正常工作;CLK2=0,FF2处于“锁存状态”。
- CLK=1时,CLK1=0,FF1处于“锁存”状态;CLK2=1,FF2正常工作;
此时的FF2的输入为FF1的输出,由于FF1锁存保持输出不变,故FF2的输出也不变且等于FF1的输出。
-
真值表

-
时序图

-
总结
输出Q仅在CLK的上升沿时发生改变并改变为与输入D相同的状态(1/0),其他状态均保持不变。
【 2. 下降沿触发器 】
-
电路结构


-
时序图

-
总结
输出Q仅在CLK下降沿时发生改变并改变为与输入D相同的状态(1/0),其他状态均保持不变。
【3. 有异步置位、复位端的边沿触发器 】

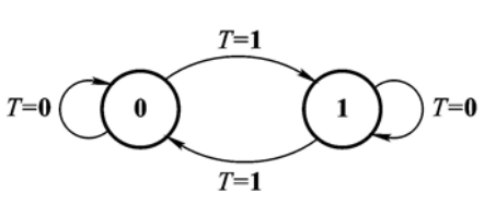
【 4. T触发器 】

-
工作原理
每当时钟信号下降沿且T=1时进行翻转
-
功能描述

-
T’ 触发器
- 当T=1时,Q*=Q´,这时候也可以称为T ´触发器。
- 即时钟信号下降沿来临时会翻转。
最后
以上就是曾经歌曲最近收集整理的关于边沿触发器(T触发器)【 1. 上升沿触发器 】【 2. 下降沿触发器 】【3. 有异步置位、复位端的边沿触发器 】【 4. T触发器 】的全部内容,更多相关边沿触发器(T触发器)【内容请搜索靠谱客的其他文章。
本图文内容来源于网友提供,作为学习参考使用,或来自网络收集整理,版权属于原作者所有。
发表评论 取消回复