在电压转换电路中,LDO和DC-DC电路是最常用的两种方式,本篇主要介绍LDO相关内容。
LDO是线性电源的一种,它可以实现电源电压的转换,不过主要用在降压领域。它的全称是Low Dropout Regulaor,就是低压差线性稳压器,这个低压差就表示它的输入输出电势差不会太大,所以叫低压差。
在理解上可以看作LDO=低压差+线性+稳压器。
那LDO有哪些特点呢?

对于LDO电路,相对与DCDC电路,它具备成本低,噪音低,静态电流小等优点,并且在实际运用中,它需要的外接元件也更少,通常仅仅需要一两个旁路电容就可以了。

比如型号spx3819(某一常用LDO电路芯片)的电路图如下图所示,可以看到它的外围电路器件非常简单。

在对LDO的理解中,可以对LDO的组成部分分开理解。

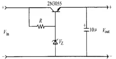
比如上图,它是一个基本的低压降稳压器,通过电阻R进行分压,下半部分为稳压电路,具有稳压管元件,它的稳压工作区间决定了输出稳压的范围,虽然是一个简单的电路,但是它可以实现小电流(百mA级别),小动态范围内的稳压作用。

如果在电路中加入一个三极管,就可以起到反馈调节的作用,如上图,当输入电压Vin增大时,输出电压Vout就会瞬间增大,三极管的射极电Ve也会增大,此时如果基极电压Vb不变,发射结电压就会减少,进而输出电流减少,Vout也相应减小,可以看成是一个基本的低压差稳压器。
如果加上线性,就是如下图所示的电路(一个简单的LDO电路)。

相比于低压差稳压器电路,它增加了运算放大器,作用上加深的反馈效果同时提高输出输出电压的稳定性。
当输入电压Vin增大或输出负载电阻增大时,输出电压Vout也会瞬间增加,通过R1,R2采样得到的电压也会增加,因为是反向端输入,所以运放A的输出会相应减少,则Vb-Ve就会减少,进而Vout减小。其中R1,R2的分压作用是LDO的原理核心,所以LDO只能用于降压,不能用于升压,并且电流不能过大。

通过对于上面LDO电路的举例,就可以理解LDO内部有四个部分组成:分别是基准参考电压,误差放大器,分压抽取电路和晶体管调整电路。
基准参考电压:就是正向输入端的电压,也是LDO的输入电压,也称基准电压。
误差放大器:将采集到的电压输入到比较器反向输入端,与正向输入端的基准电压进行比较,再将比较结果放大,如果反向输入端电压增大,则会导致运放的输出端减小。
分压抽取电路:就是电路图中的R1,R2,通过它们对输出电压进行采集
晶体管调整电路:运放放大后的信号会输送到晶体管的基极,从而放大后的信号可以控制晶体管的导通电压,形成一个负反馈调节回路。

最后
以上就是老实夕阳最近收集整理的关于常说的LDO电路是啥?(简单版)的全部内容,更多相关常说内容请搜索靠谱客的其他文章。
发表评论 取消回复