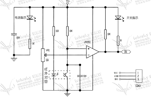
红外发射与接收电路的典型应用电路一:电压比较器电路
在某宝上购买了一个传感器模块,采用的直流调制电路,也就是说通过供直流电的方式供电,从价格来看,只能作为简单的调试来用。

发射电路:VCC供电,经过限流电阻,给发射管供电,限流电阻决定了供电电流的大小,根据发射管规格书,电流越大发射功率越强。
接收电路:VCC供电,经过限流电阻,给接收管供电,该电路可以调节接收的灵敏度。
电压比较器:参考电压通过滑动变阻器分压来决定,可设定检测距离。
电路分析:
没有物品的时候,接收管接收不到反射红外线,不导通,LM393的+极的电压为VCC,可能会比VCC要小,因为即使没有反射光的话,自然界也有微弱的红外,另外接收管会有暗电流,大概uA的级别,请参考规格书,与LM393的+与-极电压比较;
有物品的时候,接收管接收到了红外线,导通,LM393的+极的电压为会根据反射光的强弱变化,反射光越强电压越低,反射光越弱电压越高。

一、验证购买的板子
1、没有物品遮挡的时候,LM393的正极为VCC,LM393的负极电压Vref,Vref低于低于VCC,LM393输出高电平VCC,开关指示灯熄灭;有物品遮挡,LM393的正极的电压为红外接收管导通后的阻抗与10K分压,LM393的负极电压Vref,Vref高于VCC,LM393输出电平为0,开关指示灯点亮。
2、通过调整滑动变阻器,可以实现距离远近的调整。调整滑动变阻器的大小,实现了调整Vref的大小,Vref电压越大,检测的距离越远,反之则越近。
3、红外接收管的限流电阻很重要,此电阻牵扯到检测的距离和灵敏度。
二、调试中遇到的问题:
1、调试中使用自己购买的红外发射管和接收管,发现更换好自己的发射管和接收管,与原始购买板子上对比,发现检测距离变短。
原因:红外接收上拉电阻原设计是10K,接收管的内阻实测是20K;而我自己购买的接收管的阻抗是50K,将10K改为20K,检测距离增加,有25cm增加到35cm。实测中发现,增大该电路,将导致灵敏度异常灵敏,容易发生误报。
2、注意LM393本身也有电压差,比如LM393的正极电压要大于LM393负极电压±0.3V以后,才会出现输出翻转。
综上所述,该电路的设计,需要注意发射电流的大小,接收管的灵敏度,以及LM393电压比较器的本身存在的误差。仅仅适用于室内,且没有太阳光光线干扰。
最后
以上就是要减肥樱桃最近收集整理的关于红外发射与接收电路的典型应用电路一的全部内容,更多相关红外发射与接收电路内容请搜索靠谱客的其他文章。
发表评论 取消回复