L298N是专用驱动集成电路,属于H桥集成电路,与L293D的差别是其输出电流增大,功率增强。其输出电流为2A,最高电流4A,最高工作电压50V,可以驱动感性负载,如大功率直流电机,步进电机,电磁阀等,特别是其输入端可以与单片机直接相联,从而很方便地受单片机控制。当驱动直流电机时,可以直接控制步进电机,并可以实现电机正转与反转,实现此功能只需改变输入端的逻辑电平。
L298N芯片可以驱动两个二相电机,也可以驱动一个四相电机,输出电压最高可达50V,可以直接通过电源来调节输出电压;可以直接用单片机的IO口提供信号;而且电路简单,使用比较方便。
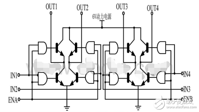
L298N可接受标准TTL逻辑电平信号VSS,VSS可接4.5~7V电压。4脚VS接电源电压,VS电压范围VIH为+2.5~46V。输出电流可达2A,可驱动电感性负载。1脚和15脚下管的发射极分别单独引出以便接入电流采样电阻,形成电流传感信号。L298可驱动2个电动机,OUT1,OUT2和OUT3,OUT4之间可分别接电动机,本实验装置我们选用驱动一台电动机。5,7,10,12脚接输入控制电平,控制电机的正反转。EnA,EnB接控制使能端,控制电机的停转。下图是L298N内部原理图。

二、L298N中文资料汇总—L298N引脚图及功能
LN298引脚图
L298N逻辑功能表

In3,In4的逻辑图与表1相同。由表1可知EnA为低电平时,输入电平对电机控制起作用,当EnA为高电平,输入电平为一高一低,电机正或反转。同为低电平电机停止,同为高电平电机刹停。
三、L298N中文资料汇总—L298N工作原理
L298N控制器原理如下:
图3是控制器原理图,由3个虚线框图组成。

(1)虚线框图1控制电机正反转,U1A,U2A是比较器,VI来自炉体压强传感器的电压。当VI>VRBF1时,U1A输出高电平,U2A输出高电平经反相器变为低电平,电机正转。同理VI<VRBF1时,电机反转。电机正反转可控制抽气机抽出气体的流量,从而改变炉体压强。
(2)虚线框图2中,U3A,U4A两个比较器组成双限比较器,当VB<VI<VA时输出低电平,当VI>VA,VI<VB时输出高电平。VA,VB是由炉体压强转感器转换电压的上下限,即反应炉体压强控制范围。根据工艺要求,我们可自行规定VA,VB的值,只要炉体压强在VA,VB所确定范围之间电机停转(注意VB<VRBF1<VA,如果不在这个范围内,系统不稳定)。
(3)虚线框图3是一个长延时电路。U5A是一个比较器,Rs1是采样电阻,VRBF2是电机过流电压。Rs1上电压大于VREF2,电机过流,U5A输出低电平。由上面可知,框图1控制电机正反转,框图2控制炉体压强的纹波大小。当炉体压强太小或太大时,电动机转到两端固定位置停止,根据直流电机稳态运行方程[3]:
U=CeФN+RaIa
其中:Ф为电机每极磁通量;
Ce为电动势常数;
N为电机转数;
Ia为电枢电流;
Ra电枢回路电阻。
电机转数N为0,电机的电流急剧增加,时间过长将会使电机烧坏。但电机起动时,电机中线圈中的电流也急剧变大,因此我们必须把这两种状态分开。长延时电路可把这两种状态区分出来。长延时电路工作原理:当Rs1过流U5A产生一个负脉冲经过微分后,脉冲触发555的2脚,电路置位,3脚输出高电平,由于放电端7脚开路,C1,R5及U6A组成积分器开始积分,电容C1上的充电电压线性上升,延时运放积分常数为100R5C1。当C1上充电电压,即6脚电压超过2/3VCC,555电路复位,输出低电平。电机启动时间一般小于0.8s,C1充电时间一般为0.8~1s。U5A输出电平与555的3脚输出电平经U7相或,如果U5A输出低电平大于C1充电时间,U7在C1充电后输出低电平由与门U8输入到L298N的6脚ENA端使电机停止。如果U5A的输出电平小于C1充电时间,6脚不动作电机的正常启动。长延时电路吸收电机启动过流电压波形,从而使电机正常启动。
四、L298N中文资料汇总—L298N特性参数
类型: 半桥
输入类型:非反相
输出数:4
电流-输出/通道:2A
电流-峰值输出:3A
电源电压:4.5V~46V
工作温度:-25°C~130°C
安装类型:通孔
封装/外壳:MulTIwatt-15(垂直,弯曲和错列引线)
供应商设备封装:15-MulTIwatt
包装:管件
器件型号L298N
制造商STMicroelectronics
产品型号MotionMotorControl
五、L298N中文资料汇总—L298N典型驱动电路
L298N电机驱动模块性能特点:
1:可实现电机正反转及调速。
2:启动性能好,启动转矩大。
3:工作电压可达到36V,4A。
4:可同时驱动两台直流电机。
5:适合应用于机器人设计及智能小车的设计。

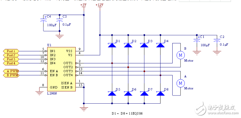
情况一:用L298N驱动两台直流减速电机的电路。引脚A,B可用于PWM控制。如果机器人项目只要求直行前进,则可将IN1,IN2和IN3,IN4两对引脚分别接高电平和低电平,仅用单片机的两个端口给出PWM信号控制使能端A,B即可实现直行、转弯、加减速等动作。
情况二:用L298实现二相步进电机控制。将IN1,IN2和IN3,IN4两对引脚分别接入单片机的某个端口,输出连续的脉冲信号。信号频率决定了电机的转速。改变绕组脉冲信号的顺序即可实现正反转。

模块说明:
IN1-IN4逻辑输入:其中IN1、IN2控制电机M1;IN3、IN4控制电机M2。例如IN1输入高电平1,IN2输入低电平0,对应电机M1正转;IN1输入低电平0,IN2输入高电平1,对应电机M1反转,调速就是改变高电平的占空比。(如何改变占空比请学会百度)
白色芯片:为TLP521-4光隔,作用是光电隔离,保护因电机启动停止瞬间产生的尖峰脉冲对主控制器的影响。
RN1、RN2:上下拉电阻,不用多说;其中470为470欧电阻,5.6K为5600欧电阻。
PWMA、PWMB:L298N使能端(高电平有效,常态下用跳线帽接于VCC),可通过这两个端口实现PWM调速(使用PWM调速时取下跳线帽),具体参考L298N芯片手册。
VIN:电机供电电源接口,如果电机采用9V供电,那么电源正极接VIN,负极接GND即可。
VCC:L298N芯片供电5V,此模块需要外接(最好取逻辑部分的电压供电)
D1-D8:续流二极管-IN4007
M1:电机1接口,没有正负之分,如果发现电机转向不对将电机两线调换即可。
M2:同M1。
注意:
L298N供电的5V如果是用另外电源供电的话,(即不是和单片机的电源共用),那么需要将单片机的GND和模块上的GND连接在一起,只有这样单片机上过来的逻辑信号才有个参考0点。此点非常重要,请大家注意。
最后
以上就是机智鱼最近收集整理的关于l298n的全部内容,更多相关l298n内容请搜索靠谱客的其他文章。

发表评论 取消回复