最全H桥电机驱动模块L298N原理及应用
- H 桥 - 基础知识
- H 桥的静态操作
- H-桥控制电机
- 电机正转控制
- 电机反转控制
- 电机调速
- 电机停止
- H-桥应用
- 主要代码
- 代码讲解
- 总结
H 桥 - 基础知识
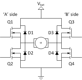
通常,H 桥是一个相当简单的电路,包含四个开关元件,负载位于中心,采用类似 H 的配置。

开关元件 (Q1…Q4) 通常是双极或 FET 晶体管,在某些高压应用中为 IGBT。也存在集成解决方案,但开关元件是否与其控制电路集成与本讨论的大部分内容无关。二极管 (D1…D4) 称为钳位二极管,通常为肖特基类型。
桥的顶端连接到电源(例如电池),底端接地。
一般来说,所有四个开关元件都可以独立打开和关闭,尽管有一些明显的限制。
尽管理论上负载可以是您想要的任何东西,但到目前为止,如果 H 桥带有有刷直流或双极步进电机(步进电机每个电机需要两个 H 桥)负载,则最普遍的应用。在下文中,我将专注于作为有刷直流电机驱动器的应用。
H 桥的静态操作
H 桥的基本工作模式相当简单:如果 Q1 和 Q4 导通,电机的左引线将连接到电源,而右引线连接到地。电流开始流过电机,电机正向(比方说)通电,电机轴开始旋转。

如果 Q2 和 Q3 接通,则会发生反转,电机反向通电,轴将开始反向旋转。

在桥梁中,您永远不应该同时关闭 Q1 和 Q2(或 Q3 和 Q4)。如果你这样做了,你只是在电源和 GND 之间创建了一个非常低电阻的路径,有效地短路了你的电源。这种情况称为“击穿”,几乎可以保证快速破坏您的电桥或电路中的其他东西。

由于对四种可能状态的限制,A 侧开关可能只有三种有意义:
| Q1 | Q2 |
|---|---|
| open | open |
| close | open |
| open | close |
同样对于 B 面:
| Q3 | Q4 |
|---|---|
| open | open |
| close | open |
| open | close |
故全桥可以有 9 种不同的状态:
| Q1 | Q2 | Q3 | Q4 |
|---|---|---|---|
| close | open | open | open |
| close | open | open | close |
| close | open | close | open |
| open | close | open | open |
| open | close | open | close |
| open | close | close | open |
| open | open | open | open |
| open | open | open | close |
| open | open | close | open |
也有一些组合模式,是不向电机供电。比如当四个晶体开关都断开,此时电机负载相当于两端悬空。如果电机此时在运动,其转子的动能就会在摩擦力的作用下逐步消耗,电机慢慢停止。
下图所示的两种情况:H桥电路的上半部(或者下半部)的两个晶体管闭合,对应的另外两个晶体管断开。此时电机两端被桥电路实际上是短接在一起。电机两端电压为0。如果此时电机在运动,那么它转子的动能会通过所产生的反向电动势(EMF)在外部短路桥电路回路中形成制动电流,电机会快速制动。

同边桥臂短路情况有时是控制信号不好(没有给足死区时间),有时是功率器件不够坚强(耐压不够被击穿)。但由于关系到H桥电路的生死,所以需要精细避免。
H-桥控制电机
下面以控制一个直流电机为例,对H桥的几种开关状态进行简单的介绍,其中正转和反转是人为规定的方向,实际工程中按照实际情况进行划分即可。
电机正转控制
通常H桥用来驱动感性负载,这里我们来驱动一个直流电机;
| Q1 | Q2 | Q3 | Q4 |
|---|---|---|---|
| open | close | close | open |
此时假设电机正转,这电流依次经过 Q1 , M , Q4 ,在图中使用黄色线段进行标注,具体如下图所示:

电机反转控制
另外一种状态则是电机反转;此时四个开关元器件的状态如下;
| Q1 | Q2 | Q3 | Q4 |
|---|---|---|---|
| close | open | open | close |
此时电机反转(与前面介绍的情况相反),这电流依次经过 Q2 , M , Q3 ,在图中使用黄色线段进行标注,具体如下图所示:

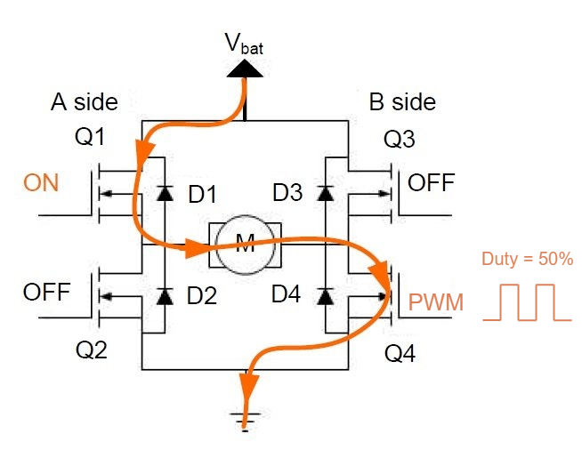
电机调速
如果要对直流电机调速,其中的一种方案就是;
关闭 Q2 , Q3 ;
打开 Q1 , Q4 上给它输入 50% 占空比的PWM波形;
这样就达到了降低转速的效果,如果需要增加转速,则将输入PWM的占空比设置为100%;具体如下所示

电机停止
这里以电机从正转切换到停止状态为例,正转情况下; Q1 和 Q4 是打开状态;
这时候如果关闭 Q1 和 Q4 ,直流电机内部可以产生等效成电感,也就是感性负载,电流不会突变,那么电流将继续保持原来的方向进行流动,这时候我们希望电机里的电流可以快速衰减,这里有两种办法:
第一种:关闭 Q1 和 Q4 ,这时候电流仍然会通过反向续流二极管进行流动,此时短暂打开 Q1 和 Q3 从而达到快速衰减电流的目的。

第二种:准备停止的时候,关闭 Q1 ,打开 Q2,这时候电流并不会衰减地很快,电流循环在Q2,M,Q4之间流动,通过MOS-FET的内阻将电能消耗掉。

H-桥应用
实际使用的时候,用分立元件制作H桥是很麻烦的,市面上已经有很多比较常用的IC方案,比如常用的L293D、L298N、TA7257P、SN754410等。接上电源、电机,通过输入控制信号就可以驱动电机了。
下面是某宝上的L298N模块,比较常见,对于新手玩家非常友好,接线也十分简单。

L298N模块这个模块有一个板载5V稳压器,该稳压器可使用跳线的方式进行使能。
如果电机电源电压高达12V,我们可以启用5V稳压器,并且5V引脚可以用作输出,例如给Arduino板供电。
但是,如果电动机电压大于12V,则必须断开跳线,因为这些电压会损坏板载5V稳压器。
在这种情况下,5V引脚将用作输入,因为我们需要将其连接到5V电源,以使IC正常工作。
我们在这里可以注意到,该IC的电压降约为2V。因此,如果使用12V电源,则电动机端子上的电压约为10V,这意味着我们将无法从12V直流电动机中获得最大速度。
这里使用Arduino为例,这是网上找的一个Demo整体的框架如下图所示:

主要代码
#define enA 9
#define in1 6
#define in2 7
#define button 4
int rotDirection = 0;
int pressed = false;
void setup() {
pinMode(enA, OUTPUT);
pinMode(in1, OUTPUT);
pinMode(in2, OUTPUT);
pinMode(button, INPUT);
// Set initial rotation direction
digitalWrite(in1, LOW);
digitalWrite(in2, HIGH);
}
void loop() {
// Read potentiometer value
int potValue = analogRead(A0);
// Map the potentiometer value from 0 to 255
int pwmOutput = map(potValue, 0, 1023, 0 , 255);
// Send PWM signal to L298N Enable pin
analogWrite(enA, pwmOutput);
// Read button - Debounce
if (digitalRead(button) == true) {
pressed = !pressed;
}
while (digitalRead(button) == true);
delay(20);
// If button is pressed - change rotation direction
if (pressed == true & rotDirection == 0) {
digitalWrite(in1, HIGH);
digitalWrite(in2, LOW);
rotDirection = 1;
delay(20);
}
// If button is pressed - change rotation direction
if (pressed == false & rotDirection == 1) {
digitalWrite(in1, LOW);
digitalWrite(in2, HIGH);
rotDirection = 0;
delay(20);
}
}
代码讲解
简单描述一下:首先我们需要定义程序所需的引脚和变量。
在setup()中,我们需要设置引脚模式和电机的初始旋转方向。
在loop()中,我们先读取电位器值,然后将从中获得的值从0到1023变化,线性映射到PWM信号的0到255的值,将其从0到100%的占空比。
然后使用analogWrite()函数将PWM信号发送到L298N板的Enable引脚,该引脚实际上驱动电动机。
接下来,我们检查是否按下了按钮,如果是的话,我们将输入1和输入2的状态反置,从而改变电动机的旋转方向。该按钮将用作切换按钮,每次按下该按钮都会改变电动机的旋转方向。
某宝上这种小车很多,如下图所示;主控可以换成51单片机或者STM32,当然Arduino也没问题,使用L298N就可以快速搭建一个小车了;

总结
虽然我们不能够确认原文作者所有的结论、公式都是正确的。但看到他清晰的话语、生动的插图、详尽的公式分析反映了他从一个需要设计小型电机H桥电路驱动工程出发 ,不停的在思索桥电路工作的各环节的原理和一些控制细节,并最终后总结成博文。可以体会到他内心在整个知识增长过程中的喜悦。
参考资料
- H-Bridges – the Basics | Modular Circuits
- https://blog.csdn.net/tiandiren111/article/details/112130898
最后
以上就是雪白硬币最近收集整理的关于最全H桥电机驱动模块L298N原理及应用的全部内容,更多相关最全H桥电机驱动模块L298N原理及应用内容请搜索靠谱客的其他文章。
发表评论 取消回复