目录
前言
模60计数器
verilog设计代码如下:
ISE综合
模24的8421BCD码计数器
原理
verilog HDL代码
测试文件
仿真波形
数字时钟计数器
verilog HDL代码
测试代码
仿真波形
ISE综合
前言
这是我刚开始写博客时候写的了,本身结构很丑,我于2018/8/2 15:26重新整理了下结构,就不删了,然后我又重新整理了一份博文,和这个一样,但要比这个清晰,贴出地址:数字时钟计数器(Verilog HDL语言描述)(仿真和综合),可以看这篇以及相关的那几个小模块部分。
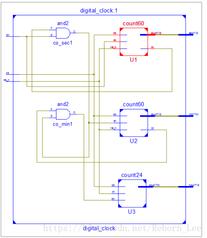
简单的数字时钟计数器,其实现方法也是通过计数器的级联,由两个模60计数器和一个模24计数器子模块共同构成,下面的这段代码采用结构性描述方法,U1,U2,U3为调用的两个模60计数器和一个模24计数器子模块,模60计数器实现分秒的计数,模24计数器实现小时的计数。
在进行设计数字时钟计数器之前,分别介绍模60计数器count60以及8421BCD计数器count24。
模60计数器
verilog设计代码如下:
//模60计数器模块
module counter60(clk, rst_n, en, dout, co);
input clk, rst_n, en;
output co;
output [7:0] dout;
wire co10_1, co10, co6;
wire [3:0] dout10, dout6;
count10 U1(.clk(clk), .rst_n(rst_n), .en(en), .dout(dout10), .co(co10_1));
count6 U2(.clk(clk), .rst_n(rst_n), .en(co10), .dout(dout6), .co(co6));
and U3(co, co10, co6);
and U4(co10, en, co10_1);
assign dout = {dout6, dout10};
endmodule
//模10计数器
module count10(clk, rst_n, en, dout, co);
input clk, rst_n, en;
output co;
output [3:0] dout;
reg [3:0] dout;
always @ (posedge clk or negedge rst_n)
begin
if(!rst_n)
dout <= 4'b0000;
else if(en == 1'b1)
begin
if(dout == 4'b1001)
dout <= 4'b0000;
else
dout <= dout + 1'b1;
end
else
dout <= dout;
end
assign co = dout[0] & dout[3];
endmodule
//模6计数器
module count6(clk, rst_n, en, dout, co);
input clk, rst_n, en;
output co;
output [3:0] dout;
reg [3:0] dout;
always @(posedge clk or negedge rst_n)
begin
if(!rst_n)
dout <= 4'b0000;
else if(en == 1'b1)
begin
if(dout == 4'b0101)
dout <= 4'b0000;
else
dout <= dout + 1;
end
else
dout <= dout;
end
assign co = dout[0] & dout[2];
endmodule
ISE综合
综合工具综合而出的电路如下:

模24的8421BCD码计数器
原理
计数器实现的模制为24,clr为异步清零信号,当时钟上升沿到来或clr下降沿到来,
clr = 0时,计数器清零为0000_0000。该计数器的计数过程为,当输出信号的低4位(即 dout[3:0])从0000计数到1001后(即十进制的0 ~ 9),高4位(即dout[3:4])计数加1,当计数计到23时(即0010_0011),计数器又清零为0000_0000,然后重新开始计数。
verilog HDL代码
//8421BCD码计数器,模24
module counter24(clk, rst_n, en, dout);
input clk, rst_n, en;
output[7:0] dout;
reg[7:0] dout;
always@(posedge clk or negedge rst_n) //异步复位
begin
if(!rst_n) //复位信号有效时,输出清零
dout <= 8'b00000000;
else if(en == 1'b0) //计数使能无效时,输出不变
dout <= dout;
else if( (dout[7:4] == 4'b0010)&&(dout[3:0] == 4'b0011) ) //计数达到23时,输出清零
dout <= 8'b00000000;
else if(dout[3:0] == 4'b1001) //低位达到9时,低位清零,高位加1
begin
dout[3:0] <= 4'b0000;
dout[7:4] <= dout[7:4] + 1'b1;
end
else //上述情况都没有发生,则高位不变,低位加1
begin
dout[7:4] <= dout[7:4];
dout[3:0] <= dout[3:0] + 1'b1;
end
end
endmodule
测试文件
`timescale 1ns/1ps
module count24_tb;
reg clk, clr, en;
wire [7:0] dout;
always
begin
#10 clk = ~clk;
end
initial
begin
clk = 1'b0;
clr = 1'b1;
en = 1'b0;
#20 clr = 1'b0;
#10 clr = 1'b1;
#30 en = 1'b1;
#100;
end
count24 U1(.clk(clk), .clr(clr), .en(en), .dout(dout));
endmodule
仿真波形
在Modelsim中仿真得到的波形为:(为了能看清,截了一部分图片)

数字时钟计数器
verilog HDL代码
下面正式给出数字时钟计数器的verilog HDL代码:
//数字时钟计数器
module digital_clock(hour,min,sec,clk,rst_n,en);
input clk,rst_n,en;
output[7:0] hour, min, sec;
wire co_sec1,co_sec,co_min,co_min1;
counter60 u1(.clk(clk), .rst_n(rst_n), .en(en), .dout(sec), .co(co_sec1));
and u2(co_sec,en,co_sec1);
counter60 u3(.clk(clk), .rst_n(rst_n), .en(co_sec), .dout(min), .co(co_min1));
and u4(co_min,co_sec,co_min1);
counter24 u5(.clk(clk), .rst_n(rst_n), .en(co_min), .dout(hour));
endmodule
//模60计数器模块
module counter60(clk, rst_n, en, dout, co);
input clk, rst_n, en;
output co;
output [7:0] dout;
wire co10_1, co10, co6;
wire [3:0] dout10, dout6;
count10 U1(.clk(clk), .rst_n(rst_n), .en(en), .dout(dout10), .co(co10_1));
count6 U2(.clk(clk), .rst_n(rst_n), .en(co10), .dout(dout6), .co(co6));
and U3(co, co10, co6);
and U4(co10, en, co10_1);
assign dout = {dout6, dout10};
endmodule
//模10计数器
module count10(clk, rst_n, en, dout, co);
input clk, rst_n, en;
output co;
output [3:0] dout;
reg [3:0] dout;
always @ (posedge clk or negedge rst_n)
begin
if(!rst_n)
dout <= 4'b0000;
else if(en == 1'b1)
begin
if(dout == 4'b1001)
dout <= 4'b0000;
else
dout <= dout + 1'b1;
end
else
dout <= dout;
end
assign co = dout[0] & dout[3];
endmodule
//模6计数器
module count6(clk, rst_n, en, dout, co);
input clk, rst_n, en;
output co;
output [3:0] dout;
reg [3:0] dout;
always @(posedge clk or negedge rst_n)
begin
if(!rst_n)
dout <= 4'b0000;
else if(en == 1'b1)
begin
if(dout == 4'b0101)
dout <= 4'b0000;
else
dout <= dout + 1;
end
else
dout <= dout;
end
assign co = dout[0] & dout[2];
endmodule
//8421BCD码计数器,模24
module counter24(clk, rst_n, en, dout);
input clk, rst_n, en;
output[7:0] dout;
reg[7:0] dout;
always@(posedge clk or negedge rst_n) //异步复位
begin
if(!rst_n) //复位信号有效时,输出清零
dout <= 8'b00000000;
else if(en == 1'b0) //计数使能无效时,输出不变
dout <= dout;
else if( (dout[7:4] == 4'b0010)&&(dout[3:0] == 4'b0011) ) //计数达到23时,输出清零
dout <= 8'b00000000;
else if(dout[3:0] == 4'b1001) //低位达到9时,低位清零,高位加1
begin
dout[3:0] <= 4'b0000;
dout[7:4] <= dout[7:4] + 1'b1;
end
else //上述情况都没有发生,则高位不变,低位加1
begin
dout[7:4] <= dout[7:4];
dout[3:0] <= dout[3:0] + 1'b1;
end
end
endmodule
测试代码
//数字时钟计数器的测试代码
module digital_clock_tb;
reg clk,rst_n,en;
wire[7:0] hour,min,sec;
always
begin
#1 clk = ~clk;
end
initial
begin
clk = 1'b0;
rst_n = 1'b0;
en = 1'b0;
#3 rst_n = 1'b1; en = 1'b1;
end
digital_clock u0(.clk(clk),.rst_n(rst_n),.en(en),.hour(hour),.min(min),.sec(sec));
endmodule
仿真波形
在Modelsim中仿真得到如下波形图:



ISE综合
用综合工具综合后的数字时钟:

最后
以上就是儒雅黄豆最近收集整理的关于数字时钟计数器(内含模60计数器以及8421BCD码计数器设计代码)的全部内容,更多相关数字时钟计数器(内含模60计数器以及8421BCD码计数器设计代码)内容请搜索靠谱客的其他文章。
发表评论 取消回复