任务描述
本关任务:利用两个在第3关设计的十进制计数器,用级联的方法构建一个24进制计数器,要求具有同步置数、异步清零功能。
相关知识
设计提示:状态9是边界状态,而状态4是一个中间状态,这里先用两个十进制计数器通过“骨肉相连”构建100进制计数器,然后将它们的状态联合反馈以及联合产生进位输出,反馈原理与前面关卡一致。
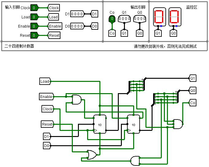
引脚说明
| 信号 | I/O | 位宽 | 说明 |
|---|---|---|---|
| D1,D0 | 输入 | 4 位 | 并行数据加载端 |
| Reset | 输入 | 1 位 | 异步清零端:Reset=1时,Q=0 |
| Clock | 输入 | 1 位 | 时钟脉冲,上升沿有效 |
| Load | 输入 | 1 位 | 同步置数端:Reset=0、Load=1、Clock↑时,Q=D |
| Enable | 输入 | 1 位 | 使能端:Reset=0时,Enable=1递增计数、0保持 |
| Q1,Q0 | 输出 | 4 位 | 状态输出端:分别表示十位和个位 |
| Co | 输出 | 1 位 | 进位输出端:状态Q1Q0=23时,Co=1 |

最后
以上就是生动纸飞机最近收集整理的关于Logisim中24进制计数器的设计的全部内容,更多相关Logisim中24进制计数器内容请搜索靠谱客的其他文章。
本图文内容来源于网友提供,作为学习参考使用,或来自网络收集整理,版权属于原作者所有。
发表评论 取消回复