先做一句话总结,if语句和组合逻辑下的case语句,他们的条件是有优先级的,从上到下优先级递减,每多一个条件就会多消耗一个二选一多路器,很浪费资源;
优先级:if else 结构if的优先级最高;多if 结构最后一个if优先级最高如:
always@(posedge clk)
if(flag==2'b00)
begin
outb=0;
end
else
begin
if(d==1)
begin
outb=b;
end
if(e==1)
begin
outb=c;
end
if(g)
begin
outb=a;
end
end

而对于时序语句中的case,会被综合成n选一多路器,条件没有优先级,占用的资源更少。
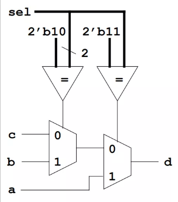
always_comb
if(sel=2'b11)
d=a;
else if(sel=2'b10)
d=b;
else
d=c;
endcase
always_comb
case(sel)
2'b11:d=a;
2'b10:d=b;
default:d=c;
endcase
上面的组合逻辑代码综合的电路如下图:

always_ff
case(sel)
2'b11:d=a;
2'b10:d=b;
default:d=c;
endcase
上面的代码综合的电路如下:

很明显时序case占用的逻辑资源更少。
最后
以上就是雪白鞋垫最近收集整理的关于verilog 中if语句和case语句综合成的电路的全部内容,更多相关verilog内容请搜索靠谱客的其他文章。
本图文内容来源于网友提供,作为学习参考使用,或来自网络收集整理,版权属于原作者所有。
发表评论 取消回复