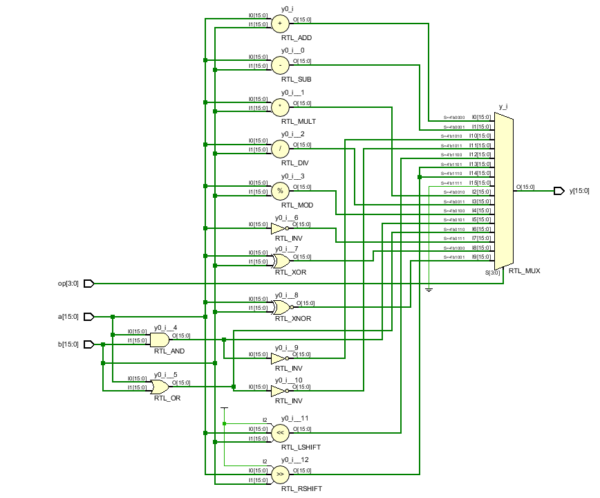
1. 使用 Verilog 完成 ALU 的设计,并编写测试仿真文件验证其正确性。要求: ALU 支持 16 位的加、减、与、或以及移位运算。
module ALU(a,b,op,y);
input[15:0]a,b;
input[3:0]op;
output y;
reg[15:0]y;
always@(*)begin
case(op)
//算术运算
4'd0: y = a + b;
4'd1: y = a - b;
4'd2: y = a * b;
4'd3: y = a / b;
4'd4: y = a % b; //求余
//位运算
4'd5: y = a & b; //与
4'd6: y = a | b; //或
4'd7: y = ~a; //非
4'd8: y = a ^ b; //异或
4'd9: y = a ~^ b; //同或
4'd10: y = ~(a & b);//与非
4'd11: y = ~(a | b);//或非
//移位运算
4'd12: y = a << b;//逻辑左移和算术左移结果相同
4'd13: y = a >> b;//逻辑右移
4'd14: y = a >>> b;//算术右移
4'd15: y = 0;
endcase
end
endmodule
module test(
);
reg[15:0] a,b;
reg[3:0] op;
wire[15:0] y;
ALU f(.a(a),.b(b),.op(op),.y(y));
initial begin
a = 21;b = 16;op = 0;
#170 $stop;
end
always begin
#10 a = a + 2;
b = b-1;
op = op+1;
end
endmodule


2. 使用 Verilog 完成通用寄存器堆的设计,并编写测试仿真文件验证其正确性。
要求 寄存器堆包含 8 个 16 位的寄存器; 寄存器堆有两个读端口和一个写端口。
设计一个8*16位的寄存器堆,即含有8个寄存器,每个寄存器16位。该寄存器堆有2个读端口、1个写端口,即能够同时读出2个寄存器的值,写入1个寄存器。读操作不需要时钟控制,写操作需要在上跳沿才能写入。
module RegFile(clk,WE,RA,RB,RW,busA,busB,busW);
input clk,WE;
//相当于地址,用来决定读或写的寄存器
input[2:0] RA,RB,RW;
input[15:0] busW;//要写入寄存器堆的内容
output[15:0] busA,busB;//从寄存器堆读出的内容
reg[15:0] regfile[7:0];//寄存器堆
integer i;
initial begin // 初始化寄存器堆
for(i=0;i<8;i=i+1) //总是习惯i++,老是报错
regfile[i] = i*i;
end
always@(posedge clk)
begin
if(WE == 1)
regfile[RW] = busW;
end
assign busA = regfile[RA];
assign busB = regfile[RB];
endmodule
module test(
);
reg clk,WE;
reg[2:0] RA,RB,RW;
reg[15:0] busW;
wire[15:0] busA,busB;
RegFile f(.clk(clk),.WE(WE),.RA(RA),.RB(RB),.RW(RW),
.busW(busW),.busA(busA),.busB(busB));
initial begin
clk=0;WE=0;
RA=3'd2;RB=3'd4;RW=3'd0;
busW = 16'd24;
#1000 $stop;
end
always #5 clk = ~clk;
always begin
#43 WE = 1;
#10 WE = 0;
RW = RW + 1;
busW = busW + 23;
end
always begin
#10 RA = RA + 1;
RB = RB + 3;
end
endmodule


最后
以上就是美好季节最近收集整理的关于【计算机组成原理】实验二、CPU 部件实现之 ALU 和寄存器堆的全部内容,更多相关【计算机组成原理】实验二、CPU内容请搜索靠谱客的其他文章。
本图文内容来源于网友提供,作为学习参考使用,或来自网络收集整理,版权属于原作者所有。
发表评论 取消回复