GPIO 是通用输入输出端口的简称,简单来说就是STM32 可控制的引脚,STM32 芯片的GPIO 引脚与外部设备连接起来,从而实现与外部通讯、控制以及数据采集的功能。STM32 芯片的GPIO被分成很多组,每组有16 个引脚,如型号为STM32F103VET6 型号的芯片有GPIOA、GPIOB、GPIOC 至GPIOE 共5 组GPIO,芯片一共100 个引脚,其中GPIO就占了一大部分,所有的GPIO引脚都有基本的输入输出功能。
最基本的输出功能是由STM32 控制引脚输出高、低电平,实现开关控制,如把GPIO引脚接入到LED 灯,那就可以控制LED 灯的亮灭,引脚接入到继电器或三极管,那就可以通过继电器或三极管控制外部大功率电路的通断。最基本的输入功能是检测外部输入电平,如把GPIO 引脚连接到按键,通过电平高低区分按键是否被按下。
GPIO 框图剖析

通过GPIO 硬件结构框图,就可以从整体上深入了解GPIO 外设及它的各种应用模式。该图从最右端看起,最右端就是代表STM32 芯片引出的GPIO 引脚,其余部件都位于芯片内部。
基本结构分析
下面我们按图中的编号对GPIO端口的结构部件进行说明。
1. 保护二极管及上、下拉电阻
引脚的两个保护二级管可以防止引脚外部过高或过低的电压输入,当引脚电压高于VDD 时,上方的二极管导通,当引脚电压低于VSS 时,下方的二极管导通,防止不正常电压引入芯片导致芯片烧毁。尽管有这样的保护,并不意味着STM32 的引脚能直接外接大功率驱动器件,如直接驱动电机,强制驱动要么电机不转,要么导致芯片烧坏,必须要加大功率及隔离电路驱动。
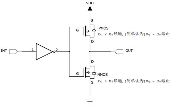
2. P-MOS 管和N-MOS 管
GPIO 引脚线路经过两个保护二极管后,向上流向“输入模式”结构,向下流向“输出模式”结构。先看输出模式部分,线路经过一个由P-MOS 和N-MOS 管组成的单元电路。这个结构使GPIO具有了“推挽输出”和“开漏输出”两种模式。
所谓的推挽输出模式,是根据这两个MOS 管的工作方式来命名的。在该结构中输入高电平时,经过反向后,上方的P-MOS 导通,下方的N-MOS 关闭,对外输出高电平;而在该结构中输入低电平时,经过反向后,N-MOS 管导通,P-MOS 关闭,对外输出低电平。当引脚高低电平切换时,两个管子轮流导通,P 管负责灌电流,N 管负责拉电流,使其负载能力和开关速度都比普通的方式有很大的提高。推挽输出的低电平为0 伏,高电平为3.3伏,它是推挽输出模式时的等效电路。

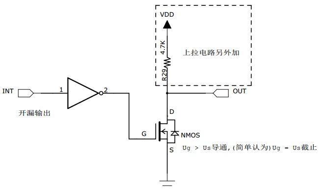
而在开漏输出模式时,上方的P-MOS 管完全不工作。如果我们控制输出为0,低电平,则P-MOS 管关闭,N-MOS 管导通,使输出接地,若控制输出为1 (它无法直接输出高电平)时,则P-MOS 管和N-MOS 管都关闭,所以引脚既不输出高电平,也不输出低电平,为高阻态。为正常使用时必须外部接上拉电阻。它具有“线与”特性,也就是说,若有很多个开漏模式引脚连接到一起时,只有当所有引脚都输出高阻态,才由上拉电阻提供高电平,此高电平的电压为外部上拉电阻所接的电源的电压。若其中一个引脚为低电平,那线路就相当于短路接地,使得整条线路都为低电平,0 伏。
推挽输出模式一般应用在输出电平为0 和3.3 伏而且需要高速切换开关状态的场合。在STM32 的应用中,除了必须用开漏模式的场合,我们都习惯使用推挽输出模式。
开漏输出一般应用在I2C、SMBUS 通讯等需要“线与”功能的总线电路中。除此之外,还用在电平不匹配的场合,如需要输出5 伏的高电平,就可以在外部接一个上拉电阻,上拉电源为5 伏,并且把GPIO 设置为开漏模式,当输出高阻态时,由上拉电阻和电源向外输出5 伏的电平。


3. 输出数据寄存器
前面提到的双MOS 管结构电路的输入信号, 是由GPIO“ 输出数据寄存器GPIOx_ODR”提供的,因此我们通过修改输出数据寄存器的值就可以修改GPIO 引脚的输出电平。而“置位/复位寄存器GPIOx_BSRR”可以通过修改输出数据寄存器的值从而影响电路的输出。
4. 复用功能输出
“复用功能输出”中的“复用”是指STM32 的其它片上外设对GPIO 引脚进行控制,此时GPIO 引脚用作该外设功能的一部分,算是第二用途。从其它外设引出来的“复用功能输出信号”与GPIO本身的数据据寄存器都连接到双MOS 管结构的输入中,通过图中的梯形结构作为开关切换选择。
例如我们使用USART 串口通讯时,需要用到某个GPIO引脚作为通讯发送引脚,这个时候就可以把该GPIO引脚配置成USART 串口复用功能,由串口外设控制该引脚,发送数据。
1 // GPIOB 16 个IO 全部输出 0XFF
2 GPIOB->ODR = 0XFF;
5. 输入数据寄存器
看GPIO 结构框图的上半部分,GPIO 引脚经过内部的上、下拉电阻,可以配置成上/下拉输入,然后再连接到施密特触发器,信号经过触发器后,模拟信号转化为0、1 的数字信号,然后存储在“输入数据寄存器GPIOx_IDR”中,通过读取该寄存器就可以了解GPIO引脚的电平状态。
1 // 读取GPIOB 端口的16 位数据值2uint16_ttemp;3 temp = GPIOB->IDR;
6. 复用功能输入
与“复用功能输出”模式类似,在“复用功能输入模式”时,GPIO引脚的信号传输到
STM32 其它片上外设,由该外设读取引脚状态。
同样,如我们使用USART 串口通讯时,需要用到某个GPIO引脚作为通讯接收引脚,这个时候就可以把该GPIO 引脚配置成USART 串口复用功能,使USART 可以通过该通讯引脚的接收远端数据。
7. 模拟输入输出
当GPIO 引脚用于ADC 采集电压的输入通道时,用作“模拟输入”功能,此时信号是不经过施密特触发器的,因为经过施密特触发器后信号只有0、1 两种状态,所以ADC 外设要采集到原始的模拟信号,信号源输入必须在施密特触发器之前。类似地,当GPIO 引脚用于DAC 作为模拟电压输出通道时,此时作为“模拟输出”功能,DAC 的模拟信号输出就不经过双MOS 管结构,模拟信号直接输出到引脚。
GPIO 工作模式
总结一下,由GPIO的结构决定了GPIO可以配置成以下模式:

(在固件库中,GPIO总共有8 种细分的工作模式,大致归类为以下三类)
1. 输入模式(模拟/浮空/上拉/下拉)
在输入模式时,施密特触发器打开,输出被禁止,可通过输入数据寄存器GPIOx_IDR读取I/O 状态。其中输入模式,可设置为上拉、下拉、浮空和模拟输入四种。上拉和下拉输入很好理解,默认的电平由上拉或者下拉决定。浮空输入的电平是不确定的,完全由外部的输入决定,一般接按键的时候用的是这个模式。模拟输入则用于ADC 采集。
2. 输出模式(推挽/开漏)
在输出模式中,推挽模式时双MOS 管以轮流方式工作,输出数据寄存器GPIOx_ODR可控制I/O 输出高低电平。开漏模式时,只有N-MOS 管工作,输出数据寄存器可控制I/O输出高阻态或低电平。输出速度可配置,有2MHz10MHz50MHz 的选项。此处的输出速度即I/O 支持的高低电平状态最高切换频率,支持的频率越高,功耗越大,如果功耗要求不严格,把速度设置成最大即可。
在输出模式时施密特触发器是打开的,即输入可用,通过输入数据寄存器GPIOx_IDR可读取I/O 的实际状态。
3. 复用功能(推挽/开漏)
复用功能模式中,输出使能,输出速度可配置,可工作在开漏及推挽模式,但是输出信号源于其它外设,输出数据寄存器GPIOx_ODR 无效;输入可用,通过输入数据寄存器可获取I/O 实际状态,但一般直接用外设的寄存器来获取该数据信号。
通过对GPIO 寄存器写入不同的参数,就可以改变GPIO 的工作模式,再强调一下,要了解具体寄存器时一定要查阅《STM32F10X-中文参考手册》中对应外设的寄存器说明。在GPIO 外设中,控制端口高低控制寄存器CRH和CRL 可以配置每个GPIO的工作模式和工作的速度,每4 个位控制一个IO,CRH 控制端口的高八位,CRL 控制端口的低8 位,具体的看CRH 和CRL 的寄存器描述。


一些stm32相关的视频资料
如何做好精准职业规划
http://www.makeru.com.cn/live/4006_1429.html?s=45051
释放潜能:学习效率提升、编程能力提升
http://www.makeru.com.cn/live/3507_1276.html?s=45051
(stm32 USART串口应用)
http://www.makeru.com.cn/live/1392_1164.html?s=45051
PWM脉宽调制技术
http://www.makeru.com.cn/live/4034_2146.html?s=45051
(stm32直流电机驱动)
http://www.makeru.com.cn/live/1392_1218.html?s=45051
最后
以上就是体贴曲奇最近收集整理的关于stm32学习笔记之GPIO功能框图分析的全部内容,更多相关stm32学习笔记之GPIO功能框图分析内容请搜索靠谱客的其他文章。
发表评论 取消回复