我是靠谱客的博主 兴奋雪碧,这篇文章主要介绍一阶RC和二阶RC低通滤波器RC电路原理推导,现在分享给大家,希望可以做个参考。

一阶RC和二阶RC低通滤波器

  • RC电路原理推导
    • 一阶RC低通滤波电路
    • 二阶RC低通滤波电路

RC电路原理推导

因为最近有做一些RC滤波电路的东西,这部分内容都是在大学本科的时候学习的,很多东西也记得不是很清晰了,手头也没有资料翻阅,在网上看的资料都是五花八门各不一样,很多都出现错误,并且对于二阶RC电路的介绍很少,所以我做了一些整理。

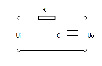
一阶RC低通滤波电路

一阶RC低通滤波电路如下图所示
在这里插入图片描述对应系统的传递函数的表达式如下 U o U i = 1 R C S + 1 frac{mathrm{U}_{mathrm{o}}}{mathrm{U}_{mathrm{i}}}=frac{1}{R C S+1} UiUo=RCS+11
对其进行离散化处理 S = 1 − z − 1 T S=frac{1-z^{-1}}{T} S=T1z1
可得 R C ⋅ 1 − z − 1 T R C 1 − z − 1 T + 1 = R C ( 1 − z − 1 ) R C ( 1 − z − 1 ) + T = Y n X n frac{R C cdot frac{1-z^{-1}}{T}}{R C frac{1-z^{-1}}{T}+1}=frac{R Cleft(1-z^{-1}right)}{R Cleft(1-z^{-1}right)+T}=frac{Y_{n}}{X_{n}} RCT1z1+1RCT1z1=RC(1z1)+TRC(1z1)=XnYn
整理可得 Y n = T T + R C X n + R C T + R C Y n − 1 Y_{n}=frac{T}{T+R C} X_{n}+frac{RC}{T+R C} Y_{n-1} Yn=T+RCTXn+T+RCRCYn1
以上就是我们常见的一阶滤波的形式,转换成我们常见的表达式就是 Y n = a X n + ( 1 − a ) Y n − 1 Y_{n}=a X_{n}+(1-a) Y_{n-1} Yn=aXn+(1a)Yn1

二阶RC低通滤波电路

好了讲完一阶来讲二阶,二阶相对于一阶计算的时候要复杂一点,思路还是一样的,二阶RC低通滤波的电路如下所示
在这里插入图片描述
二阶RC低通滤波器的传递函数表达式为 U 0 U i = 1 S C / / ( R + 1 S C ) R + 1 S C / ( R + 1 S C ) ⋅ 1 S C R + 1 S C frac{U_{0}}{U_{i}}=frac{frac{1}{S C} / /left(R+frac{1}{SC}right)}{R+frac{1}{SC} /left(R+frac{1}{SC}right)} cdot frac{frac{1}{SC}}{R+frac{1}{SC}} UiU0=R+SC1/(R+SC1)SC1//(R+SC1)R+SC1SC1
简化后可得 U 0 U i = R C S + 1 R 2 C 2 S 2 + 3 R C S + 1 ⋅ 1 R C S + 1 = 1 R 2 C 2 S 2 + 3 R C S + 1 frac{U_{0}}{U_{i}}=frac{RCS+1}{R^{2} C^{2} S^{2}+3 R C S+1} cdot frac{1}{R C S+1}=frac{1}{R^{2} C^{2} S^{2}+3 R C S+1} UiU0=R2C2S2+3RCS+1RCS+1RCS+11=R2C2S2+3RCS+11
离散化 S = 1 − z − 1 T S=frac{1-z^{-1}}{T} S=T1z1可得 T 2 R 2 C 2 ( 1 − z − 1 ) 2 + 3 R C ( 1 − z − 1 ) + T 2 = Y n X n frac{T_{}^{2}}{R^{2} C^{2}left(1-z^{-1}right)^{2}+3 R Cleft(1-z^{-1}right)+T^{2}}=frac{Y_{n}}{X_{n}} R2C2(1z1)2+3RC(1z1)+T2T2=XnYn整理后可得 Y n = T 2 R 2 C 2 + T 2 + 3 R C X n + 2 R 2 C 2 + 3 R C R 2 C 2 + T 2 + 3 R C Y n − 1 + − R 2 C 2 R 2 C 2 + T 2 + 3 R C Y n − 2 Y_{n}=frac{T^{2}}{R^{2} C^{2}+T^{2}+3 RC}X_{n}+frac{2 R^{2} C^{2}+3 R C}{R^{2} C^{2}+T^{2}+3 R C} Y_{n-1}+frac{- R^{2} C^{2}}{R^{2} C^{2}+T^{2}+3 R C} Y_{n-2} Yn=R2C2+T2+3RCT2Xn+R2C2+T2+3RC2R2C2+3RCYn1+R2C2+T2+3RCR2C2Yn2可以看出二阶RC与除了与当前时刻的输入有关系还和上两个时刻的输出有关。

最后

以上就是兴奋雪碧最近收集整理的关于一阶RC和二阶RC低通滤波器RC电路原理推导的全部内容,更多相关一阶RC和二阶RC低通滤波器RC电路原理推导内容请搜索靠谱客的其他文章。

本图文内容来源于网友提供,作为学习参考使用,或来自网络收集整理,版权属于原作者所有。
点赞(197)

评论列表共有 0 条评论

立即
投稿
返回
顶部