我是靠谱客的博主 大胆春天,这篇文章主要介绍FPGA Implementation of BPSK Modulator and DemodulatorFPGA Implementation of DBPSK Modulator and Demodulator,现在分享给大家,希望可以做个参考。
FPGA Implementation of DBPSK Modulator and Demodulator
前言
本设计使用开发工具为Quartus prime 18.1和Matlab 2018B
工程连接:
一、方案设计
1、系统介绍
DBPSK介绍:
2DPSK又称为相对相移键控,它不是利用载波相位的绝对数值传送数字信息,而是用前后码元的相对载波相位值传送数字信息。所谓相对载波相位是指本码与前一码元初相之差。
2、系统流程图

3、模块分析
3.1 信源差分编码
差分编码原理:
B(n) = A(n) ^ B(n-1)
相对码 = 绝对码 异或 相对码前一马元
3.2 DBPSK调制
2DPSK 信号键控法调制原理框图如图所示。其中码变换是将绝对码变成相对码,开关电路的作用是当输入为 0 时,相位为 0;当输入为 1 时,相位为π。

3.3 DBPSK解调
2DPSK 信号解调的一种方法是差分相干解调法。用这种方法解调不需要专门的相干载波,只需由收到的 2DPSK 信号延迟一个码元周期 TB,再与 2DPSK信号自己相乘。相乘器起到了相位比较作用,相乘结果反映了前后码元的相位差, 经低通滤波后再抽样判决,即可直接恢复出原始的二进制数字信息。

3.4 信宿差分解码
差分译码原理:
A(n) = B(n) ^ B(n-1)
绝对码 = 相对码 异或 相对码前一码元
3.5 开发板DE2-115

二、matlab实现
1、 信源差分编码
%% 产生二进制序列
s=randi([0 1],max,1); %产生介于0-1之间的长度为max的1列随机序列 输入序列码元
Sinput=[]; %输入序列波形
for n=1:length(s)
if s(n)==0
A=zeros(1,Code_Len); %码元宽度为2000
else
s(n)=1;
A=ones(1,Code_Len);
end
Sinput=[Sinput A];
end
figure(1);subplot(2,1,1);plot(Sinput);
grid on;axis([0,Code_Len*length(s),-2,2]);title('输入信号波形');
%% 差分编码
Sbianma=encode(s,15,11,'hamming'); %汉明码编码后序列,一行15列的二进制数字
a1=[];%差分编码序列波形
b1=[];%解调载波
for n=1:length(Sbianma) %差分编码
if Sbianma(n)==0
B=zeros(1,Code_Len); %每个值2000个点
else
Sbianma(n)=1;
B=ones(1,Code_Len);
end
a1=[a1 B]; %s(t),码元宽度2000
c=cos(2*pi*f*t); %载波信号 0相位
b1=[b1 c]; %与s(t)等长的载波信号,变为矩阵形式
end
figure(2);subplot(6,2,1);plot(a1);%差分编码后序列波形
grid on; axis([0 Code_Len*length(Sbianma) -2 2]);title('编码后二进制信号序列');
figure(2);subplot(6,2,2); plot(abs(fft(a1)));%差分编码后序列频谱
grid on;axis([0 Code_Len*length(Sbianma) 0 400]);title('编码后二进制信号序列频谱');

2、 DBPSK调制
%% 调制
a2=[];%PSK调制信号波形
b2=[];%调制载波
for n=1:length(Sbianma)
if Sbianma(n)==0
C=ones(1,Code_Len); %每个值2000点
d=cos(2*pi*f*t); %载波信号 0相位
else
Sbianma(n)=1;
C=ones(1,Code_Len);
d=cos(2*pi*f*t+pi); %载波信号 Pi相位
end
a2=[a2 C]; %s(t),码元宽度2000
b2=[b2 d]; %与s(t)等长的载波信号
end
tiaoz=a2.*b2; %DBPSK e(t)调制
figure(2);subplot(6,2,3);plot(tiaoz);%BPDK调制信号波形
grid on; axis([0 Code_Len*length(Sbianma) -2 2]);title('2psk已调制信号');
figure(2);subplot(6,2,4); plot(abs(fft(tiaoz))); %BPDK调制信号频谱
grid on;axis([0 Code_Len*length(Sbianma) 0 400]);title('2psk信号频谱');

3、加入高斯白噪声
%% 加入高斯白噪声
%-----------------带有高斯白噪声的信道---------------------
tz=awgn(tiaoz,10); %信号tiaoz加入白噪声,信噪比为10
figure(2);subplot(6,2,5);plot(tz);
grid on;axis([0 Code_Len*length(Sbianma) -2 2]);title('通过高斯白噪声后的信号');
figure(2);subplot(6,2,6); plot(abs(fft(tz)));
grid on;axis([0 Code_Len*length(Sbianma) 0 800]);title('加入白噪声的2psk信号频谱');

4、 相干解调
%% 相干解调
jiet=2*b1.*tiaoz; %同步解调
figure(2);subplot(6,2,7);plot(jiet);
grid on ;axis([0 Code_Len*length(Sbianma) -2 2]);title('相干解调后的信号波形');
figure(2);subplot(6,2,8);plot(abs(fft(jiet)));
grid on;axis([0 Code_Len*length(Sbianma) 0 800]);title('相干解调后的信号频谱');

5、 低通滤波
%% FIR滤波
LPF = LPF10M_100_30K;%FIR低通滤波,采样频率10M,15阶,截止频率3M
jt = filter(LPF,jiet);%fir滤波
figure(2);subplot(6,2,9);plot(jt);
grid on ;axis([0 Code_Len*length(Sbianma) -2 2]);title('经低通滤波器后的解调信号波形');
figure(2);subplot(6,2,10);plot(abs(fft(jt)));
grid on;axis([0 Code_Len*length(Sbianma) 0 800]);title('经低通滤波器后的解调信号频率');

FIR滤波器设计

6、 抽样判决
%% 抽样判决
for m=1:Code_Len*length(Sbianma)
if jt(m)<0
jt(m)=1;
else jt(m)>0
jt(m)=0;
end
end
figure(2);subplot(6,2,11);plot(jt);
grid on ;axis([0 Code_Len*length(Sbianma) -2 2]);title('经抽样判决后信号jt(t)波形');
figure(2);subplot(6,2,12);plot(abs(fft(jt)));
grid on;axis([0 Code_Len*length(Sbianma) 0 800]);title('经抽样判决后的信号频谱');

7、 信宿差分解码
%% 差分解码
n=1:Code_Len:Code_Len*length(Sbianma);
a5=[];
a5=[a5 jt(n)];
s1=decode(a5,15,11,'hamming'); %汉明译码
a6=[];
for n=1:length(s1)
if s1(n)==0
G=zeros(1,Code_Len);
else
s1(n)=1;
G=ones(1,Code_Len);
end
a6=[a6 G];
end
figure(1);subplot(2,1,2);plot(a6);
grid on;axis([0 Code_Len*length(s) -2 2]);title('DBPSK调制后波形');
输入信号和输出信号对比

三、FPGA实现
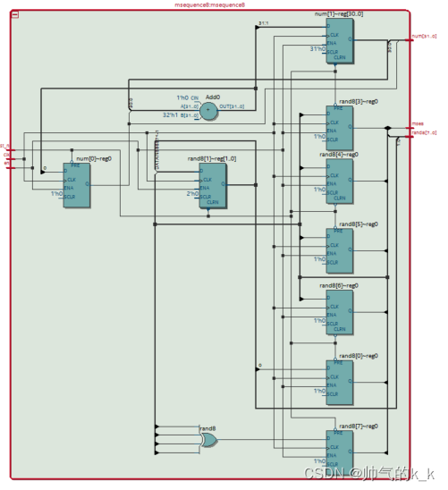
1、随机序列生成
/*
m:x^8+x^4+x^3+x^2+1
*/
module msequence8#(
parameter seed= 8'b1111_1111
)(
input clk,
input rst_n,
input en,
output reg [31:0]num,
output mse8, //m sequence
output reg [7:0]rand8
);
assign mse8 = rand8[0];
always @ (posedge clk or negedge rst_n)begin
if(!rst_n) begin
rand8 <= seed;
num <= 32'd1;
end
else if(en) begin
rand8[0] <= rand8[1];
rand8[1] <= rand8[2];
rand8[2] <= rand8[3];
rand8[3] <= rand8[4];
rand8[4] <= rand8[5];
rand8[5] <= rand8[6];
rand8[6] <= rand8[7];
rand8[7] <= rand8[0] ^ rand8[4] ^ rand8[5] ^ rand8[6];
num <= num + 1'b1;
end
else
rand8 <= rand8;
end
endmodule
RTL视图:
2、 信源差分编码
module encode(
input Clk,
input Rst_n,
input an,//绝对码
output reg bn//相对码
);
reg bn_latter;//相对码前一码元
always@(posedge Clk or negedge Rst_n)begin
if(!Rst_n)
bn_latter <= 0;
else
bn_latter <= bn;
end
always@(posedge Clk or negedge Rst_n)begin
if(!Rst_n)
bn <= 0;
else
bn <= an ^ bn_latter;
end
endmodule

RTL:

3、 DBPSK调制
module modulation_v2(
input Clk_10M,
input Rst_n,
// input [31:0]data_in,//串行差分编码信号输入
input encode_data,
output reg Signal_CLK,//码元同步时钟
output reg [7:0]num,
output [8:0]address_m,
output signed [7:0]modulation_data//调制信号输出
);
reg [10:0]cnt;
reg Clear;
always @(posedge Clk_10M, negedge Rst_n)begin
if (!Rst_n) begin
cnt <= 11'd0;
num <= 8'd0;
Clear <= 1;
Signal_CLK <= 1'b0;
end
else if (cnt == 11'd2047)begin
cnt <= 11'd0;
num <= num + 1'b1;
Clear <= 0;
Signal_CLK <= 1'b0;
end
else if (cnt == 11'd1023)begin
cnt <= cnt + 1'b1;
num <= num;
Clear <= 1;
Signal_CLK <= 1'b1;
end
else begin
cnt <= cnt + 1'b1;
num <= num;
Clear <= 1;
Signal_CLK <= 1'b0;
end
end
//调制载波
sin_table sin_table_modulation(
.Clk_1M(Clk_10M),//10M
.Rst_n(Rst_n),
.Clear(Clear),
.Key(encode_data),
.address(address_m),
.data_out(modulation_data)//80K
);
endmodule

RTL视图:

4、 相干解调
module demodulation(
input Clk_10M,
input Rst_n,
input signed [7:0]modulation_data,
output signed [7:0]carrier_wave,
output [8:0]address_dm,
output reg signed [15:0]demodulation_data
);
//解调载波
sin_table sin_table_demodulation(
.Clk_1M(Clk_10M),//1M
.Rst_n(Rst_n),
.Clear(1'b1),
.Key(1'b1),
.address(address_dm),
.data_out(carrier_wave)//8K
);
//载波相乘
always @(posedge Clk_10M, negedge Rst_n)begin
if (!Rst_n)
demodulation_data <= 16'd0;
else
demodulation_data <= modulation_data * carrier_wave;
end
endmodule

RTL视图:

5、 低通滤波
FIR IP核调用

//低通滤波
//wire [37:0]fir_out;
wire ast_source_valid;
wire [1:0]ast_source_error;
reg [6:0]cnt1;
//reg extract_signal;//0.1ms定时提取信号
assign demd_bitstream = fir_out[38];
FIR FIR(
.clk(Clk_50M), // clk
.reset_n(Rst_n), // rst.reset_n
.ast_sink_data(demodulation_data), // avalon_streaming_sink.data
.ast_sink_valid(Fs_10M), // fs
.ast_sink_error(2'd0), // .error
.ast_source_data(fir_out), // avalon_streaming_source.data
.ast_source_valid(ast_source_valid), // .valid
.ast_source_error(ast_source_error) // .error
);

6、 抽样判决
always @(posedge Fs_1M, negedge Rst_n)begin//0.1ms定时提取信号
if (!Rst_n)begin
cnt1 <= 7'd0;
extract_signal <= 1'b0;
end
else if (cnt1 == 7'd100)begin
cnt1 <= 7'd0;
extract_signal <= fir_out[38];
end
else begin
cnt1 <= cnt1 + 1'b1;
extract_signal <= extract_signal;
end
end

7、 信宿差分解码
module decode(
input Clk,
input Rst_n,
input bn,//相对码
output reg [7:0]num,
output reg an//绝对码
);
reg bn_latter;//相对码前一码元
always@(posedge Clk or negedge Rst_n)begin
if(!Rst_n)
bn_latter <= 0;
else
bn_latter <= bn;
end
always@(posedge Clk or negedge Rst_n)begin
if(!Rst_n)begin
an <= 0;
num <= 8'd0;
end
else begin
an <= bn ^ bn_latter;
num <= num + 1'b1;
end
end
endmodule

RTL视图:

四、结果分析
浮点定点对比
matlab浮点:

FPGA定点:

对比结果:
浮点效果比定点好
五、产考资料
- https://blog.csdn.net/john_cxc/article/details/104928736
- https://www.docin.com/p-320216290.html
最后
以上就是大胆春天最近收集整理的关于FPGA Implementation of BPSK Modulator and DemodulatorFPGA Implementation of DBPSK Modulator and Demodulator的全部内容,更多相关FPGA内容请搜索靠谱客的其他文章。
本图文内容来源于网友提供,作为学习参考使用,或来自网络收集整理,版权属于原作者所有。
发表评论 取消回复