一,AD9361辅助功能
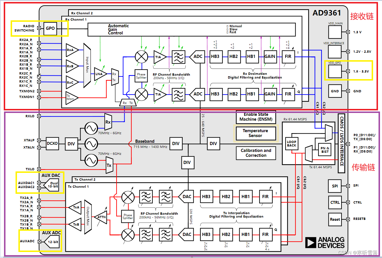
下图为AD9361结构图和工作原理

1,辅助功能:AD9361中的辅助功能--两个10位辅助 DAC,一个12位辅助 ADC,一个内部温度传感器,以及四个通用输出(GPO)引脚,这些功能有助于简化系统任务及降低总体系统成本。
AD936l含有一个辅助ADC,可以用来监控温度、功率输出等系统功能。转换器为12位宽,输入范围为0 V至1.25 V。使能时,ADC处于自由运行状态。SPI读操作提供在ADC输出端锁存的最值。借助位于ADC之前的一个多路复用器,用户可以在AUXADC输入引脚与内罟温度传感器之间进行选择。
AUXDAC1和AUXDAC2:AD9361含有两个完全相同的辅助DAC,可以提供功率放大器(PA)偏置或其他系统功能。辅助DAC为10位宽,输出电压范围为0.5V至VDD GPO-0.3V,电流驱动为10mA,可以通过内部使能状态机直接控制。
2,接收链
AD9361接收部分有两个独立控制的通道Rx Channel 1和 Rx Channel2 可以接收来自不同来源的信号,从而允许该设备在共享通用频率合成器的同时在多输入多输出(MIMO)系统中使用。每个通道具有三个输入,这些输入可以多路复用到信号链,从而使AD9361适用干具有多个天线输入的分集系统。接收链数据首先经过低噪声放大器(LNA),然后是同相(1)和正交(Q)放大器,混频器和频带整形滤波器,可将接收到的信号下变频为基带以进行数字化。基带RX信号路径由两个可编程模拟低通 滤波器Q,一个12位ADC和四级数字抽取滤波器组成。四个抽取滤波器中的每一个都可以被旁路。每个低通滤波器的转折频率是可编程的,
·接收器LNA输入端口可以在单端模式(差分输入的任一侧都可以用作单端输入)或差分模式下使用(建议将LNA输入配置为差分模式以实现最佳噪声系数)
·RxA RxB RxC :三个输入。RX1AN.RX1A P接收通道1的差分输入A。每个引脚都可作为单端输入将未使用的引脚接地,或者一
起形成差分对。
·Input Mux :多路复用
·LNA:低噪声放大器
·TIA:跨阻抗放大器.位于混频器和Rx基带模拟滤波器之间.3dB角点频率可编程,当调用ad9361 set rxrf bandwidth函数时,对RxTIA
的3dB频率进行编程。
·BB LPE是一个三阶巴特沃斯低通滤波器,具有可编程的3dB角频。
·ADC:12位siqma-delta(∑-Δ)ADC
·HB1 HB2 HB3 半带滤波器,数字滤波器
·FIR:数字滤波器,是一个可编程的多相FR滤波器
·当工作频率等干或低于3GHz时,任何LNA输入端口都将提供最佳性能,当工作频率高干3.GHz时,利用Rx1A和Rx2ALNA输入端口获得最佳性能,B和C端口在3 GHz以上时性能会下降
3,传输链
AD9361发送部分由两个相同且独立控制的通道Tx Channel 1和 Tx Channel2 组成,同时共用一个通用型频率合成器。
TX信号路径从数字接口接收1Q格式的12位补码数据,并目每个通道(l和Q)通过具有内插选项的完全可编程的128抽头FIR滤波器。之后进入到一系列附加的插值滤波器,这些滤波器在到达12位DAC之前提供附加的滤波和数据速率插值。如果需要,可以分别控制和旁路FIR滤波器以及三个插值滤波器。
·FIR :数字滤波器,是一个可编程的多相FIR滤波器。
·HB1 HB2 HB3 :半带滤波器,数字滤波器。DAC:12位DAC
·BB LPF:是一个三阶巴特沃斯低通滤波器,具有可编程的3 dB角频率。
·Secondary LPF:Tx次级LPF是一个单极低通滤波器,具有可编程的3 dB角频率。
·Ouput Mux :多路复用
·TxA TxB:两个输出,TX2AN.TX2A P,发射通道2差分输出A,发送器输出端口只能在差分模式下使用
当转换为基带模拟信号时,I和Q信号将进行滤波,以移除采样伪像,然后进入上变频混频器使I和Q信号将重新组合起来,并在载波频率下进行调制。组合信号还会通过模拟滤波器,进行额外的频带整形处理,然后再将信号传输至输出放大器。
4,引脚配置和功能描述

二,时钟和PLL
AD9361使用分数分频锁相环(PLL)来产生发射机和接收机本地振荡器(LO)频率和BB PLL。BB PLL 可用于数据转换、数字滤波器和 |/O 端口。PLL的参考时钟可以由外部振荡器或外部晶体(XO)和数字可编程片内可变电容提供,电容微调产生参考时钟频率,XO和微调电容的组合统称为DCXO。

三,增益控制
AGC(automatic qain control)模式适用于时分双工(TDD)和频分双工(FDD)场景。
手动增益控制MGC模式,BBP可以控制接收机的增益。

四,使能状态机
五,校准
六,数据接口CMOS模式

最近有空都理解和补充这篇长篇博客内容,,,,,,
最后
以上就是现实方盒最近收集整理的关于AD9361功能介绍和使用的全部内容,更多相关AD9361功能介绍和使用内容请搜索靠谱客的其他文章。
发表评论 取消回复