1 放大器定义、分类和选择使用
1.1 放大器定义
放大器(Amplifier): 能够实现信号、功率放大的器件。比如一个3管脚的晶体管、一个8管脚的运算放大器
放大电路: 以放大器为核心,能够实现放大功能的电路组合。晶体管或运算放大器加上电阻、电容等焊接到一起,组合为放大电路
1.2 放大器的全家谱
放大器分为三种:晶体管放大器、运算放大器、功能放大器
1.2.1 晶体管
晶体管分为两类:双极型晶体管(Bipolar Junction Transistor)包括NPN型和PNP型、单极型晶体管(Field Effect Transistor)包括结型管(JFET)和金属氧化物管(MOSFET)。详细分类如图所示:

图片来源于《你好,放大器》
双极型晶体管指晶体管内部,既有电子运动形成电流,也有空穴运动形成电流,两者运动方向相反,流向两个不用的“极”
单极型晶体管指晶体管内部,只有空穴或者只有电子运动形成电流,流向单一的“极”
晶体管可以组成常见的共射(源)极、共基(栅)极、共集电(漏)极放大电路,以及类型多变的多级放大电路
1.2.2 运算放大器
运算放大器(运放)是一个差分输入、多级、直接耦合、高增益放大电路,用集成电路工艺生产在一个单芯片集成电路中。运放包括差分输入端,输出端,供电电源端。运算放大器分类如图所示:

图片来源于《你好,放大器》
标准运放
按照负反馈理论,集成电路生产商只需要生产满足如下要求的集成放大器,称之为运算放大器,即可实现用户的一切要求:
- 运放的
开环增益非常大 - 运放的输入端没有电流,即运放具有
极高的输入阻抗

图片来源于《你好,放大器》
图中a是一个满足要求的运放,但是它不能正常使用,因为开环增益实在太大
图中b把输出端通过两个电阻分压,引回到负输入端,形成了负反馈,有下式成立:

得到任意两个未知量之间的关系,得到:

式中Auf称为闭环增益,就是运放组成负反馈电路后的电压增益

当Auo很大时,得到:

上式说明,满足一定条件时,反馈电路的增益仅与外部电阻R2、Rf有关,而与实际运放的开环增益Auo无关

上式说明,运放在该情况下,同相输入端加载的是信号Us,那么反相输入端呈现出的电位非常接近Us,该现象即为“虚短”。
“虚短”不是运放本身的特性,而是深度负反馈导致的必然结果
全差分运放
全差分运放有差分输入脚IN+和IN-,差分输出脚OUT+和OUT-,如图所示:

图片来源于《你好,放大器》
与标准运放的差别:全差分运放的输出也是差分的

当在Vocm端接入一个电压,那么差分输出的两个端子的共模电压等于输入的Vocm,如下公式:

可以理解为,两个差分输出端子,将围绕输入的Vocm波动
功能放大器
如果某个以运放为核心的放大电路,非常常用,生产厂家会把这个放大电路进一步集成,形成功能放大器。如下如所示减法器电路:

图片来源于《你好,放大器》
功能放大器–仪表放大器
仪表放大器:高阻差分输入,输出有单端或差分,增益可以用一个外部电阻。常用于仪器仪表的最前端,和传感器直接接触。仪表放大器内部通常具有2个或多个运放,典型的是3运放结构
如图所示ADI8221,两个输入端,一个输出端:

图片来源于《你好,放大器》
仪表放大器具有极高的共模抑制比,对信号的差值极为敏感而对共模量不敏感,还有极高的输入阻抗。输入管脚工作限制:
- 不得悬空
- 不能承载太高的电压
功能放大器–差动放大器
差动放大器:由一个运放和若干个激光校准电阻对集成在一起的电路,其中的电阻值选择均以容易形成差动放大器为目的。AD8276包含4个、5个或6个激光校准的电阻,主要用于信号减法、精确增益、信号的差分转单端、电平移位等
如图所示AD8270,内部由两个独立的差动放大器组成,每个差动放大器有7个电阻:

图片来源于《你好,放大器》
功能放大器–程控增益放大器
放大器的增益可以通过数字信号设定,或者可以用处理器程序设定,称为程控增益放大器。放大器的增益设定,有多个管脚配合设定2进制增益的,也有通过数字通信接口给放大器写入命令的
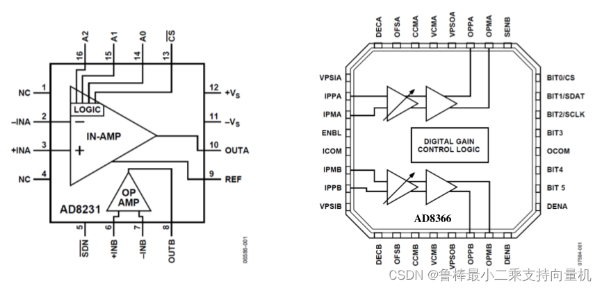
ADI公司生产的程控增益放大器主要分为:低频段的精确增益型、高频段的精确增益型。低频段的AD8231和高频段的AD8366如图所示:

图片来源于《你好,放大器》
程控增益放大器主要用于被测信号幅度变化较大且不可事先预知的情况,如果信号变化范围过大,可以用程序实现增益的缩减,最终使得放大器处于随时可调的最佳增益状态
功能放大器–压控增益放大器
放大器的增益由外部施加的电压Vg连续控制,分为dB线性和V/V线性。正控制,Vg越大,增益越大;负控制,Vg越大,增益越小
- dB线性: 以dB为单位的放大器增益,与控制电压Vg成线性关系。即每相同的控制电压增量,获得相同的以dB为单位的增益改变
- V/V线性: 电压增益V/V,与控制电压Vg成线性关系。即每相同的控制电压增量,获得相同的增益倍数改变
如图所示,AD602和AD8367两款压控增益放大器:

图片来源于《你好,放大器》
AD602是一款应用广泛的独立双通道压控增益放大器,每个通道由压控衰减环节、固定增益环节级联组成,差分输入的C1HI和C1LO作为控制电压Vg,可实现10dB~30dB的dB线性
AD8367功能更为强大,500MHz内实现-2.5dB~42.5dB的dB线性压控放大,且正、负控制靠MODE脚设定,内嵌输出有效值检测
功能放大器–隔离放大器
实现放大器输入信号与输出信号之间的电气隔离,实现方法有:变压器型、光电耦合器型、电容型。如图所示AD202,左边是信号输入区域,右边是输出区域,两个区域时完全隔离的,仅能通过上部的信号变压器、下部的电源变压器实现信号和能量的传递,两区域之间的隔离电压高达2000V

图片来源于《你好,放大器》
需要特别注意,隔离放大器只能放大低频信号,该AD202只有2kHz的带宽
1.3 选择放大器的原则
任何一个运算放大器或者功能放大器,内部都以若干个晶体管为主组成,所以,要实现某个放大电路,如果高级放大器(运算放大器)能够实现,那么低级放大器(晶体管放大器)也一定能够实现
选择放大器的原则:
- 没有一成不变的原则,所以选择都因事而异、因时而异
- 一般情况下,使用多数人选择的或芯片生产商提供的
- 一般情况下,能够采用合适的高级放大器,就不选用低级放大器
- 不要以全分立为荣,用晶体管实现超级复杂的电路;也不要抨击分立元器件,以使用最新的高级功能放大器为荣
- 能用低级放大器就不用高级放大器,能用通用的高级放大器就不用特殊的高级放大器
致谢杨建国老师著作《你好,放大器》

希望本文对大家有帮助,上文若有不妥之处,欢迎指正
分享决定高度,学习拉开差距
最后
以上就是粗犷战斗机最近收集整理的关于《你好,放大器》----学习记录(一)的全部内容,更多相关《你好内容请搜索靠谱客的其他文章。
发表评论 取消回复