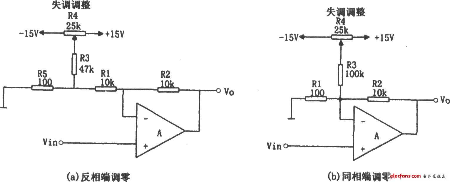
如下图(a)是一种较简单的电路,它利用输入电阻R1和反馈电阻R2作为衰减网络的一部分,连同电阻R3在反相输入端产生一个可变的失调电压。该电压由R3和R1∥R2分压。电位器R4两端接±15V电源,上述分压比约为1000/1.即可以得到±15mV的失调电压范围。对于图(a),其失调电压调整范围的一般计算公式为:
失调电压范围=±VD·[(R1∥R2)/R3] (±VD=±15V)
当在反相端有多个输入信号时.如图(a)中虚示线所示,其失调电压范围为:
多输入失调电压范围=±VD[(R1∥R2∥R1')/R3] (±VD=±15V)
比较上述两式,显然前者的调整电压范围较宽。后者欲加大电压调整范围.可适当改变电阻R5的大小。
图(b)所示电路具有广泛的应用价值.因为调整电压与反馈元件无关,同时,调整电压加在周相输入端,避开了赢流信号通路。在这个电路中,R3和R5的阻值(100kΩ、100Ω)构成了1000/I的分压电路,R5两端将得到±15mV的失调电压调整范围。当R3、R5为其他数值时.失调电压调整范围由下式决定:
失调电压调整范围=±VD·(R5/R3) (±VD=±15V)
电阻R3和R5的阻值要求不太严格,实际上最好把R5选在1kΩ以下。

在下图(a)中,用一个小电阻R5接在R1的回路中,此时R3与R5分压产生的失调电压加到R1的左端,进而由R1和R2再次分压.因而失调电压调整范围由下式确定:
失调电压调整范围=±VD·(R5/R3)·(R2/(R1 R2)) (±VD=±15V)
依据图(a)中的电阻值,其失调电压调整范围约为:±15mV。图中R1=R2.故该电路的电压放大倍数较低。考虑到R5与R1串联,其电压放大倍数Av:
Av=1 R2/(R1 R5)
在图(b)中,加在反相输入端的失调电压调整范围由下式确定:
失调电压调整范围=±VD·(R1/R3) (±VD=±15V)
依据图中数据,其失调电压调整范围为±15mV。图中R3和R1组成失调电压分压器.在反相输入端直接产生失调调整电压.因而电路较简单。在低增益放大电路中不宜采用这种调零方式,因为放大倍数越低。R1两端的信号电压起伏越大,当输入信号改变时。失调电压也会随之变化。高电压放大倍数时。输入电平较低。失调调整电压变化量很小,一般可忽略。

转载于:https://www.cnblogs.com/Zero_Victor/p/3226585.html
最后
以上就是勤恳秀发最近收集整理的关于做宽带直流放大器时,采用ADI公司的两个压控增益放大器AD603级联时,消除其直流偏移,参考的运放应用输入端的调零电路...的全部内容,更多相关做宽带直流放大器时,采用ADI公司内容请搜索靠谱客的其他文章。
发表评论 取消回复