VCA822(821)设计指南
- 1. 引脚说明
- 2. 基本电路
- 3. 仿真设计
之前一直用的是vca810作为压控放大器,但是vca810的带宽、放大倍数等参数不够理想,所以就要求用vca822(VCA821与VCA822的使用是类似的,只不过频率范围更宽,噪声更小,所以也可以参考)。两者还是很类似的,下面就着数据手册进行阅读与仿真。
数据手册地址:https://www.ti.com.cn/cn/lit/ds/symlink/vca822.pdf
1. 引脚说明
vca822有两种封装。因为库存里面soic14的比较多,所以就一次为例分析。引脚图:

- +Vcc:正电源
- VG:增益控制电压
- +VIN:信号同向输入端
- +RG/-RG:增益设置电阻
- -VIn:信号反向输入端
- -Vcc:负电源
- VREF:参考电平
- VOUT:信号输出端
- GND:接地
- FB:反馈电阻接入端
2. 基本电路
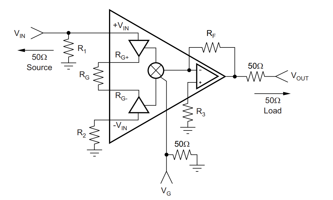
下面来看典型电路:

从这张图中我们可以看出使用VCA822时的基本元素:
- R1,R2:接地电阻,或用于阻抗匹配(一般为50Ω),或用于接地(推荐20Ω)
- RG,RF:两者用来设置最大增益,一般来说,最大增益等于 2 R F R G 2frac{R_F}{R_G} 2RGRF,参考下表:

- R3:VREF接电阻接地(推荐20Ω)
- VG:控制电压。根据数据手册的描述:可以从-1V到+1V变化,如果最大增益为10的话,-1V时对应放大倍数为0.1,+1时放大倍数为10
3. 仿真设计
因为Multisim里面没有VCA822,就用VCA821仿真。两者是非常类似的,只不过增益电阻选取的有些不一样:

仿真电路:

VCA821和822不同的地方在于,VG的变化范围为0-2V,2V对应最大放大倍数,0V对应最大放大倍数的倒数。最终输出如下:

最后
以上就是俏皮猫咪最近收集整理的关于压控放大器设计指南-以VCA822为例1. 引脚说明2. 基本电路3. 仿真设计的全部内容,更多相关压控放大器设计指南-以VCA822为例1.内容请搜索靠谱客的其他文章。
本图文内容来源于网友提供,作为学习参考使用,或来自网络收集整理,版权属于原作者所有。
发表评论 取消回复