我们先来看看这道题目吧!

解题前的准备知识:
1.什么是自循环功能?
现有右移寄存器和右移循环寄存器两个寄存器,假设两个寄存器都是8位的。
则:
右移寄存器的移位1011 1111, 向右移一位,移出的位扔掉,左边空位自动补0,结果为0101 1111。
右移循环寄存器的移位1011 1111,向右移一位,移出的位补到左边空的位上,结果为1101 1111。
右移循环寄存器所展示的就是自循环功能!
2.什么是边沿触发的D触发器?

请注意:
(1)当CP=0时,D触发器处于保持状态。当CP=1时,才符合上图中的特性方程。
(2)边沿触发即在CP信号发生变化的那一刻触发。
3.什么是移位寄存器?
移位寄存器中的数据可以在移位脉冲作用下依次逐位右移或左移。数据可以并行输入、并行输出;串行输入、串行输出;并行输入、串行输出;串行输入、并行输出。

在此仅展示最基本的右向移位寄存器。
下面进入正题!
(1)我们知道右移寄存器是同步的,所以画出三个D触发器,将他们的时钟信号CP端连接起来。
(2)要实现右移进位的功能,就要把前两个D触发器的输出端依次接到后一个D触发器的输入端,从而实现进位功能。
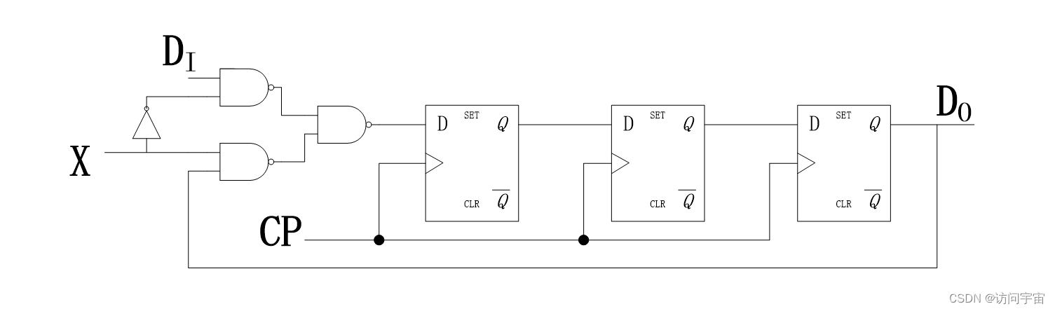
以上两步就得到了最基本的电路图。

(3)现在我们来分析输入端。
1.假设D触发器最左边的输入端为S(上图中小人眼睛盯着的地方),最终输出为D0。
2.画出控制端X和输入端S的真值表。
| X(控制端) | S(输入端) |
| 0(X=0时串行输出新数据DI) | DI(新数据) |
| 1(X=1时自循环,所以输入和输出相等) | D0(最终输出值) |
3.根据上述真值表,我们写出相应的表达式:S=X非 DI+X D0
将上述式子化简成全部用与非门表示:
4.直接根据化简后的式子,画出输入电路。

5.最后将原先的基本电路与刚刚得到的输入电路连接起来,就得到最终的答案啦!

by 访问宇宙
最后
以上就是热心花生最近收集整理的关于如何用边沿触发D触发器和与非门设计一个三位右移寄存器?的全部内容,更多相关如何用边沿触发D触发器和与非门设计一个三位右移寄存器内容请搜索靠谱客的其他文章。
发表评论 取消回复