由于兴趣与实际需求特学习对应的数字芯片,以此笔记简略记录用途等,如有不足欢迎批评指正。欢迎大家踊跃交流。前期门芯片讲述较为简单。
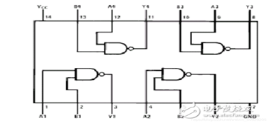
74LS00(四组2输入与非门)

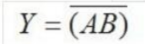
逻辑为:
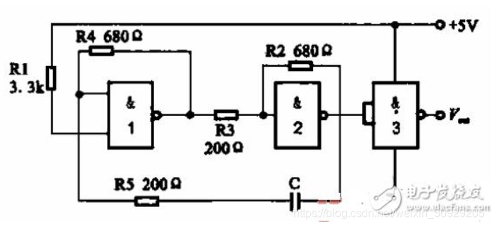
可用于进行与非判断,基本RS触发器,与非门方波发生器等。其中与非门1、2与外界RC时间常数元件组成振荡电路,与非门3为缓冲输出级。只要改变C的容量,便可获得不同频率的方波输出。
74LS01(集电极开路2输入4与非门)
将输出端相连实现线与。即 Y=Y1·Y2。

74LS02(2输入4或非门)(OC)

74LS03(支持多路采集的集电极开路2输入4与非门)(OC)

74LS04(推挽输出6非门)

74LS05(集电极开路6非门)(OC)
74ls05为集电极开路输出的六组反向器,原理图与74LS04相同
74LS06(高压输出集电极开路6非门)(OC)
74ls06六高压输出反相缓冲器/驱动器(OC,30V),输出端最高高达30v,原理图与74LS04相同
74LS07(6缓冲器/驱动器)
高压集电极开路输出,可连接高电平电路的接口(如MOS),驱动高强度电流负载,充当缓冲器用于驱动TTL输入。额定输出电压为30V,最大吸取电流为40mA。

74LS07兼容大多数TTL电路。输入是二极管钳位式,传输产生的不良影响降到最低。74LS07典型功耗为140 mW,平均传输延迟时间为12 ns。
74LS08(4输入与门)

74LS09(集电极开路4输入与门)(OC)
图与74LS08相同,绘图时可再与门输出端加入一个*表示。
以上为几款门电路芯片简述,门电路原理并不复杂,大家根据自身需求选择自己所需要的即可,如有以上某款门电路经典电路或错误欢迎指正。
最后
以上就是天真雪碧最近收集整理的关于74LS系列芯片简记——00-09的全部内容,更多相关74LS系列芯片简记——00-09内容请搜索靠谱客的其他文章。
发表评论 取消回复