一、https://zhuanlan.zhihu.com/p/279941084
二、
@@1、下面是第一个真正的问题:
Why power stripes routed in the top metal layers? 为什么电源走线选用最上面的金属层?
难度:1
1.高层更适合global routing.低层使用率比较高,用来做power的话会占用一些有用的资源,
比如std cell 通常是m1 Pin 。
2. EM能力不一样,一般顶层是低层的2~3倍。更适合电源布线。顶层金属通常比较厚,可以通过较大的电流
3.一般ip占用的层次都靠近下几层,如果上层没有被禁止routing的话,top layer 可以穿越,低层是不可能的,并且高层对下层的noise影响也小很多。
4.高层具有较小的寄生电阻,产生的电压降更小。
@@2、Why do you use alternate routing approach HVH/VHV (Horizontal-Vertical-Horizontal/ Vertical-Horizontal-Vertical)?
为什么要使用横竖交替的走线方式? (感觉这个问题比较弱智,但是号称是intel的面试问题,晕!我憧憬和向往的圣地啊!!!) 难度:1
老是简单的问题比较无趣,问一个貌似简单,但是不容易回答完整的
1.有效利用布线资源,更利于布线
2.线间干扰最小
@@3、How to fix x-talk violation?
如何解决线间干扰?
难度:4 (关于难度的定义,在第一题里面)
(应该至少有5大类解决办法,wire spacing, shielding, change layer之类的只算其中1类)
1.增加受害网络的驱动能力upsize victim driver减小侵害网络的驱动能力
2.Double witch ,double spacing,wire shileding
3.Insert buf in victim net
4.Victim的输入端改成hi-vth cell ,hi-vth保证了再小纹波干扰下不发生翻转
5.改变timing windows
@@4、What are several factors to improve propagation delay of standard cell?
哪些因素可以影响标准单元的延迟?难度:3
答案应该包括
1) PVT
2)input transition, output load
3)Vth
@@5、What would you do in order to not use certain cells from the library?如何禁止使用库里面的某些单元?难度:1
禁用就用set_dont_use禁止修改就用set_dont_touch
@@6、During the synthesis, what type of wire load model are often used?
做RTL综合时,经常使用的wire load model有哪几种?难度:2
注意:问题是wire load model,不是wire load mode,也不是delay model
答案:
1)zero wire load model
2)基于fanout的传统 WLM
3)基于物理位置(距离)的wire load model,在Cadence的RC中叫PLE,Synopsys叫DC Ultra Topographical
附加问题:
What types of delay model are used in digital design? (数字IC设计中有多少种类型的delay model)
答案:NLDM CCS ECSM 还有一个现在基本不用了的—LDM
@@7、How delays are characterized using WLM (Wire Load Model)?使用一般的WLM (不是zero WLM,也不是按照物理位置算的DCT),DC是如何计算delay的?难度:2
DC在计算延时的时候,net的rc就要根据所选取的wrie load model来计算,
计算时和输出的fanout决定
以smic13的smic13_wl10为例
wire_load("smic13_wl10") {
resistance : 8.5e-8;
capacitance : 1.5e-4;
area : 0.7;
slope : 66.667;
fanout_length (1,66.667);
根据fanout值,由fanout(1,66.667)可以得出互连线长度为66.667,然后根据resistance和capacitance计算出互连线电容为1.5e-4*66.667,互连线电阻为8.5e-8*66.667
,当然如果扇出值表中没有,就会用到slope,例如扇出为3时,此时估算的互连线长度为1*66.667+(3-1)*slope,再计算出RC值,然后DC由此计算net的延时。
@@8、There are source clock clka (create_clock), and generated clock clkb by clka.
In pre-CTS netlist, there is network latency in clka, how this latency propagates to clkb?
In post-CTS netlist, What you need to do for this network latency?
假设有两个时钟,原始为clka,生成的时钟为clkb,
在没有时钟树的网表中,clka的network latency会自动传递到clkb上吗?clkb的latency如何描述?
在生成时钟树的网表中,如何处理network latency? clkb的latency又如何描述?难度:3
答案:
在pre-CTS时,clka的network latency会自动传到clkb上在post-CTS时,可以把network
latency去掉,通过set_propagated_clock命令,让工具根据clock tree去计算实际的clock
network latency
@@9、There are source clock clka (create_clock), and generated clock clkb by clka. how do you
specify them in CTS spec file? Assume there is real timing path between clka and clkb.
clkb是clka的生成时钟,在CTS的spec文件中如何定义这两个时钟?假设clka和clkb
间的FF有时序收敛的要求。难度:3
答案:
CTS的spec文件中定义 clka 是 root,clkb 为 through pin,再加上那些应该有的skew
transition,insertion delay等就好了,其它的事CTS会给你做
@@10、假设在pre-CTS的时序约束中,setup的clock uncertainty是由PLL jitter和clock tree
skew两部分组成,那么
1)pre-CTS的时序约束中,hold的clock uncertainty是什么?
2)post-CTS的时序约束中,setup和hold的clock uncertainty要做什么样的修改?难度:2
答案:1) pre-CTS,
setup的clock uncertainty = PLL jitter + clock tree skew
hold的clock uncertainty = clock tree skew
2) post-CTS,
setup的clock uncertainty = PLL jitter
hold的clock uncertainty = 0
@@11、What are various techniques to resolve routing congestion?
请详细解释解决走线阻塞的问题难度:4
提示:1) routing congestion发生在后端,前端一般不太考虑这个问题,需要后端自己去
办法解决,但是解决的办法不只在后端,也有一些方法需要前端的配合
2) 阻塞有多种情形,要分别讨论,没有一个统一的解决办法。能够把大部分的阻塞情况列举出来,就已经够4级的水平啦
答案:
1)阻塞在RAM(macro)之间:可能RAM之间的距离没有计算正确,可以加大RAM之间的间距;扭转RAM的方向,使得RAM的IO pin朝向更容易走线的那边;如果是多个RAM共用地址或者数据线,尽量把RAM的地址数据pin对齐
2)阻塞出现在RAM和帮助单元交界的地方:在RAM周围加一条halo(keepout);把RAM放在四周,尽量把中间留下的空间变成方形;在有阻塞的地方加一些由小的placement blockage组成的矩阵
3)阻塞出现在标准单元的某一块:也可以加一些由小的placement blockage组成的矩阵;module/instance padding;利用placement guide减少那块地方的标准单元个数;scan chain reordering也会改善一些阻塞;定义density上限;使用congestion driven的placement,并且要求place之后做congestion优化;在综合是禁止使用那些pin太多太密集的标准单元(多半是那些复杂的组合逻辑单元);请前端使用RAM代替触发器矩阵;请前端修改算法
4)应该尽量减少power route占有的资源,谨慎选择power mesh使用的金属层,VIA的大小等。在detail route完成之后,你如果已经试了各种解决signal congestion的方法,还有少量DRC无法解决时,可以考虑切掉部分power mesh
@@12、How do you get better skew/insertion delays in CTS (Clock Tree Synthesis)?
如何得到更好的时钟树skew和insertion delay 难度:4
如果是用普通的CTS的方法,可以从下面几个方面着手。不太可能一次就把CTS做得很好,要反复调试各种参数,达到最佳效果。
1)合理的clock root和through pin。这个看似CTS会从SDC自动抓出来,但是并不一定是最好的,特别是多个clock相互有重叠的leaf pin时,要特别注意
2)不要用太大或者太小的clock buf/inv
3)选用RC最小的金属层。如果上面RC最小的金属层已经被占用,比如RC最小的top,top-1已经不够clock net时,而top-2到layer2都是一样的RC时,可以选用layer3/4。为什么不用更高层哪?因为这样既照顾了layer2/1的pin,有不用太多的via到更高层
4)如果用double width clock wire,可以适当增大clock buf/inv的size
5)合理的max fanout。有时clock buf/inv的fanout可以超过max_fanout的限制
6)不要把skew设得太小
7)min_insertion_delay = 0ns
8)合理的transition time,不要太小
9)使用postCTS的CTS opt
10)做clock tree时,就直接把clock net走线完成
@@13、If giving total standard cell gate count, all memory macro list including memory type, bit
width and depth, all other macro with real size, and IO type and total number. How do you
estimate the die size?
如果告诉你标准单元的门数,所有内存的类型和逻辑大小,其他IP的实际大小,以及IO cell
的种类和数量,你如何估算整个芯片的面积?
答案:
IO neck 和 core neck 一般称作 IO limited 和 core limited,
IO limited :这个芯片的面积是因为IO个数限制(太多),而不得不做得那么大。core部分其实用不了那么大。这时面积计算就简化为每边IO个数的计算了。
Core limited:芯片面积是有core部分的决定的,IO没有那么多
在Core limited情况下,die size的估算如下:
芯片面积 = core面积+ power ring面积 +PAD ring面积
core面积 = RAM面积 + 其他macro面积 + 标准单元面积
RAM面积 = RAM 自身的面积 + RAM power ring面积 + keepout面积 + mbist面积
RAM自身的面积可以通过memory compiler或者查datasheet得到,
有些RAM 可以不要power ring。如果要的话,按照power mesh的宽度 x RAM的长宽 x 2 = 面积
keepout + mbist 的面积一般是RAM自身面积的10%
其他macro的面积,比如PLL,ADC,DAC等,直接把面积加起来,再留3~5%的keepout面积就好了
标准单元的面积=(预估的gate count x 每个gate的面积)/ utilization
utilization与使用的金属层数和设计的用途有关,简单地计算方法是
5层metal:50%
6层metal:60%
7层metal:70%
8层metal:80%
以上不包括power专用的金属层
如果设计是多媒体芯片,一般可以增加3~5% utilizaion,如果是网络芯片,则要减少3~5%
@@14、what is pros and cons of using buffer and invters in CTS?
CTS中使用buffer和inverter的优缺点是什么?
难度:3
答案:
使用BUF:
优点:逻辑简单,便于post-CTS对时钟树的修改
缺点:面积大,功耗大,insertion delay大
使用INV:
优点:面积小,功耗小,insertion delay小,对时钟duty cycle有利
缺点:不易做时钟树的修改
@@15、If giving two physical dies as below, and ask you select one of them. How do you pick it up? explain the reason please.
(1) width = 2 x height
(2) height = 2 x width
如果从下面的两个芯片中选一个给你做后端设计,你选哪个?请说明选择的理由?
(1) 宽 = 2倍的长
(2) 长 = 2倍的宽
答案:
去除不太好用的layer(比如metal1)和power专用layer(比如RDL)后,比较剩下的layer可以提供的H和V的routing resource,如果H的多,就选宽的,反之,就选高的。
@@16、if the design is IO limited, how to reduce the die size?
因为IO太多而导致芯片面积过大,有什么方法减小面积?难度:2
答案:
1)stagger IO,2重io 可以算一个方法
2)IO可以不全放到四边,只要封装没问题就行啦 -- flip chip 算第二个方法
3)如果有多套IOcell可以选择,尽量选瘦的
4)调整芯片的长宽比
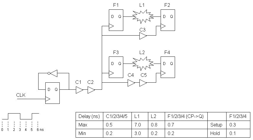
@@17、giving the schematic and delay in attached picture, calculate the WC setup slack at D pin of F2, and BC hold slack at D pin of F4
如图所示,时钟和延迟,计算到F2输入端D的setup slack,到F4输入端D的hold slack难度:3

答案:
F2输入端D的setup slack是(8+0.5-0.3)-(0.7+7.0)=0.5
F4输入端D的hold slack是(0.2+0.2)-(0.2+0.2+0.1)=-0.1
@@18、using the same logic as question #17, considering OCV on clock path only, which clock buffer will be used for OCV derating calculation and which clock buffer will not (a.k.a. CPPR)?
如果考虑clock path的OCV,在第17题的电路里面,哪几个时钟BUF要被用来计算OCV的derating,哪几个不用(又叫CPPR)?暂不考虑X-talk产生的incremental delay
答案:
C1 C2不用算入derating(应该是也计算过,但是会通过CRPR弥补),C3,C4,C5 要计算derating
附录:以下是几个概念的通俗解释。
OCV:因为制造工艺的限制,同一芯片上不同位置的单元会有一点差异,这就是OCV。现在还有LOCV和AOCV,暂且不提。
derating:是计算OCV的一种简单方法,在某个单一条件下,比如WC或者BC,把指定path的延迟放大或者缩小一点,这个比率就是derating。注意,这里要强调的是某个单一条件,要么是WC,要么是BC,不能把WC和BC混在一起,再OCV,因为那样太悲观,实际上是很难发生的。
除了derating以外,在使用incremental SDF的时候,也会对OCV发生作用。这是明天的问题,比较有难度。
CPPR:一条path的start flop和end flop的时钟路径,有时会有一部分是重合的,重合的部分不应该算OCV(注意,这里假设没有使用incremental SDF),这就叫CPPR。
@@19、continue from question #18. Because there is CPPR, the OCV derating on clock path C1 and C2 are canceled. Now giving incremental delay caused by x-talk at net between C1 and C2. Please use the derating to calculate the difference of clock path delay from C1 to C2 (including the net between them) for WC setup and BC hold.
接上面#18的问题继续讨论,因为有CPPR,在C1到C2那段clock path上面的OCV被抵消掉了。现在我们增加一个由x-talk引起的incremental延迟在C1到C2的那段net上,具体数字见图。
问题:
对于C1到C2那段clock path,
在计算WC setup时,因为OCV引起的路径延迟的差是多少?
在计算BC hold时,因为OCV引起的路径延迟的差是多少?
注意:
问题是那段clock path因为OCV引起的path delay的差,不是问path delay的绝对值
难度:5
难度5的问题不是盖的吧,
好,改为选择题,
C1到C2一段的OCV延迟的差,
1)在计算WC setup时,是
a) 0
b) 0.0005
c) 0.00075
d) 0.0245
2)在计算BC hold时,是
a) 0
b) 0.001
c) 0.0015
d) 0.0265
答案:
现在从incremental SDF的格式说起,
(-0.01::0.015)(-0.015::0.01)
左边括弧里的是rising timing延迟,右边的是falling timing
括弧里面的一对数字表示在这个条件下(WC或者BC)延迟的最大和最小值
因为是incremental延迟,要和基本延迟结合使用,所以,会有负数出现。
再讲OCV的使用incremental SDF的方法,
OCV计算path delay时挑选最困难的情况,
在WC setup时,比如从F1到F2,
计算F1的clock path,就选incremental SDF里面的最大值0.015,
计算F2的clock path,就选最小值-0.01
因为有0.95 derating在-clock,-early上,所以F2的clock path要按比例缩小-0.01x0.95=-0.0095
所以C1到C2那段的OCV的差是0.015+0.0095=0.0245 (选项d)
在BC hold时,比如congF3到F4,因为2个FF在同一个时钟沿检测hold timing,
CPPR可以把incremental SDF的延迟也抵消掉,
所以C1到C2那段的OCV的差是0 (选项a)
结论:
计算setup时,CPPR不抵消incremental SDF
计算hold时,CPPR连incremental SDF都可以抵消掉
@@20、Explain ECO (Engineering Change Order) methodology.
说一下ECO的流程 难度:2
答案:
ECO有两种,pre-mask ECO和post-mask ECO,它的分界线就是base layer tape out之前和之后。
pre-mask ECO的流程是
1)后端写出网表,给前端
2)前端修改这个网表 (一般不再做综合),可以使用任何标准单元(只要不是dont_use),交给后端
3)后端读入ECO网表,和ECO之前的place和route
4)ECO place&route,STA, DRC/LVS
post-mask ECO流程,假设你不想动base layer
1)后端写出网表,给前端
2)前端修改这个网表 (一般不再做综合),只能使用spare cell或者象gate array一样的ECO cell
3)后端读入ECO网表,和ECO之前的place和route
4)如果使用spare cell,不用ECO place;如果用ECO cell,要将ECO cell放在以前带gate array功能的fill cell的位置上,再按照指定的layer做ECO route
@@21、What do you write in CTS spec file?
CTS spec 文件中一般包含哪些内容? 难度:3
答案:
(以Cadence CTS spec file 格式为例)
AutoCTSRootPin pad
Period
MaxDelay
MinDelay
MaxSkew
SinkMaxTran
BufMaxTran
Buffer
NoGating NO/YES
DetailReport YES/NO
#SetDPinAsSync NO/YES
SetIoPinAsSync YES/NO
RouteClkNet YES/NO
PostOpt YES/NO
OptAddBuffer YES/NO
#RouteType specialRoute
#LeafRouteType regularRoute
ExcludedPin
leafpin leafport
hroughpin throughport
clkgroup
macromodel pin
@@22、If there are too many pins of the logic cells in one place within core, what kind of issues would you face and how will you resolve?
如果在core里面某一块有太多的标准单元的pin,有可能出现什么place&route的问题,如何解决?
难度:3
答案:
1)禁止使用pin太多的cell
2)减小utilization,方法很多
3)看v h 可用资源,适当调整moudle 形状
@@23、If there are DRC (spacing,short), hold and setup violations in the design, you don't have enough time to fix all of them before tape out, which one you will fix first, which one you can leave it as is? Why?
如果设计中有DRC (特指spacing和short),hold和setup违反,tape out之前,你已经没有时间去修改所有这些违反,那么你首先修改哪个?哪个可以不管?请说明理由。难度:2
答案:
1) short, spacing
2) hold
3) 如果没有时间,setup可以忽略
@@24、how to set multicycle path constraint?
如何设定multicycle path?难度:1
提示:在一般情况下,multicycle -setup 和 -hold 要成对使用
答案:
clock domain:
fast-slow:set_multicycle_path num -setup -from clk1 -to clk2 -start
set_multicycle_path num-1 -hold -from clk1 -to clk2 -start
slow-fast:set_multicycle_paht num -setup -from clk2 -to clk1 -end
set_multicycle_path num-1 -hole -from clk2 -to clk1 -end
data path:
set_multicycle_path num -setup -from data1 -to data2
set_multicycle_path num-1 -hold -from data1 -to data2
延伸问题:
为什么-hold一般是-setup的n-1?如果只有-setup木有-hold会怎样?
答案:
hold 是对前后两个flip flop在相同时钟沿的检查.设了n-1就是返回n-1个周期做hold的检查,满足了两个flip flop在同一个时钟沿。如果没有-hold 默认是检查n前一个有效时钟沿,如果n>=2,hold的检查就不是在同一个时钟效沿,对hold的要求就要多n-1个周期,那样太苛刻了,一般时序无法收敛
@@25、how are timing constraints developed, such as clock, generated clock, IO timing, exception? What backend team contribute to it?
一个设计的时序约束是怎么写出来的?请大略说明时钟,IO delay,false path, multicycle path是如何得到的?在完成时序约束的过程中,后端可以给予什么样的帮助?难度:2
答案:
clock和generated clock一般由设计spec决定。除非有些个别的local generated clock可以有前端工程师自己添加
IO timing与系统设计有关,应该参考/兼顾其他芯片的IO时序,由前端工程师作出
exception(false path, multicycle path)一般是由前端工程师在做设计时决定的
后端可以提供clock network delay/skew,DRV,以及帮助检查SDC是否合格
@@26、In regular backend flow with only one functional mode SDC, please explain timing closure methodology/issue/fixes in pre-CTS, post-CTS and post-Route stages.
在只有一个function SDC的普通后端流程中,对于pre-CTS, post-CTS 和 post-Route这三步,请分别讲述它们在时序收敛上的方法,一般会遇到的问题和解决方法。
难度:3暂时不考虑DFT。后续的每日一题中,会加入DFT mode SDC。
答案:
pre-CTS时,使用ideal clock,只fix setup
post-CTS后,使用propagate clock,可以只fix setup,检查hold,但可以不fix hold
post-Route后,依然使用propagate clock,fix setup和hold
具体遇到的问题和解决方法:
pre-CTS: 如果有setup,重在调整floorplan,buffer tree结构
Post-CTS: 如果有setup,重在调整clock tree,buffer tree结构或者size
Post-Route: 如果有setup/hold,微调clock tree/buffer tree的size,routing channel和图层,实在不行,回到CTS
@@27、Continue from previous question, if adding one more DFT timing constraint, how do you handle the multiple SDC? Using Encounter or ICC commands, please explain the detail what you do.
继续#26的问题,如果再给一个DFT时序约束,在后端流程中,你如何处理多个SDC?假设使用Encounter或者ICC,请详细介绍如何设置 难度:3
答案:
简单地说就是使用MMMC。
在Encounter里面,要逐步定义,
create_library_set
create_op_cond
create_rc_corner
create_delay_corner
createPowerDomain
create_constraint_mode
create_analysis_view
set_default_view
set_timing_derate
对设计和SDC仔细分析后,也可以合并function SDC和几个DFT SDC,这个属于难度5的做法
@@28、There are function SDC with multiple clock domain and scan SDC with an individual scan clock. Assume those functional clock are un-balanced, how do you balance the scan clock?
假设一个设计的function SDC中有多个时钟,在scan mode下,另有一个单独的scan clock,如果functional的各个时钟树之间是不平衡的,请问如何平衡那个scan时钟?
难度:4
答案:
如果CTS支持multi-mode,直接使用即可。
如果不支持,或者MMCTS效果不理想,就是在CTS spec中,同时定义function 和 DFT 的时钟,然后在scan clock里面,把MUX设为leave pin,再让它们与function clok到MUX的延迟做动态平衡
@@29、There are function SDC, scan shift, scan capture, scan at-speed, mbist at-speed, and jtag SDC. Considering CPU run time, you can't add all of them into MMMC. Then which SDC you will add in to MMMC setup, and hold?
在一个设计中有多个时序约束,象function,scan shift, scan capture, scan at-speed, mbist at-speed, 和 jtag SDC,为了减少运行时间,不能把它们都放入MMMC中,你选择哪些放入MMMC的setup中,哪些放入MMMC的hold中?
提示:选择的SDC要尽量的少,并且尽可能多地覆盖其他没有入选的SDC下的时序
难度:4
答案:
这个要从每个SDC的特点着手,个人经验,与设计有关,不敢保证使用与所有设计。
1) scan shift:速度很慢,不用太担心setup,但是hold很重要,一旦hold有问题,所有与scan有关的测试全泡汤
2) scan capture:也是慢速,但是会有很多hold出来,特别是在不同的function时钟之间
3) scan at-speed:高速,解决了它的setup,其他DFT的setup基本上就连带着解决了
4) mbist at-speed:高速,但是涉及的逻辑不多
5) jtag:慢速,很容易与function SDC合并
所有结论是
MMMC setup:function + scan at-speed
MMMC Hold: function(+jtag) + scan shift + scan capture
@@30、Explain SDF and SPEF back annotation timing correlation issue, especially in different STA tools
请解释反标SDF和SPEF在时序分析时的差异,特别是用不同的STA工具检查timing时 难度:3
答案:
使用SDF做时序分析,无论使用什么tools,其结果应该是一样的,没有差异
使用SPEF时,因为工具需要把SPEF换算成SDF,这时会产生差异。
所以建议使用一个你信得过的工具生成SDF,然后大家都使用这个SDF做STA和仿真
@@31、

There are 4 power supplies in the design. VDD1/2/3 are different voltage. VDD1 is always on, but VDD2 and VDD3 can be turn off and on. VDD2 to block B and block C don't switch at same time. Please fill in the blank which net needs to be added level shifter and/or isolation cell. If you think Level shifter/isolation cell should be added in netAB at B side, then write B; if you think it's not necessary, write X.
如图,一个设计中有4个电源,VDD1/2/3的电压各不相同,VDD1总是开着,其他会有开和关,并且到模块B的VDD2和到模块C的VDD2有各自分别的开关。请判断在连接这4个模块的8条net上,哪些需要level shifter,哪些需要ioslation cell,把结果填入右边的表中。
填法如下:假如你认为需要在netAB上加个level shifter,加的位置在模块B里面,就在netAB的右边的第一列空格里写B。如果什么都不加,就写X 。难度:3
没做过low power设计,但是研读过low power methodology manual for soc这本书。我来说说我的理解,有不对之处请高手指教。
一、电平不同的模块之间即需要level shifter,故netAB/BA/AD/DA/CD/DC都需要level shifter。至于level shifter的位置是放在src端还是des端。一般来说H2L的由于只包含有des的power rail,所以肯定要放在des端。而L2H则包含有两种power rail。肯定需要跨电压域的电源线连接。考虑到output driver需要的电流一般要大于input driver需要的电流。所以也推荐放在des端。在本题中也未提到电平之间的相对大小。所以我都放在des端。
二、有power gated控制的模块,其输出都要加上isolation cell,故netBA/BC/CB/CD/DC/DA都需要isolation cell。其位置的摆放也有两种,一是摆放在ouput端,一是摆放在input端。前者一是可以节省所需要的isolation cell数量(考虑一个模块引脚的输出连到多个模块引脚的输入的情况),二是便于check。后者优点是isolation cell需要always-on的power。若放在output端,还需要引always-on的power rail过来。故此例中BA和DA的isolation cell都放在了A模块中,其它的则放在ouput端。
我的答案是:
netAB B X;netBA A A;netBC X B;netCB X C;net CD D C;net DC C D;net DA A A;net AD D X;
应该是“后者优点是isolation cell不需要always-on的power”吧?
isolation cell理论上可以放在output端,但是考虑power-on rail的走线,isolation cell自身的功耗,一般还是放在input端比较好。
你的答案也是正确的!
@@32、Continue from #31 question, there is isolation cell on netBA with isolate enable pin. When shutdown the block B, will you enable isolate pin first, or shutdown B first? What order it is during block B power-on?
接着上一题提问,在netBA上有一个isolation cell,isolation cell都会有一个isolate enable端,在模块B关断电源时,是先让isolate enable端on哪,还是先关模块B?反之,在开模块B的电源时,谁先谁后?难度:2
答案:
先isolate on,再power off,反之先power on,再isolate off
@@33、There are 1000 clocks in a design. You guess the constraint cross the clocks is incomplete, and want to have a list of clocks which has cross clock domain path. How do you find whether there is path between 2 clocks?
设计中有1000个clock,你怀疑跨时钟的时序约束有问题,想找出哪些clock之间有real path,请问如何找?难度:2
答案:
check_timing
report_timing -clock_from -clock_to 循环
@@34、What are various statistics available in IR-drop analysis reports?
IR-drop的分析报告里面都包含哪些内容?难度:2
答案:
至少包括
各种mode下的static和dynamic IR-srop report,其中drop的容许范围可以参考厂家的意见
function mode下的EM report和RJ report
@@35、With respect to clock gate, what are various issues you faced at various stages in the physical design flow?
在后端流程的每步中,如何处理门控时钟?难度:3
答案:
如果是用latch+and/or在组合成的clock gating cell,比较麻烦,以后估计不多见了,暫不讨论。TomPaul提到的问题都很让人头痛,特别是做CTS时,如何处理那些个latch的clk pin。Place时,latch和and/or cell一定要靠得很近。
一般使用ICG cell时,
place:使用clock gating aware placement选项
CTS:主要看工具的本领了,一般是希望在满足setup的前提下,ICG cell要尽量靠近clock root
route:除了clock net优先以外,不记得还有什么可做的了
@@36、What is SSO? How to calculate the SSO in pad ring design?
什么是SSO,设计PAD ring时,如何计算SSO?难度:3
答案:
sso ,即simultaneous switching ouputs,即允许同时切换的信号IO的数量。多个信号IO同时切换时,因更多电流流过pad ring,在pad电源IO的bonding wire及片外引线上的电感上,产生Ldi/dt的压降。也即ssn,同时切换噪声。主要是会引起地弹,即ground bounce。
避免sso有很多方法。如增加供给pad用的电源IO数量,采用double bonding或triple bonding,采用slew rate control的IO,避免把pad电源IO放在corner上(corner处bonding wire引线最长,L最大),等。
主要还是采用增加pad用电源IO数量的办法,计算方法一般foundry会提供,一般是给每个信号PAD一个DF值(还要根据bonding wire电感值做出选择),把自己用的所有信号IO的DF值加在一起,能得出所需要的POWER PAD的数量。
@@37、In building the timing constraints, do you need to constrain all IO ports? Can a single port have multi-clocked? How do you set delays for such ports? Can a clock port have multi-clock definition? How do you create clock for this port?
写时序约束时,是否需要对所有的IO端口加约束?一个信号端口是否可以被多个时钟约束?应该如何对这种端口设置delay?一个时钟端口是否可以定义多个时钟?应该如何定义这些时钟?难度:2
答案:
CLOCK ports 不需要加,其他都要
可以,set_input_delay -add_delay
可以,create_clock –add
@@38、What is purpose of lockup latch in scan chain? Does lockup latch always fix the problem of first question? Does lockup latch clk pin connect to the clock of predecessor flop or successor?
scan chain中插入lockup latch的目的是什么?是不是lockup latch总能达到那个目的?lockup latch的clk端与前一个flop的clock相连,还是后一个flop的clock相连?
难度:3
答案:
一般scan 用的时钟树大部分是与function的共享,所以scan chain的前一段和后一段的clock insertion delay会不一样,因为scan shift速度很慢,不太用顾及setup,但是要确保hold。
所以在前一个FF的clock insertion delay小,后一个大时,插入一个lockup latch,使信号多保持半个周期,以满足后一个FF的hold要求。
它们的时序关系是
前FF时钟延迟+1/2 scan时钟周期 >= 后FF时钟延迟 + 后FF hold要求
当后FF时钟延迟太大时,lockup latch也解决不了hold违反的问题
按此分析,lockup latch的clk端是和前一个FF的时钟相连的。
@@39、How is scan DEF generated?
scan DEF是怎么生成的?难度:2
在第一次做完scan chain stitch后,让DFT tool输出一个scan def
@@40、What are pros/cons of using low Vt, high Vt cells?
使用low Vt 和 high Vt cell的优缺点?
难度:1
答案:
lvt cell速度快,耗电高,静态电流大
hvt cell速度慢,静态电流小
这是timing与power的trade off
@@41、How do you reduce standby (leakage) power? How do you reduce dynamic power?
如何减少静态功耗?如何减少动态功耗?
难度:3
答案:
老陈认为,这是最邪恶的一种提问方法!貌似简单,其实覆盖范围很广。
leakage power + dynamic power 不就是 total power 吗?
那么这个问题可以换一个说法:如何减少功耗?
这样可以从系统结构,算法,前端,一直说到后端,即可以罗列几个大的方向,也可以具体到每个细节,你也搞不清楚他想问的是那个方面。
反过来说,如果他有意刁难你,就可以用这种问法,反正你答不全,到时就说你水平不够!
我们就集中在后端的部分(加一小部分前端),而且是细节讨论
楼上几位说得都对,总结一下
静态功耗:
非关键路径HVT cell 替换
coarse grain, fine grain, power shutdown
减少decap_cell
散热降温
动态功耗:
降压
power island
DVSF
非关键路径HVT cell 替换
clock gating
memory split
signal gating
transition time 约束
减小高速信号的走线长度
@@42、How do you design PAD ring?
如何设计PAD ring?
难度:3
(又是一道比较邪恶的题目)
大的流程是:
1)根据系统(其他芯片的)要求,芯片内部的floorplan,决定信号PAD的位置
2)计算出power PAD的个数,插入到信号PAD里面
3)加其他的PAD,比如IO filler,power cut,power on control,corner PAD,ESD等
细节可以包括:
1)如何计算core power PAD:估算core power,再加50%,算出电流,除以每个core power IO的最大电流,就是大致的PAD个数。插入到信号PAD ring后,还要再计算power EM,防止一根电源线上的电流过大。
2)如何计算IO power PAD:从信号IO的功耗算起,同时计算SSO,取2个结果里面较大的
3)在什么地方插入power cut:不同的电压core电压和不同的IO电压之间,power island之间,数字和模拟电源之间。
4)power on control PAD,一段每个IO ring需要一个
5)ESD一般要加在每个不同的电源之间
@@43、In hierarchical design flow, explain block level pin placement flow? What are parameters to decide?
在hierarchical流程中,如何确定block的pin(位置,金属层)?难度:3
答案:
在top-down流程中
位置 :主要是看与该block相关的其它block(如ANALOG 等)的interface,一般相关的PIN/PORT 要比较近,同时也尽量不要使PIN被block内部的 memory(一般放在block 的boundary处)等挡到金属层 :也要看相关的其它block的PIN/PORT 所出的金属层,尽量用一致的,同时不用M7.M8等一般用来走power 的金属层,当然M1 也不用encounter(ICC也应该是同样的道理)用flatten的trial route来决定block pin的位置和金属层。
当然,你可以事先指定,也可以事后修改在bottom-up流程中,主要是人为的规定了
@@44、What does x-talk reports contain? How do you use those reports to improve the design?
分析X-talk后都输出哪些报告和结果?如何利用这些结果改善设计?
难度:3
答案:
X-talk的分析结果中,至少要包含X-talk glitch 和X-talk delay 的报告和数据,
可以把glitch报告读回到P&R tool里面,让tool自动解决这些问题,也可以手动,详细请参考每日一题(003)
X-talk delay就是incremental delay,反标回网表中以后,再做一次时序优化
@@45、Explain function and difference of Muxed FF (Multiplexed Flip Flop) /scan FF (with scan_in and scan_en input pins).
解释Muxed FF和scan FF的异同
难度:2
答案:
Scan FF 是Mux FF的子集。Scan DFF 从功能上讲,就是Mux+FF
但是一般2者不混用,因为在输入端的时序要求大不一样
想问的是 scan FF的内部结构以及时序特点
@@46、In logic equivalence checking, how do you handle scan_en signal?
LEC中如何处理scan_en端?
难度:3
答案:
如果有scan chain reorder,disable scan_en
如果没有,enable scan_en
@@47、why optimize leakage power after timing closure? What's happen if doing it with setup violation?(在P&R中)为什么优化静态功耗要在时序收敛之后做?在有setup违反时做的话,会怎么样?难度:3
答案:
优化静态功耗主要是通过换HVT的CELL的方法来做吧。在有setup违反时做自然会使已经违反setup的路径变得更差更难收敛。这里应该先考虑满足timing,再尽可能降低power
@@48、Does a standard cell leakage power depend on its input patten?
标准单元的leakage功耗与其输入端的状态有关吗?不考虑input pin open的情况
难度:2
答案:
有影响的。根据衬底偏置效应,阈值电压与Vbs有关。对于nmos来说,一般B级电平固定接地。s级电平越高,阈值电压越小。相应漏电流越大。
@@49、If you have both IR drop and congestion how will you fix it?
如果设计中既有IR-drop的问题,又有congestion的问题,你如何解决?
难度:3
答案:
如果说的是同一块区域即有IR 又有congestion的话,把这块区域的cell密度降低一点就可以了吧
@@50、纪念每日一题累计到50,发一组选择题,从其中选一个最适合的答案,问题太多,不附带中文了
大致的难度在1和2之间
- 1) Chip utilization depends on ___.
a. Only on standard cells
b. Standard cells and macros
c. Only on macros
d. Standard cells macros and IO pads
- 2) In Soft blockages ____ cells are placed.
a. Only sequential cells
b. No cells
c. Only Buffers and Inverters
d. Any cells
- 3) Why we have to remove scan chains before placement?
a. Because scan chains are group of flip flop
b. It does not have timing critical path
c. It is series of flip flop connected in FIFO
d. None
- 4) Delay between shortest path and longest path in the clock is called ____.
a. Useful skew
b. Local skew
c. Global skew
d. Slack
- 5) Cross talk can be avoided by ___.
a. Decreasing the spacing between the metal layers
b. Shielding the nets
c. Using lower metal layers
d. Using long nets
- 6) Prerouting means routing of _____.
a. Clock nets
b. Signal nets
c. IO nets
d. the net with special requirement
- 7) Which of the following metal layer has Maximum resistance?
a. Metal1
b. Metal2
c. Metal3
d. Metal4
- 8) What is the major goal of CTS?
a. Minimum IR Drop
b. Minimum EM
c. Minimum Skew
d. Minimum Slack
- 9) Usually Hold is fixed ___.
a. Before Placement
b. After Placement
c. Before CTS
d. After CTS
- 10) To achieve better timing ____ cells are placed in the critical path.
a. HVT
b. LVT
c. RVT
d. SVT
- 11) Leakage power is inversely proportional to ___.
a. Frequency
b. Load Capacitance
c. Supply voltage
d. Threshold Voltage
- 12) Regular filler cells are added ___.
a. Before Placement of std cells
b. After Placement of Std Cells
c. Before Floor planning
d. Before Detail Routing
- 13) Search and Repair is used for ___.
a. Reducing IR Drop
b. Reducing DRC
c. Reducing EM violations
d. None
- 14) Maximum current density of a metal is available in ___.
a. .lib
b. .v
c. .tf
d. .sdc
- 15) More IR drop is due to ___.
a. Increase in metal width
b. Increase in metal length
c. Decrease in metal length
d. Lot of metal layers
- 16) The minimum height and width a cell can occupy in the design is called as ___.
a. Unit Tile cell
b. Multi heighten cell
c. LVT cell
d. HVT cell
- 17) CRPR stands for ___.
a. Cell Convergence Pessimism Removal
b. Cell Convergence Preset Removal
c. Clock Convergence Pessimism Removal
d. Clock Convergence Preset Removal
- 18) In OCV timing check, for setup time, ___.
a. Max delay is used for launch path and Min delay for capture path
b. Min delay is used for launch path and Max delay for capture path
c. Both Max delay is used for launch and Capture path
d. Both Min delay is used for both Capture and Launch paths
- 19) "Total metal area and(or) perimeter of conducting layer / gate to gate area" is called ___.
a. Utilization
b. Aspect Ratio
c. OCV
d. Antenna Ratio
- 20) The Solution for Antenna effect is ___.
a. Diode insertion
b. Shielding
c. Buffer insertion
d. Double spacing
- 21) To avoid cross talk, the shielded net is usually connected to ___.
a. floating
b. VSS
c. Both VDD and VSS
d. Clock
- 22) If the data is faster than the clock in Reg to Reg path ___ violation may come.
a. Setup
b. Hold
c. Both
d. None
- 23) (重复,删除)
- 24) Which of the following is not present in SDC ___?
a. Max tran
b. Max cap
c. Max fanout
d. Max current density
- 25) Timing sanity check means (with respect to PD)___.
a. Checking timing of routed design with out net delays
b. Checking Timing of placed design with net delays
c. Checking Timing of unplaced design without net delays
d. Checking Timing of routed design with net delays
- 26) Which of the following is having highest priority at final stage (post routed) of the design ___?
a. Setup violation
b. Hold violation
c. Skew
d. None
- 27) Which of the following is best suited for CTS?
a. CLKBUF and CLKINV
b. BUF
c. INV
d. all of them
- 28) In Wire bond chip, Max voltage drop will be there at(with out macros) ___.
a. Left and Right sides
b. Bottom and Top sides
c. Middle
d. None
- 29) Which of the following is preferred while placing macros ___?
a. Macros placed center of the die
b. Macros placed left and right side of die
c. Macros placed bottom and top sides of die
d. Macros placed based on connectivity of the I/O
- 30) Routing congestion can be avoided by ___.
a. placing cells closer
b. Placing cells at corners
c. Distributing cells
d. None
- 31) Pitch of the wire is ___.
a. Min width
b. Min spacing
c. Min width - min spacing
d. Min width + min spacing
- 32) In Physical Design following step is not there ___.
a. Floorplaning
b. Placement
c. Design Synthesis
d. CTS
- 33) In technology file if 7 metals are there then which metals you will use for power?
a. Metal1 and metal2
b. Metal3 and metal4
c. Metal5 and metal6
d. Metal6 and metal7
- 34) If metal6 and metal7 are used for the power in 7 metal layer process design then which metals you will use for clock ?
a. Metal1 and metal2
b. Metal3 and metal4
c. Metal4 and metal5
d. Metal6 and metal7
- 35) In a reg to reg timing path Tclocktoq delay is 0.5ns and TCombo delay is 5ns and Tsetup is 0.5ns then the clock period should be ___.
a. 1ns
b. 3ns
c. 5ns
d. 6ns
- 36) Difference between Clock buff/inverters and normal buff/inverters is __.
a. Clock buff/inverters are faster than normal buff/inverters
b. Clock buff/inverters are slower than normal buff/inverters
c. Clock buff/inverters are having equal rise and fall times with high drive strengths compare to normal buff/inverters
d. Normal buff/inverters are having equal rise and fall times with high drive strengths compare to Clock buff/inverters.
- 37) Which configuration is more preferred during floorplaning ?
a. Double back with flipped rows
b. Double back with non flipped rows
c. With channel spacing between rows and no double back
d. With channel spacing between rows and double back
- 38) What is the effect of high drive strength buffer when added in long net ?
a. Delay on the net increases
b. Capacitance on the net increases
c. Delay on the net decreases
d. Resistance on the net increases.
- 39) Delay of a cell depends on which factors ?
a. Output transition and input load
b. Input transition and Output load
c. Input transition and Output transition
d. Input load and Output Load.
- 40) After the final routing the violations in the design ___.
a. There can be no setup, no hold violations
b. There can be only setup violation but no hold
c. There can be only hold violation not Setup violation
d. There can be both violations.
- 41) Utilization of the chip after placement optimization will be ___.
a. Constant
b. Decrease
c. Increase
d. None of the above
- 42) What is routing congestion in the design?
- Ratio of required routing tracks to available routing tracks
b. Ratio of available routing tracks to required routing tracks
c. Depends on the routing layers available
d. None of the above
答案:
01-05: d c b c b
06-10: d a c d b
11-15: d d b c b
16-20: a c a d a
21-25: b b x d c
26-30: b a c d c
31-35: d c d c d
36-40: c a c b d
41-42: c a
因为有些问题不十分准确,而且涵盖的范围也不全面,并且没有明显的难易层次,不要太在意结果。
一般讲,应该在3~4分钟内完成,
错1~2题,可以算粗心
错3~4题,可能某个基本概念不清
错5~6题,新白领工人
错再多,好好努力吧
@@51、Why double width (multiple vias) and double spacing are used related to clock?
为什么时钟走线使用double width和double space?难度:3
答案:
CLock Net是主要的干扰源,增加他与其他Signal Net的Space可以减少因为耦合引起的Cross talk。
Double Width,(multiple vias)减小了电阻---》减小Delay。提高EM能力,提高可靠性。
double width之后,EM能力提高,可以使用更大驱动的clkbuf和更大的fanout,从而减小时钟树的level
@@52、How do you palce macros in a full chip design?
如何摆放macro (memory,PLL,ADC,DAC,特殊IO等)?
难度:3
这题也有一个坑,place macro可以有2类不同级别的问题,一个是总的摆放方法,另一个是具体每个macro摆放时应该注意的问题,你应该问清楚他感兴趣的是哪个方面?我们这里就同时问这2个方面。
答案:
整体摆放时,应该考虑:
1)PLL,ADC,DAC要按照IO的要求放在边上
2)macro与IO的关系,相同功能的要靠近
3)要根据芯片内部的数据流,按顺序摆放
4)如果是IO limit设计,除PLL/ADC/DAC等与IO相连的macro以外,macro要靠里放。也就是说,把不用的空间留在IO的四周
5)尽量留出比较规整的区域给Std cell
细节部分:
1)共享data/address bus总线的macro,要把data/address pin对其
2)几个很小的macro,可以尽可能地靠近,共用power ring
3)大的macro之间,为走线和buffer要留一定的空间
4)macro 有 pin的一侧,要尽量对其,以减少走线拐弯
@@53、How do you fix the processing antenna problem?
如何修复processing antenna?
难度:1
答案:
1跳线
2 插diode
3. 插buffer
@@54、Which PVT condition will give the most leakage power?
那个PVT corner的leakage power最大?
难度:2
答案:
P: FF corner
V: High voltage
T: High temp.
@@55、In hierarchical design, after finishing block P&R, you will generate ILM (Interface Logic Model). What ILM contains?
在hierarchy P&R流程中,当完成了block的P&R后,会生成ILM,ILM里面都包含什么信息?
难度:3
答案:
ILM里面包含有一下路径
1)input到reg,
2)reg到output,
3)input到output,
4)clock到以上reg
的下列信息,
1)data path
2)clock path
3)SI data
并且支持MMMC方式
@@56、How to fix the EM problem in signal net? how to fix it on power net?
如何修复信号线上的EM违反,如何修复电源线上的?
难度:3
答案:
Signal 上EM:
1. 对EM问题的net设置non default rule,增加绕线宽度
2. 减小这些net的load/fanout, 比如插入buffer tree
power线上的EM:
1.power/ground IO尽量均匀摆放
2.增加power mesh的密度
3.增加power layer的层数
4.局部EM有问题的话,可以降低std cell的密度,尤其是clk buf/inv不要太集中
@@57、What are DFM issues? What is OPC, RET, CMP and Litho physical/electrical analysis?
DFM包含什么?什么是OPC, RET, CMP 和 Litho 物理/电子分析?
难度:3
答案:
后端主要是double via, spead wire width/space, 还有add dummy metal,使metal desity更均匀,
OPC: optical proximity correction
CMP: chemical mechanical planarization
RET: resolution enhancement techniques
@@58、what is ESD? Where you need to insert ESD circuit?
什么是ESD? 在什么地方需要插入ESD 电路?
难度:2
答案:
ESD是指静电放电。带有足够高电荷的电气绝缘的导体在靠近时,会形成有相反电势的集成电路,电荷“跨接”,从而引起静电放电(ESD)。
ESD是指静电泄放。一般在IO 的InPut 加ESD电路,在IC 的测试。封装。运输。使用等过程中可以把静电有效泄放避免对CMOS 栅极的损伤,从而有效地保护IC。
如果不考虑模拟电路的干扰问题,基本上在各个VDD,VSS之间都要加入back-to-back diode的ESD电路
@@59、there are 2 same clock gating cell. The input of clk, output load-A and load-B are 100% same in electronic and physical. There is same X-talk to the instance and nets. Only difference is cntl-A and cntl-B.
Question: is the same path delay from clk to load-A and from clk to load-B? Why?
图示2个相同的clock gating,输入端clk到2个单元完全相同(电气特性和物理特性),输出端load-A和load-B也完全相同,唯一的不同就是cntl-A和 cntl-B。请问,从clk到输出端load-A的延迟,与clk到load-B的延迟是否相同?为什么?

难度:4
答案:
不一样
PrimeTime里面把这个叫做Path Base Analysis (PBA)
与OCV关系不大
@@60、There is a PLL clock with 50ps jitter and 5ps duty cycle variation. In the design, there are both of posedge Flips and negdege flips. How to transfer the jitter and duty cycle variation into timing constraint?
有一个PLL的时钟,jitter是50ps,duty cycle有5ps的漂移。设计中需要同时用到时钟的上升沿和下降沿,如何把那个50ps和5ps写到约束文件里?
难度:4
答案:
做法有2种
1)
对所有关连的时钟,逐一设定如下
set_clock_uncertainty -rise_to 0.05
set_clock_uncertainty -rise_from 0.05
set_clock_uncertainty -fall_to 0.055
set_clock_uncertainty -fall_from 0.055
2)
只对PLL的输出时钟
set_clock_latency -source -fall -early -0.005
set_clock_latency -source -fall -late 0.005
set_clock_uncertainty 0.05
@@61、1) how many timing path?
2)after placement, the worst setup and hold slacks are all 0ns. next building clock tree. Assume the tree is balanced and the insertion delay is 0.2ns in WC, 0.1ns in BC. Then checking timing again. Is there any timing violation? how many and how much violations there is? is it real? how to fix it?
上图是一个block (不是chip),问
1)有多少timing path
2)place之后,假设setup和hold都正好为0ns,然后插入时钟树,树的完全平衡的,WC的时钟树insertion delay是0.2ns,BC的insertion delay是0.1ns,这时做STA,会看到timing violation吗?有多少条violation,各违反了多少ns?他们是真的吗?如何解决?
难度:4
1)这是一道由浅入深的问题,第一问很简单,答错的话,后面就不用问了
答案:4 条timing path
2)
CTS后,是否有违法,违法多少,是中等难度的问题,答对的话,说明有block level P&R的经验
答案:input hold -0.1, output setup 0.2
如何修复违法是有些难度的问题,
简单的回答是
在input delay上加clock insertion delay的值(BC 0.1 WC 0.2),
在output delay上减去clock insertion delay的值(BC 0.1 WC 0.2)
但是当有上千个input和output port时,做起来比较麻烦,
有个非常简单的方法,想到了,就是满分!
设一个虚拟时钟,与clk同频同相,
把所有input,output delay都指定到那个虚拟时钟上,CTS后,只要在虚拟时钟上加上(BC 0.1 WC 0.2)的latency就好了
@@62、The timing report is created in PT format. The design is 0.5um old technology.
Question:
1) Is there clock tree built in the design?
2) what reasons cause the setup violation?
这是一个PT格式的时序报告,使用的是很老旧的工艺,(所以延迟都比较大,不过不影响下面的问题分析)
问题:
1)这个设计里面有时钟树吗?
2)什么原因造成的setup违反?提示:有多个不同的原因
此帖在EDACN上面发表过,感觉是一个比较经典的后端时序分析的问题,留次存照

1) Yes. It finishes CTS.
2) first is clock skew, second is high fanout of U7 , then is long wirelength of net n12.
最后
以上就是辛勤咖啡豆最近收集整理的关于后端题目--陈涛的全部内容,更多相关后端题目--陈涛内容请搜索靠谱客的其他文章。
发表评论 取消回复