前情提要
前面两次分别和大家一起学习了SDC的整体框架组成和clock定义的一部分内容。(如果想要查看可以点击下方蓝色链接),从中可以看出,所有SDC构成中最基本的就是clock的定义,它作为所有SDC的基础,贯穿到几乎所有SDC指令当中。并且一再证明了,Clock正确定义的关键是,约束要符合design,这样才是工具认知跟design行为完全切合的根本条件。今天会继续跟大家一起探讨下clock定义中create_clock和create_generated_clock的不同点以及如果generate clock定义不合理会导致的一些基本问题,最后还会简单的跟大家学习下clock group的定义。
深入浅出SDC - 前序
深入浅出SDC - clock定义(上)
Clock Latency简介
要探讨今天的主题,首先需要跟大家一起学习下clock latency这个基本概念。Clock latency通俗意义上是指clock定义点到clock sink point(时序器件的clock Pin)之间的这段延迟时间。其分为两类,其中一类为,source latency,另外一类是network latency。
source latency :也称作insertion delay,通常是指clock source端到clock定义点之间的这段时间延迟;通常有两种情况,其一:clock 直接来自于芯片外部,如crystal clock,此时,source latency指的是芯片外部crystal出口到芯片PAD(假如clock定义在此处)之间的时间延迟;其二:clock 来自于芯片内部的PLL,此时,source latency指的是芯片内部PLL输出点到芯片内部某个第一个clock定义点之间的这段时间。
network latency:其指的是clock定义点到clock sink point之间的这段时间。
这两种latency是每一个clock的固有属性,当CTS完成之后,每一个clock如果是在propagation状态下,其source latency和network latency都是确定的。当然,在前期(PR之前或者CTS之前),通常情况下clock都处于ideal状态,为了能够模拟真实的情况,我们可以通过指令set_clock_latency去指定每个clock的source latency或者network latency,具体此指令的用法,我们这里不详细解释了,有兴趣,有需要的可以自己去查阅相关资料。
图1 clock latency 示例
create_clock和create_generated_clock的不同点简介
通常定义clock的方式有两种,create_clock和create_generated_clock。再上次有具体介绍过,这两个指令的使用(可参考深入浅出SDC - clock定义(上))。那么他们之间有哪些使用上的区别以及各自都有什么特点呢?大体总结如下:
create_generated_clock能够继承其master clock phase,换句话说:generate clock的边沿(rise or fall)是通过继承master clock得到的。
create_generated_clock能够继承其master clock的source latency。
通常情况下,create_clock的source latency为0.(在不特殊指定的情况下)
每当设置一个create_clock,通常CTS时会构建一个新的clock domain。
Generate clock定义出错引入的clock edge识别出错
在上次,我们通过多个例子,分类说明了,如果generate clock定义不合理,会误导工具做出错误的timing分析的各种情形(可参考深入浅出SDC - clock定义(上))。但是具体工具timing分析会是什么样的呢?

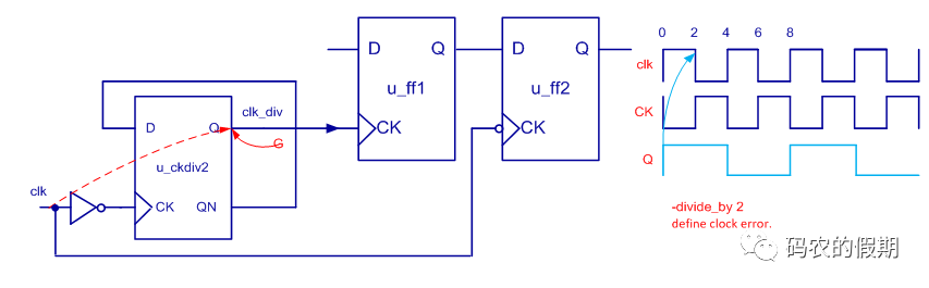
图2 错误的定义generate clock示例
如图2所示,如果直接在u_ckdiv2/Q点上,使用-divide_by 2 –master_clock clk的方式定义generate clock,那么工具认为的Q点的波形会是图2中右图所示的情况。这其实是与实际design的情况不符合的(假如DFF复位状态为0)。这时工具会认为的timing path check情况会如图3所示。从u_ff1/CK到u_ff2/D,整个timing path周期只有半个clk cycle。

图3 错误的generate clock定义
如果我们能够正确的在Q-pin上定义generate clock,那么工具认为的Q-pin的波形会是图4中所示的情形。这时同样的timing path,从u_ff1/CK到u_ff2/D,工具做出的timing 分析会是图4中的情形。

图4 正确的generate clock定义
当然,通过上面这个例子,虽然clock定义不合理,但是错误的clock的定义,单从edge的传播来看,其实是加紧了对design的约束,可能会浪费一些PPA,但是不会让design最终因为timing出错。
Generate clock定义出错引入的latency计算出错
其实,除了上面分析提到的会影响工具正确的判断定义的generate clock的edge之外,还会可能影响到工具错误的计算clock的latency。
如图5中的情形,如果采用图5中(左,中,右)所示的定义方式,由于在mux的Z-pin上已经定义了generate clock gclk1,而在定义generate clock clk_div时,如果其master clock还指向了gclk1前面的一个clock-clk1,那么此时clock其实定义是不合理的。因为从clk_div往前追,看到的第一个clock是gclk1,而clk1被其打断了,其clock属性不能再正确的往后传播。

图5 错误的clock定义
也即上面提到的generate clock可以继承其master clock的source latency这个特性就不能正确的保持了,从而导致工具认为此处定义的generate clock的source latency将从0开始计算。如果此处的generate clock替换为create clock会是怎样的呢?大家可以思考一下。而如果想正确的继承master clock的source latency,那么此处,可以按照图5中右所示的方式定义clock。
Clock Group定义简介
上面提到create clock定义时,会伴随新的clock domain的创建,此时所提到的clock domain即指clock group。当然,clock group并不仅存在于create clock定义时,在generate clock定义时,也可以指定clock group。其主要目的是,人为的告诉工具,我们所定义的所有的clock之间的关系,从而减少工具自动化分析的情形,降低runtime,得到更好的PPA的结果。但是具体clock group怎么划分,是需要按照design架构决定的。我们在此处,先不会深究为什么要区分不同的clock group以及clock group划分的依据(后面其它系列文章中再做分析),而是跟大家详细的解释下定义clock group的方法以及注意点。
如图6所示,定义clock group我们SDC中右一条指令其为set_clock_group,详细的解释在图6中都已经给出,但是个人觉得还是有必要针对-logically_exclusive/-physically_exclusive/-asynchronous这三个option具体的分情况说明一下。

图6 clock group定义
-logically_exclusive/-physically_exclusive/-asynchronous简介
Logically_exclusive : 其含义是指两组clock逻辑上不会同时存在。如图7中第2框图所示,虽然,clk1a/clk1b/clk2/clk3/clk4同时存在于整个design中,但是由于clock mux的select信号是相同的,所以从图中可以看出,S=1,此时前后两个mux分别选通clk2和clk4;如果S=0,则此时两个MUX分别选通clk1a/clk1b和clk3,也就是clk1a/clk1b/clk3和clk2/clk4是逻辑上不会同时存在的。所以他们之间就是logically_exclusive。
Physically_exclusive : 其含义是指两组clock之间物理上不会同时存在。如图7中第1框图所示。第一个clock mux中的clk1a和clk1b,这两个clock是来自于相同的path,同一时间,这两个clock物理上只有一个存在,所以他们便是physically_exlusive。
Asynchronous : 其含义是指两组clock之间功能上异步的。如图7中第3框图所示,clk1和clk2,在功能设计时便是采用的异步方式设计的,即clk2跟clk1之间完全不需要关心相位或者frequency之间的关系,功能上也是正确的,这时候这两个clock便是aysnchronous。当然aysnchronous的前提条件是design功能上要保证正确性。

图7 clock group定义示例
图7中,如果换成第4框图中的定义方式,跟第3框图中的定义方式会有什么异同点?这个大家可以自己思考一下…
敲黑板,划重点
在此再重复一下上次提到的两条基本原则,有助于分析clock定义是否合理。采用create_generated_clock定义的clock,其一:继承的mater clock的edge一定要正确;其二:跟master clock之间的实际通路一定要物理上存在,并且要通。总结起来就是,clock定义要按照实际design来定义,不能想当然,如果在不清楚如何使用option时,可以先手画波形图,然后按照图再去选择option的使用。
今天就跟大家先讨论到此,到现在,基本SDC中的clock定义部分就差不多介绍完了,当然还有clock的一些DRC约束该如何实现?定义完clock之后,其它SDC指令如何使用定义的clock?比如I/O delay约束、uncertainty等,我会在接下来继续跟大家一起学习….
Agenda:
Clock 定义
create_clock
create_generated_clock
set_clock_groups
set_clock_latency
…
I/O delay约束
set_input_delay
set_output_delay
set_max_delay
…
Exceptions 定义
set_multicycle_path
set_false_path
set_case_analysis
set_sense
…
DRC中的clock constraints
set_clock_uncertainty
set_propagated_clock
…
DRC中的基本约束
set_max_transition
set_max_capacitance
set_max_fanout
…
DRC中IO相关约束
set_input_transition
set_load
…

走过路过不要错过
分享转发或点击在看是对笔者最大的鼓励
最后
以上就是年轻过客最近收集整理的关于执行命令定义时出错_深入浅出SDC clock定义(下)| 合理正确的定义clock的全部内容,更多相关执行命令定义时出错_深入浅出SDC内容请搜索靠谱客的其他文章。
发表评论 取消回复