74ls10 3输入三与非门

74ls11 3输入三与门

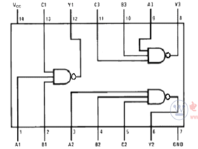
74ls12 3输入三与非门(oc)

74ls13 4输入双与非门(斯密特触发)
![]()

74ls14 六倒相器(斯密特触发)
![]()

74ls15 3输入三与门(oc)
![]()

74ls16 六高压输出反相缓冲器/驱动器(oc,15v)
结构图与74LS14相同,耐高压(15V)
74ls17 六高压输出缓冲器/驱动器(oc,15v)
![]()

74ls18 4输入双与非门(斯密特触发)
引脚图与74LS13相同,低电平带负载能力是74LS13的八分之一
74ls19 六倒相器(斯密特触发)
引脚图与74LS14相同,低电平带负载能力是74LS14的八分之一
最后
以上就是俏皮饼干最近收集整理的关于74LS系列芯片简记——10-19的全部内容,更多相关74LS系列芯片简记——10-19内容请搜索靠谱客的其他文章。
本图文内容来源于网友提供,作为学习参考使用,或来自网络收集整理,版权属于原作者所有。
发表评论 取消回复