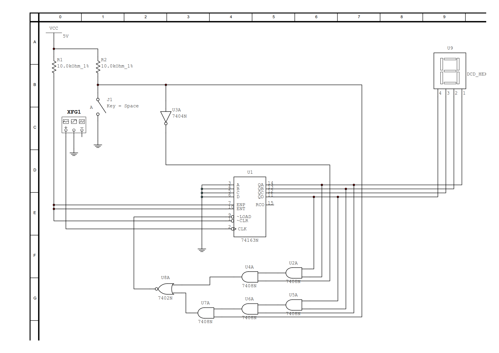
除了设计四个输入引脚, 还可以对LOAD'引脚进行设计以实现可变进制计数器的功能.
下图示电路以LOAD'引脚为主要设计对象, 以实现可变进制计数器的功能.

题: 分析该电路在A=0和A=1时各为几进制计数器.
分析:
LOAD'=(Q3Q0A'+Q3Q1Q0A)'.
A=0时, LOAD'=(Q3Q0)';
A=1时, LOAD'=(Q3Q1Q0)'.
则 A=0时, 电路最大状态为1001; A=1时, 电路最大状态为1011
——A=0时, 电路为10进制计数器; A=1时, 电路为12进制计数器.
最后
以上就是迷人咖啡最近收集整理的关于分析以一片74160为核心部件接成的可变进制(两种进制选择)计数器(直接设计LOAD'引脚)的全部内容,更多相关分析以一片74160为核心部件接成内容请搜索靠谱客的其他文章。
本图文内容来源于网友提供,作为学习参考使用,或来自网络收集整理,版权属于原作者所有。
发表评论 取消回复