我是靠谱客的博主 欢呼诺言,这篇文章主要介绍Matlab-simulink汽车二自由度模型(2022-09-13)汽车二自由度模型简介:汽车二自由度模型推导:Matlab-simulink汽车二自由度模型:1.参数设置:2.模型搭建: 3.数据结果:4.模型文件:,现在分享给大家,希望可以做个参考。
目录
汽车二自由度模型简介
汽车二自由度模型推导
Matlab-simulink汽车二自由度模型
1.参数设置
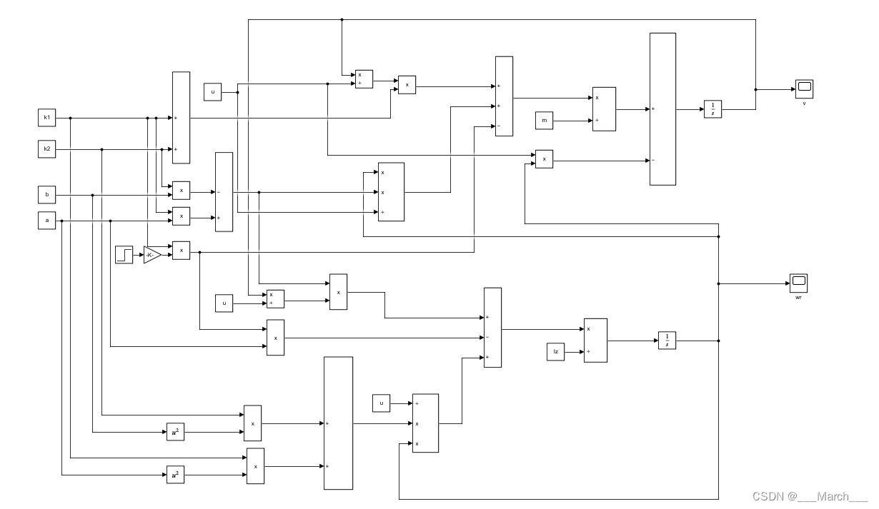
2.模型搭建
3.数据结果
侧向速度
横摆角速度
4.模型文件
汽车二自由度模型简介:
常用的动力学模型有2、3、5、7等自由度,其中二自由度模型虽然最为简单,但是把车辆质心位置、轮胎侧偏特性等影响车辆侧向运动的关键参数进行了定量的描述,是研究汽车操稳特性的基础。所以本文就先谈谈车辆二自由度模型。
二自由度模型忽略了悬架的作用,整车简化为两轮,认为轮胎侧偏特性为线性,并且忽略纵向的驱动或阻力,认为纵向车速不变,最终线性二自由度模型可表示为下图所示。

其中:
—前轮转角,
—质心侧偏角,
—航向角
汽车二自由度模型推导:
二自由度车辆模型中的二自由度指的是车辆的横摆和侧向运动,这里的侧向运动指的是车辆的质心侧偏角或者侧向速度表示。二自由度车辆模型经过推导之后,可表达为下面两个等式:

具体推导过程如下:









Matlab-simulink汽车二自由度模型:
1.参数设置:
m=1500;
a=1.185;
b=1.283;
Iz=2280;
k1=-60533;
k2=-70052;
u=90/3.6;
2.模型搭建:

3.数据结果:
侧向速度:

横摆角速度:

4.模型文件:
Matlab-simulink汽车二自由度模型(2022-09-13)-其它文档类资源-CSDN文库
最后
以上就是欢呼诺言最近收集整理的关于Matlab-simulink汽车二自由度模型(2022-09-13)汽车二自由度模型简介:汽车二自由度模型推导:Matlab-simulink汽车二自由度模型:1.参数设置:2.模型搭建: 3.数据结果:4.模型文件:的全部内容,更多相关Matlab-simulink汽车二自由度模型(2022-09-13)汽车二自由度模型简介:汽车二自由度模型推导:Matlab-simulink汽车二自由度模型:1内容请搜索靠谱客的其他文章。
本图文内容来源于网友提供,作为学习参考使用,或来自网络收集整理,版权属于原作者所有。
发表评论 取消回复