TOP1 射频低噪声放大器电路
射频LNA设计要求:低噪声放大器(LNA)作为射频信号传输链路的第一级,它的噪声系数特性决定了整个射频电路前端的噪声性能,因此作为高性能射频接收电路的第一级LNA的设计必须满足:(1)较高的线性度以抑制干扰和防止灵敏度下降;(2)足够高的增益,使其可以抑制后续级模块的噪声; (3)与输入输出阻抗的匹配,通常为50Ω;(4)尽可能低的功耗,这是无线通信设备的发展趋势所要求的。
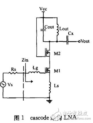
InducTIve-degenerate cascode结构是射频LNA设计中使用比较多的结构之一,因为这种结构能够增加LNA的增益,降低噪声系数,同时增加输入级和输出级之间的隔离度,提高稳定性。InducTIve-degenerate cascode结构在输入级MOS管的栅极和源极分别引入两个电感Lg和Ls,通过选择适当的电感值,使得输入回路在电路的工作频率附近产生谐振,从而抵消掉输入阻抗的虚部。由分析可知应用InducTIve-degenerate cascode结构输入阻抗得到一个50Ω的实部,但是这个实部并不是真正的电阻,因而不会产生噪声,所以很适合作为射频LNA的输入极。
高稳定度的LNA
cascode结构在射频LNA设计中得到广泛应用,但是当工作频率较高时由于不能忽略MOS管的寄生电容Cgd,因而使得整个电路的稳定特性变差。对于单个晶体管可通过在其输入端串联一个小的电阻或在输出端并联一个大的电阻来提高稳定度,但是由于新增加的电阻将使噪声值变坏,因此这一技术不能用于低噪声放大器。

文献对cascode结构提出了改进,在图1的基础上通过在M2管的栅极接上一个小值的电感Lg2就可以实现在增益不变的情况下,提高电路的稳定性,同时在M2管的漏极上接一个小值的电阻以调节电压增益如图2(a)所示。(b)所示的是小信号等效电路,其中Z1代表省略部分的等效阻抗,可以看到由于M2 管的寄生电容Cgd2的值比较小,所以对于输出端阻抗而言,Lg2几乎可以忽略。因为放大器的增益等于输出阻抗和输入阻抗值之比,所以增加 Lg2后并没有影响LNA的增益。
其中ZLoad=jwLout//(jwCout)-1//Rout,Zs是源端电感LS的阻抗。

放大器的稳定系数为[3]

其中Δ= S11S22-S12S21 (6)
稳定系数K能快速给出稳定性判别依据,当K》1,|Δ|《1时,LNA将会无条件稳定。那么由公式(5)和(6)可知,若反向增益S12减小,那么K值将会增大,LNA将会增加稳定性。从图2(b)可以看到,由电感Lg2和MOS管的电容Cgd2组成一个低电阻通路使得从输出端反馈回来的信号流向接地端,从而降低了反向增益S12,提高了LNA的稳定度。
偏置电流复用结构
现代无线通信设备要求具有更小尺寸,更轻重量,更长的待机时间。这就要求降低射频前端的电源电压,因此低电压、低功耗技术成为迫切需要。由公式(3)可知当输入端处于谐振时Ls=RsCgs/gml,其中Cgs是图1中M1管栅极和源极之间的电容,gml是M1管的跨导。图所示的cascode结构可以获得较小的噪声系数,但是往往需要比较大的漏极电流Id,增大了直流功耗。文献 [4]中提出了偏置电流复用技术,其基本思想是:为了节省直流功耗,可以将PMOS管和NMOS管串联在直流偏置通路里,对其结构的说明如图3所示。

图3(a)所示的单个NMOS器件的宽长比和漏极电流Id都是(b)所示的单个NMOS的两倍,但由于两个NMOS并联,因此(a)和 (b)具有相同的跨导值gm。(c)中的M2是PMOS管,且和(b)中的NMOS管具有相同的宽长比,由于PMOS器件的电子迁移率比NMOS稍低 [2],所以gmc=(gml+gm2)m,即其跨导值略低,而它的输入电容和Cgs近似。由(7)式可知(c)电路结构的噪声系数将略增一点,但是由于电流减小了一半,因此在电源电压一定的情况下能够有效降低电路的功耗,有利于低功耗LNA设计。
TOP2 汽车收音机射频电路设计
汽车收音机应用环境的特殊性对电路性能具有更高的要求,而射频电路的设计是实现高性能的关键。本文介绍了TDA7513的射频电路设计方法,根据实际设计经验提出了提高射频电路EMC特性和噪声特性的设计方法和措施,并指出了射频电路性能测试的注意要点。射频电路是收音机电路设计的重点和难点,如果射频电路设计不好,收音机的噪限灵敏度和信噪比以及其它技术指标都会大大下降,甚至只能手动收到很少的几个广播电台,自动搜索电台功能失效。从收音机天线端的广播信号场强来看,信号的动态范围非常大,尤其是汽车收音机所处的环境变化快而大。
收音机射频电路通常很难集成进IC 中,一般由分离元件组成前置低噪声放大器(LNA)和谐振带通滤波器。汽车收音机射频电路的作用从时域上看是要将微弱的广播信号放大,通过自动增益控制电路(AGC)为后级混频器提供稳定的载波信号强度;从频域上看,它要跟踪所选择的电台信号,滤除掉干扰信号如镜像频率(》60dB抑制)和本振频率,改善射频信号质量。
射频电路设计

图1是我们设计的汽车收音机射频电路方框图,它由天线滤波器和射频低噪声放大器以及谐振带通滤波器组成。该款汽车收音机的设计目标是噪限灵敏度为 0dBu(30dB S/N)、音频信噪比64dB、自动搜索灵敏度小于10dBu,具有较强的抗邻频道干扰和其它干扰信号能力,实现MCU全自动调整功能。

图2是汽车收音机TDA7513的FM收音机部分射频前端电原理图。C31、C32、D2(1SV172)、 C44组成调频波段天线信号调节电路,1SV172是VHF~UHF频段天线信号衰减器,它是电流控制型元件,随着电流的增大其阻抗减小。它受控于后级 FM宽带AGC和窄带AGC合成产生的FMAGC电流,起控点为天线信号电平57dBu。L5、C36、V2(KV1410)、C43、R19、C45组成天线带通滤波器,带宽为12MHz左右。该天线滤波器可以人工用无感调批调节射频线圈L5,也可以通过MCU调节变容二极管V2,从而实现自动调整功能。
Q2(3SK126)、C38、R15、R20、C46、R21、C47、C41、R17组成低噪声射频放大器,增益为30dB。本设计中选用N沟道场效应管3SK126作射频放大器具有输入阻抗高、增益高和噪声低的优点,而且是电压控制型器件,设计简单。Q2受控于后级FM宽带 AGC和窄带AGC合成产生的FMAGC电压,起控点为天线信号电平78dBu。T3、C34、V1(KV1410)、C28、C35组成RF谐振带通滤波器,带宽为8MHz左右,T3为FM RF变压器。该带通滤波器同样可以人工用无感调批调节T3,也可以通过MCU自动调节变容二极管V1。接收机的接收极限是由接收机自身噪声性能决定的,所以在收音机的射频电路中要求尽量选用低噪声元件。
高频RFID射频电子电路设计原理分析
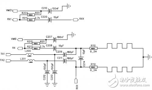
高频RFID频率是13.56MHz的,以最常用的RC500为例,射频输出两个脚TX1,TX2,接收一个脚RX,另外一个是RX的偏置电压 VMID,让RX信号偏置到1/2电源电压位置,保证接收性能最好。TX1和TX2输出13.56MHz的方波,分别通过 L200、C213和L201、C212来实现把方波谐振,升压,同时把其它的谐波去掉,一般建议L200或者L201用定值电感,如1uH或者 2.2uH,这个质量比较重要,我一般采用创易销售的sagami电容,1uH。调节C212和C213(默认可以先用150pF的,之后10pF附近调节),使C212、C213两端电压最大(不用太准),峰峰值能够达到50V,一般建议在30V以上即可,这个视需求定,太高,电流会过大。
电路如下:

C214与天线实现在13.56MHz谐振,天线尽可能面积大一些,比如1平方分米,距离非常好,圈数就1,2圈,若面积比较小,则圈数稍微多一些,比如6平方厘米,那么圈数就要6圈,线圈的中心可以接地,这样是为了提高抗静电能力。调节C214让C214两点峰峰值最大,一般能达到30V以上,注意调试的时候,一定要把最终的环境考虑进取,而不是单独的调试天线,环境包括卡,外壳,金属件等,尤其是卡和金属件,对天线的性能影响很大,可以理解为降低了天线的电感量。当调试好天线的谐振之后,前面的升压谐振有一定的变化,再一次调试一下,通过这样,一般都能调试出比较满意的效果。注意电压不要调的太高,一是耗电过大,二是因为Q值过高,导致频带过窄,接收反而受影响,这个时候适当降低一下电压,三是电容发热过高,一般建议电容用 0805封装的为好。RFID的信号发射是调制在TX输出的13.56MHz载波上,卡从载波上获取能量当作电源,同时根据调制在载波上的信号进行命令的处理,当RC500接收的时候,RC500继续输出载波,卡端通过对天线不停的短路,断路来影响载波的幅度,这个就是出名的载波调制技术,为了让接收灵敏度提高,一般采用副载波负载调试技术,也就是说,卡端先对 13.56MHz/32=423.75K的信号进行调制,之后用423.75KHz再去调制RC500辐射的载波,这个423.75KHz有点类似中频信号,对提高信号的灵敏度有好处。
TOP3 低功耗射频无线数据采集电路
无线传感器网络是由部署在监测区域内大量的廉价微型传感器节点组成的网络。它是由大量的静止或移动的传感器以自组织和多跳的方式构成的无线网络,以协作的方式感知、采集、处理和传输网络覆盖地理区域内被感知对象的信息,并最终把这些信息发送给网络所有者。无线传感器网络主要实现了数据的采集、处理和传输三种功能。传感器网络节点一般受到工作环境的影响,功耗问题是要首先考虑的。考虑到低功耗要求的设计,节点设备的主控MCU选择 CC430F5137,利用它内置的射频通信模块进行射频通信。由于其低功耗的特点可采用电池供电。软件部分利用CC1101的无线唤醒功能,能史好地降低系统功耗。
无线传感器网络中可以挂接多个节点设备,而每个节点设备的地址必须唯一。本文设计的节点设备采用拨码开关来设置每个节点设备的地址,确保每个节点都有一个唯一的地址。通过SPI接口或I2C总线接入传感器器件,可以灵活地接入不同型号的传感器器件,以达到测试不同物理量的要求。节点的系统结构如图1所示。

节点电路总体设计
CC430F5137的供电电压范围为1.8~3.6 V,选程度用两节7号电池来提供3 V的直流电压。配合软件的设置可以最大程度地降低功耗。系统的关键部分是射频发送利用一个射频的天线模块,可以保证射频通信的稳定性,此无线模块由芯片的 RF_N和RF_P两个引脚接入。另外根据射频发送的需要,接入一个26 MHz晶振。CC430F5137的P1.5、P1.6、P1.7引脚可以用于串口通信和SPI通信,使用这三个引脚作为串口调试,另外P1.1、P1.2、P1.3引脚可以用于SPI和I2C总线通信,这三个接口用来预留连接传感器的芯片。系统的主电路图如图2所示。

地址设定电路
为了使每个节点的地址唯一,采用8位的拨码开关SW进行地址设定。如图3所示,可以由拨码开关来设定终端节点的地址,可以设定255个不同的地址,每一个终端节点作为从设备向中继节点发送数据,然后由中继节点发送到用于网络管理的主控MCU,完成无线传感器网络数据的传送。

本文利用TI公司的CC430F5137芯片,采用射频通信技术设计的无线数据采集节点,这种设计可以大大地减小系统的体积。本系统可以采集各种各样的信号,能将采集到的数据安全稳定地传送到中间数据采集点。设计中载波监听功能和信道空闲评估功能改进的射频发送函数,可以有效地提高多个节点同时发送数据时的抗干扰性。
TOP4 跳频电台射频前端电路
随着DSP技术的发展,电子器件制作工艺的提升,A/D、D /A的取样速率越来越高,无线电台中的数字处理不断往射频前端推进,信道可重构的能力不断得到提升,系统可以直接从中频采样,进行数字信号处理。本方案接收机射频前端系统基于软件无线电理 论来设计和实现,以达到建立一个通用化、标准化、模块化的接收机射频前端系统仿真平台的目标。以实现接收机射频前端系统低噪声系数,小的互调失真,大的动 态范围和镜像抑制,良好的AGC,足够的增益和正确的选择性等设计要求。通过对接收机射频前端的设计方案可行性分析和利用射频电路仿真软件ADS进行系统 建模设计与参数仿真,实现接收机射频前端电路设计的系统性能。
射频前端系统方案设计及可行性分析
本接收机射频前端主要任务是对信号进行滤波、混频、 放大的功能,并对系统可能受到的镜像干扰频率、互调干扰频率进行抑制。系统功能模块主要包括滤波器、混频器、放大器及本振等。系统工作频率范围为 100~150MHz,其中每10MHz带宽作为一个信道用于跳频调制,采用超外差二次混频的结构,整个射频前端系统的设计增益为110dB,系统噪声为 3dB。其原理框图如图1所示。由图1可以看出,选频滤波器后的放大器为低噪声放大器(LNA),LNA的噪声系数对整个系统的噪声系数起决定性的作用。 设计时在增益、噪声系数、动态范围、VSWR、稳定性等指标之间进行平衡。第一级混频通过PLL改变第一级本振频率,以接收不同信道的射频信号,经下变频 把接收信号搬移到中频为70MHz、频率带宽为10MHz的频带上。

图1、接收机射频前端原理框图
在此过程中,混频器是一个非线性器件,会引入大量交调分量,使得混频后出现大量的组合干扰频率点,对有用信号造成严重的干扰,直接影响着接收机性能。声表波 中频滤波器针对混频可能出现的镜像频率干扰,进行对中频信号高品质的频率选择性滤波,达到提高镜像频率抑制的设计目标。第二级混频把中频为 65~75MHz的频带信号搬移到10~20MHz,如图2所示(虚线为一次混频镜像频率,灰色为第二次混频镜像频率)。由于其工作频率相对较低,二次混 频后的频带信号经过自动增益控制放大器级联放大产生72dB左右的增益,其高增益也更容易实现、更稳定。

图2、频谱及镜像分析图
射频前端系统建模与性能仿真及分析
运用ADS2008软件对接收机射频前端建模,设置各模块 参数,选频滤波器针对输入射频信号100~150MHz进行滤波。LNA噪声系数3dB,增益24dB,锁相环输出本振信号分别为175、185、 195、205、215MHz。SAW中频滤波器中心频率为70MHz,频率带宽10MHz。一次混频和二次混频后中频放大器分别产生28dB和72dB 增益,如图3所示。

图3、接收机射频前端系统仿真框图
射频前端系统频带选择性仿真
接收机射频前端系统的频带选择性的性能,主要由射频 前端的选频网络所决定。采用传统LC滤波器,通过调节第一级本振的输入频率,改变选频网络的中心频率,设置本振为195MHz,实现对 120~130MHz射频信号的下变频处理。在ADS中搭建第一级混频电路模块的仿真原理图。由图4可以看出,接收机在123MHz处最大增益为 20.827dB,也就是LNA的增益减去滤波器的插入损耗。选频滤波器能很好对240~290MHz镜像干扰信号进行抑制。

图4、选频网络S参数仿真
本文在软件无线电系统理论基础上,对宽带接收机射频前端系统采用超外差式二次混频结构,建立了一个通用化、标准化、模块化的接收机射频前端系统仿真平台。从性能仿真结果可以看出,该方案能够很好地应用在软件无线电射频前端电路中,可以达到设计要求。
TOP5 WLAN射频优化电路
无线局域网(WLAN)是基于IEEE 802.11标准、使用免费的ISM频段射频资源实现的局域网络连接。IEEE 802.11的第一个版本的标准由IEEE在1997年制定,该标准定义了媒体访问控制层和物理层。其中,物理层定义了工作频率为2.4GHz的ISM频 段,总数据传输速率为2Mb/s。
此外,为实现更高的数据吞吐量,2013年WiGig组织并入了WiFi联盟。WiGig致力于推广IEEE 802.11ad标准,该标准采用60GHz频段,提供最高7Gb/s传输速率的短距离无线通信服务。由于60GHz信号无法穿透障碍物,当终端设备进入 WiGig信号无法覆盖的区域时,将自动切换到更低频段,但是传输速率将大幅下降。
表1总结了IEEE 802.11标准演进的历程,从中可以看出WLAN标准的每一次升级和补充,其结果无非就是为了得到传输速率/吞吐量。为了实现这一目标,可以采用以下两 种手段。1、采用更宽的信道带宽。为实现这一目的,有时就需要提高工作频段。因此,WLAN已经从最初的2.4GHz逐步向5GHz过渡,并且已经出现了 60GHz的标准,从而可以利用更宽的频谱资源。2、采用空间复用技术。从IEEE 802.11n开始,MIMO技术被引入WLAN,并且最大空间串流也在IEEE 802.11ac中得到增加。

表1:WLAN物理层标准演进
2010年以来,全球智能手机的 出货量稳步增长。如图1的预计所示,到2017年,全球智能手机每年的出货量将接近16亿部。在智能手机中,由于工艺的差异,手机主芯片通常不会集成 WLAN的射频电路。对于主芯片,WLAN的射频电路属于外围芯片,如图2所示。WLAN标准的不断提升要求WLAN射频电路除了要支持5GHz的 IEEE 802.11ac的需求,也要对IEEE 802.11a/b/g/n作向下兼容支持,此外,还要兼顾到与2.4GHz WLAN标准同频的蓝牙(BT)的共存。

图1:全球智能手机出货量统计

图2:智能手机内部架构
为满足对智能手机WLAN连接标准不断提升的需求,恩智浦半导体即将推出两款集成开关的低噪声放大器芯片(LNA+SW)BGS8324(图3)和BGS8358(图4)。

图3:BGS8324 2.4GHz (IEEE 802.11b/g/n)前端芯片架构

图4:BGS8358 5GHz (IEEE 802.11a/n/ac) 前端芯片架构
BGS8324是工作在2.4GHz频段的WLAN接收前端芯片,支持IEEE 802.11b/g以及IEEE 802.11n的2.4GHz频段,同时兼顾蓝牙的共存。该产品采用2mm×2mm的QFN封装,无需外部匹配器件,具有体积小、功耗低、设计简单等特 点。该芯片支持2.7V到6V的电压,具有接收放大、直通、发射和蓝牙四种模式,并内置对5.8GHz共存信号的防阻塞功能。BGS8358是工作在5GHz频段的WLAN接收前端芯片,支持IEEE 802.11a/ac以及IEEE 802.11n的5GHz频段。该芯片采用1.5mm×1.5mm的QFN封装,同样不需要外部匹配器件,具有体积小、功耗低、设计简单等特点。该芯片支 持2.7V到6V的电压,具有接收放大、直通和发射三种模式,并内置对2.4GHz共存信号的防阻塞功能。
本文回顾了WLAN的物理层标准IEEE 802.11的演进历程,分析了该标准历次修正通过工作带宽的增加以及MIMO技术的运用使得数据吞吐量大幅提高的趋势。考虑到WLAN在智能手机中的广 泛应用,为迎合最新的WLAN标准,恩智浦半导体推出了用于智能手机WLAN射频方案的BGS8324和BGS8358两款产品,以兼容IEEE 802.11a/b/g/n/ac各种标准,同时,还兼顾到2.4GHz频段蓝牙的共存。这两款产品具有体积小、功耗低、设计简单等优点,具有广阔的市场 前景。
TOP6 射频前端功率放大偏置电路
偏置电路:有扫描结果可以得到管子工作点的各项参数。为保证管子始终工作在线性放大区,选择直流工作点为VDS=5V,IDS=0.8A,VGS=-0.4V。 由模拟电子技术的知识可得,偏置电路可有两种形式:自偏压电路和分压式自偏压电路。
自偏压电路比较简单,但是当静态工作点确定之后,VGS与ID就确定了,因而R的选择的范围很小。分压式自偏压电路是在其基础上加接分压电阻后组成的。漏极电源VDD经过分压电阻R5和R1分压后,通过R4供给栅极电压VG=R1*VDD/(R1+R5),同时漏极电流在源极电阻R3上也产生压降 VS=ID*R3,可知静态时加在FET上的栅源电压? 。

图中C1、C2为隔直电容,C3去耦电容,L1、L2为去耦电感。因为在大信号仿真时为了提高电源效率,故选择Vdd的值比较小。R3、R4的值比较小也是为了降低消耗在其上的直流功率,而提高电源的效率。
采用RFID技术的车辆管理系统电路详解
RFID技术在市场上被广泛应用。在国外,射频标签已被广泛应用于工业自动化、商业自动化、交通运输、物流等众多领域。其特有的高准确率和快捷性大大降低了企业的物流成本,提高了企业的市场竞争力和服务效率。本文设计了完整的智能车库控制系统,车库模型总体采用“回”字设计方案,此方案在模型车库中已经通过验证和实际的信息采集,能够满足实际运用。硬件部分以STC公司生产的STC 11F32XE单片机作为控制核心,对系统硬件进行了总体设计,并对硬件系统中各个功能模块的具体设计进行了以下详细介绍。
智能小车的设计,完全按照了国家级机器人竞赛标准,车辆采用直流电源供电,便于系统对电源的管理和尽可能的降低设备的功耗。稳压芯片在电源和控制器以及其他设备之间的连接,既可以使系统电源提供我们所需要的电流电压,又可以有效的保护电源。使用STC 89C58单片机作为模拟车的控制器,能够对车辆运行中的变化做出及时反应,便于模拟人驾驶车辆正在进行前进,停止,后退等进、出车库的操作。综合考虑需求和成本,选用STC 11F32XE单片机微处理器作为控制核心。STC 11F32XE单片机在整个系统中,从读卡模块读取信息,及时处理获取到的信息并将处理结果传回给卡片,完成信息交换。
程序下载模块电路图如图1所示,首先在芯片尚未工作的时候,PC机通过串口(DB9)发送信号给STC 11F32XE芯片,让芯片处于等待下载状态。当给单片机上电的时候,电脑终端和MAX232芯片通过T1OUT0和R1IN0连接,转换电平后,最终通过T1OUT0和R1IN0连接到目标芯片,通过整个电路回路,完成程序的下载。

MAX232芯片在此下载电路中,由1、2、3、4、5、6脚和4只电容产生+12v和-12v两个电源,提供给RS-232 串口电平的需要。由TTL/CMOS数据从T1IN、T2IN输入转换成RS-232数据从T1OUT、T2OUT送到电脑DB9插头;DB9插头的 RS-232数据从R1IN、R2IN输入转换成TTL/CMOS数据后从R1OUT、R2OUT输出,完成电平转换。
射频识别模块
射频识别部分电路如图2所示,磁卡进入天线产生的磁场后,接收解读器发出的射频信号,凭借感应电流所获得的能量通过TX1和 TX2发送出存储在芯片中的产品信息,解读器RC522读取信息并解码后,通过M-MFMOSI、M-MFMISO和M-MFRST送至STC 11F32进行 有关的数据处理。

MF RC522芯片利用其先进的调制和解调概念,在13.56MHz下的被动非接触式通信方式和协议。使其内部发送器部分通过TX1和TX2驱动读写器天线与 ISO 14443A/MIFARE卡的通信。硬件接收器部分提供了一个坚固而有效的解调和解码电路,用于处理ISO14443A兼容的应答信号。与STC 11F32XE通过M-MFMOSI、M-MFMISO和M-MFRST连接中的通信采用连线较少的UART(类似RS232)模式,数据传输速率高达 424kbit/s,有利于减少连线,缩小PCB板体积,降低成本。
TOP7 射频低噪声放大电路
液晶显示模块
显示电路如图3,采用12864液晶屏,使用该点阵的中文字库,显示我们在实际使用场景中的对客户和对自己的同一操作的统一可视化操作。

整个智能车库的设计,全面考虑了实用性和稳定性。对目前大量使用的传统车库和制作的车库模型使用情况进行数据统计和分析,每个停车区在功能和结构上,都采取了独立的设计方案,在实际运用的过程中,可以根据需要,在现有车库模型的基础上,对停车区按实际需求进行增减,以满足停车需要。在程序设计过程中,根据磁卡不同的操作场景,设置成多个工作模式,尽可能的降低程序间的相互影响,达到系统的通用性和无误操作。
从概念上来讲,RFID 类似于条码扫描,对于条码技术而言,它是将已编码的条形码附着于目标物并使用专用的扫描读写器利用光信号将信息由条形磁传送到扫描读写器;而RFID则使用专用的RFID读写器及专门的可附着于目标物的RFID单元,利用RF信号将信息由RFID单元传送至RFID读写器。RFID单元中载有关于目标物的各类相关信息,如:该目标物的名称,目标物运输起始终止地点、中转地点及目标物经过某一地的具体时间等,还可以载入诸如温度等指标。RFID单元,如标签、卡等可灵活附着于从车辆到载货底盘的各类物品RFID技术所使用的电波频率为50KHz-5.8GHz,如图一所示,一个最基本的RFID系统一般包括以下几个部份:
一个载有目标物相关信息的RFID单元(应答机或卡、标签等); 在读写器及RFID单元间传输RF信号的天线; 一个产生RF信号的RF收发器(RF transceiver);一个接收从RFID单元上返回的RF信号并将解码的数据传输到主机系统以供处理的读写器;天线、读写器、收发器及主机可局部或全部集成为一个整体,或集成为少数的部件。不同制造商有各自不同的集成方法。
典型的射频电路
射频电路最主要的应用领域就是无线通信,图1为一个典型的无线通信系统的框图,下面以这个系统为例分析射频电路在整个无线通信系统中的作用。

这是一个无线通信收发机的系统模型,它包含了发射机电路、接收机电路以及通信天线。这个收发机可以应用于个人通信和无线局域网络中。在这个系统中,数字处理部分主要是对数字信号进行处理,包括采样、压缩、编码等;然后通过A/D转换器转换器变成模拟形式进入模拟信号电路单元。
射频电路的组成和特点
下面,将针对图方框图中的低噪声放大器(LNA)讨论一般射频电路的组成和特点。

上图给出了这个放大器的电路板图, 注意到输入信号是通过一个经过匹配滤波网络输入放大模块。放大模块一般采用晶体管的共射极结构,其输入阻抗必须与位于低噪声放大器前面的滤波器的输出阻抗 相匹配,从而保证最佳传输功率和最小反射系数,对于射频电路设计来说,这种匹配是必须的。此外,低噪声放大器的输出阻抗必须与其后端的混频器输入阻抗相匹 配,同样能保证放大器输出的信号能完全、无反射的输入到混频器中去。这些匹配网络是由微带线组成,在有些时候也可能由独立的无源器件组成,但是它们在高频 情况下的电特性与在低频的情况下完全不同。图上还可以看出微带线实际上是一定长度和宽度的敷铜带,与微带线连接的是片状电阻、电容和电感。
射频电路的功率和增益
增益、噪声和非线性是描述射频电路最常用的指标。在射频和微波系统中,由于反射的普遍存在和理想的短路、开路难以获得,低频电路中常用的电压和电流参数的测量变得十分困难,因此,功率的测量得到了广泛的应用。并且,传统的射频和微波电路使用分立元件和传输线构成,电路的输入、输出通常需要匹配到一个系统阻抗(50?或75?)。由于上面两个原因,电路的性能指标,如增益、噪声、非线性等,都可以通过功率表示出来。
TOP8 测试环路滤波器及射频电路
本文以ADF 4153型小数分频频率合成器为例,给出了容易实现的三阶环路滤波器的设计方法,能够满足芯片实际测试的需要。
外接环路滤波器的设计
环路滤波器是电荷泵锁相环电路的重要环节,它连接在电荷泵和压控振荡器之间。锁相环的基本频率特性是由环路滤波器决定的。实际上,正是由于环路滤波器的存在,锁相环才可以选择工作在任意的中心频率和带宽内。环路滤波器的类型多种多样,大致分为有源滤波器和无源滤波器两大类,无源滤波器与有源滤波器相比,其优点在于:结构简单、低噪声、高稳定度和易以实现。
最常见的无源滤波器是如图1所示的三阶滤波器。一般而言,环路滤波器的带宽应为PFD频率(通道间隔)的1/10.提高环路带宽会缩短锁定时间。但环路带宽过大会大幅度地增加不稳定性,从而导致锁相环无法锁定的状态。

图1三阶环路滤波器
环路滤波器设计参数的选择
为了研究环路滤波器对锁相环输出频率相位噪声的影响,设计出符合芯片测试需要的外围环路滤波器。我们在ADIsimPLL软件中进行了如下仿真配置。器件型号:ADF 4153,fPFD=25MHz(理想信号源),INT=69,FRAC=101,MOD=125,VCO采用ZComm公司的V674ME34-LF,在该配置下,预期输出的RFOUT=1.7452GHz.
a)设定环路滤波器带宽为20kHz,相位裕度50°,其相位噪声的仿真情况如图2所示。

图2环路带宽20kHz时的相位噪声仿真图
从图2中可以得知,当环路滤波带宽为20kHz时,VCO所引起的相位噪声占据了主导地位。芯片所引起的相位噪声则被淹没在总输出噪声之下。换句话说,当环路带宽较窄(如20kH)的情况下,针对锁相环输出信号进行相位噪声测试,其结果并不能真正地反映芯片输出的相位噪声。
设定环路滤波器带宽为100kHz,相位裕度50°,其相位噪声的仿真情况如图3所示。

图3环路带宽为100kHz时的相位噪声仿真图
从图3中可以得知,当环路滤波带宽为100kHz时,VCO对于总相位噪声的贡献显著地降低,芯片所引起的相位噪声占据了主导地位,在10kHz以内,总相位噪声输出的曲线基本与芯片所引起的相位噪声重合。由此可以得知,当环路带宽较宽(如 100kHz)的情况下,针对锁相环输出信号进行相位噪声测试,其结果基本能真正反映芯片输出的相位噪声。
本文研究的ADF 4154的主要测试频点为1.7452GHz(fPFD=25MHz,RSET=5.1k),根据测试要求进行综合的考虑,设定了环路带宽75kHz,相位裕度50°的约束条件。在进行ADF 4153的外围电路设计时,首先需要确认所使用的VCO型号及其标称性能。然后再根据ADI公司提供的ADIsim-PLL软件进行三阶环路滤波器的设计。从软件得出C1~C3、R2、R3的具体取值,再根据现有的标称电容电阻值进行调整,反算出实际设计的环路带宽及相位裕度。
由此,我们确定了环路滤波器中各个电容、电阻的取值,并设计了可用于ADF 4153芯片测试的电路原理图,如图4所示。VCO的输出不仅需要连接外部频谱仪进行测试,还需要通过电容反馈到ADF 4153的REFINA端,同时REFINA端还需要预留SMA头用于射频输入频率范围及灵敏度测试。一个简单的电阻网络用于完成VCO输出信号功率的再分配。

图4环路滤波器及射频电路设计
本文主要基于芯片测试目的,针对外围电路中的环路滤波器设计来进行讨论,文中给出了一种简单、易行的工程化计算方法和流程,并对其进行了验证测试,测试结果满足芯片测试的需要。这种方法已经应用于多款小数分频频率合成器的测试电路的设计中。
原文地址:http://www.elecfans.com/article/88/131/189/2015/20150403367393_a.html
最后
以上就是勤劳芹菜最近收集整理的关于射频电子电路设计图集---研读的全部内容,更多相关射频电子电路设计图集---研读内容请搜索靠谱客的其他文章。
发表评论 取消回复