描述
多功能数字时钟主要由显示模块、时钟模块、晶振和复位电路、键盘输入与温度模块组成。图3-1所示为五个主要部分系统组成原理图。

统工作时通过输入模块将点击按钮输入的电信号输入到单片机中,但是由于输入信号繁杂,而且可能同时输入,因此在系统设计的时候需要注意信号的优先级问题。在系统组成方面,由于采用分块设计的方法,这样不仅减小了编程难度、使程序易于理解,而且又能方便的添加各项功能。程序可分为闹铃程序、时间显示程序、日期显示程序,时间调整程序、闹钟调整程序、定时调整程序,闹铃声音程序等。运用此方法,关键在于各模块的兼容和配合,若各模块不匹配会出现意想不到的错误 。
显示模块是多功能数字时钟系统的关键部分,闹铃程序、时间显示程序、日期显示程序,调整程序,都需要在LED液晶屏幕上进行显示,需要根据LED 响应速度快慢特性,选择合适的方案及控制策略,并在输出中考虑优先级的问题
单片机多功能数字时钟设计电路(一)
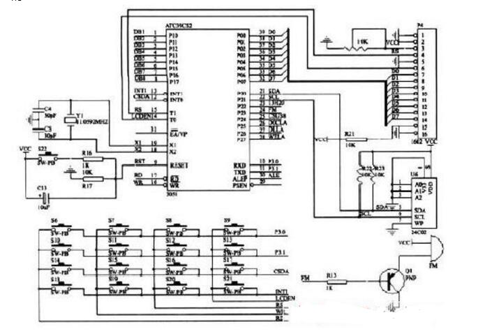
本设计采用AT89S52单片机作为控制器,时间日历计时显示采用LCD数码管,温度与闹铃都可以再LCD上显示出来。如图4-1为系统总电路原理图:

整套系统由显示模块、时钟模块、晶振和复位电路、键盘输入与温度模块组成。
单片机多功能数字时钟设计电路(二)
闹铃功能是可以设置多个闹铃的。闹铃的持续时间为一分钟。可以手动按键关闭闹铃。闹铃电路模块如图所示:

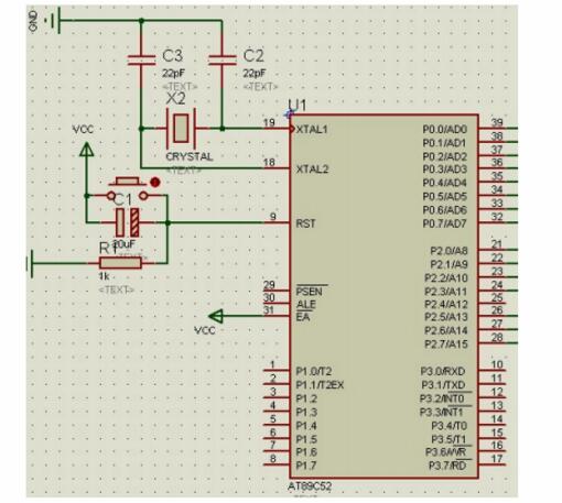
单片机多功能数字时钟设计电路(三)
单片机的最小系统如下图所示,18引脚和19引脚接时钟电路,XTAL1接外部晶振和微调电容的一端,在片内它是振荡器倒相放大器的输入,XTAL2接外部晶振和微调电容的另一端,在片内它是振荡器倒相放大器的输出。第9引脚为复位输入端,接上电容,电阻及开关后够上电复位电路,20引脚为接地端,40引脚为电源端。如下图所示:

单片机多功能数字时钟设计电路(四)

电源部份采用两种输入接口(如上图)。
a)外电源供电,采用2.1电源座,可接入电源DC5V,经单向保护D1接入开关
b)USB供电,USB供电口输入电源也经D1单向保护,送到开关S1。
注:两路电源输入是并连的,因此只选择一路就可以了,以免出问题。
S1为板子工作电源开关,按下后接通电源,提供VCC给板子各功能电路。电路采用两个滤波电容,给板子一个更加稳定的工作电源。LED为电源的指示灯,通电后LED灯
单片机多功能数字时钟设计电路(五)
利用STC89C52单片机的16位定时器做成电子时钟。单片机控制1602液晶器不仅能够准确显示年、月、日、星期、时、分、秒的数值,还能够实现时间校正、闹钟报警、断电自动保护数据的功能

打开APP阅读更多精彩内容
点击阅读全文
最后
以上就是完美汉堡最近收集整理的关于多功能数字钟c语言单片机PPT,单片机多功能数字时钟设计电路大全(五款单片机多功能数字时钟设计电路)...的全部内容,更多相关多功能数字钟c语言单片机PPT,单片机多功能数字时钟设计电路大全(五款单片机多功能数字时钟设计电路)内容请搜索靠谱客的其他文章。
发表评论 取消回复