本文基于STM32F407ZGT6
—————————————
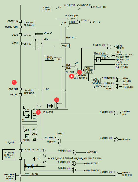
STM32可以使用三种不同的时钟源来驱动系统时钟 (SYSCLK):
● HSI 振荡器时钟
● HSE 振荡器时钟
● 主 PLL (PLL) 时钟
器件具有以下两个次级时钟源:
● 32 kHz 低速内部 RC (LSI RC),该 RC 用于驱动独立看门狗,也可选择提供给 RTC 用
于停机/待机模式下的自动唤醒。
● 32.768 kHz 低速外部晶振(LSE 晶振),用于驱动 RTC 时钟 (RTCCLK)
下图是STM32库函数中系统时钟的启动过程。
PLL时钟来源是外部高速时钟(HSE);
PLL经过倍频达到168MHZ;
最后系统选择采用的是PLL时钟。所以SYSCLK=168MHZ。

在STM32时钟配置过程中主要配置三个寄存器:
- RCC 时钟控制寄存器 (RCC_CR)
RCC寄存器需要配置也非常多,操作频繁,建议直接看源码和中文参考手册。
主要配置的两个寄存器:
- RCC 时钟配置寄存器 (RCC_CFGR)
- RCC PLL 配置寄存器 (RCC_PLLCFGR)
RCC_PLLCFGR如果是使用PLL作为系统时钟该寄存器需要配置(一般都是用PLL作为系统时钟的,这样才能使系统时钟达到168M)
一、关于RCC_CFGR的配置:
在库函数里面关于CFGR主要是设置了HCLK、APB1和APB2的时钟频率,还有通过寄存器后两位选择HSE/HSI/PLL这三个其中一个作为系统时钟。
在void SystemInit(void)函数里面:
将CRR_CFGR寄存器复位
/* Reset CFGR register */
//复位时钟配置寄存器
RCC->CFGR = 0x00000000;
在函数static void SetSysClock(void)函数里面:
1、将HCLK设置为SYSCLK的频率,即HCLK频率为168MHZ
RCC->CFGR |= RCC_CFGR_HPRE_DIV1;
RCC_CFGR_HPRE_DIV1=0x00000000;时钟不分频

2、将APB2设置为系统时钟二分频,即84MHZ
/* PCLK2 = HCLK / 2*/
//将CFGR的15位置1,即PPRE2为100,PCLK2为HCLK二分频
RCC->CFGR |= RCC_CFGR_PPRE2_DIV2;
RCC_CFGR_PPRE2_DIV2=0x00008000;15:13设置为100

3、将APB1设置为四分频,即42MHZ
/* PCLK1 = HCLK / 4*/
//将CFGR的10、12位置1,即PPRE1为101,PCLK1为HCLK四分频
RCC->CFGR |= RCC_CFGR_PPRE1_DIV4;
RCC_CFGR_PPRE1_DIV4=0x0000A000;APB1为AHB四分频,位12:10设置为101。APB1频率为42M。

二、关于PLL_CFGR的配置
在void SystemInit(void)函数里面:
将PLLCFGR复位
/* Reset PLLCFGR register */
//0x24003010是PLLCFGR的默认复位值,中文参考手册有写
RCC->PLLCFGR = 0x24003010;

在函数static void SetSysClock(void)函数里面:
此寄存器用于根据公式配置 PLL 时钟输出:
● f(VCO 时钟) = f(PLL 时钟输入) × (PLLN / PLLM)
● f(PLL 常规时钟输出) = f(VCO 时钟) / PLLP
● f(USB OTG FS, SDIO, RNG 时钟输出) = f(VCO 时钟) / PLLQ
/* Configure the main PLL */
/*这个语句比较复杂,我把它分出来就是把值0x0740 0d88赋值给PLLCFGR
就是把PLLCFGR的第3、7、8、10、12、14、22、24、25、26位置1(0X0740 5408)
第22位置1,选择 HSE 振荡器时钟作为 PLL 和 PLLI2S 时钟输入
其中:PLLQ=7;PLLP=2;PLLN=336;PLLM=8
计算公式:
● f(VCO 时钟) = f(PLL 时钟输入) × (PLLN / PLLM)
● f(PLL 常规时钟输出) = f(VCO 时钟) / PLLP
● f(USB OTG FS, SDIO, RNG 时钟输出) = f(VCO 时钟) / PLLQ
*/
RCC->PLLCFGR = PLL_M | (PLL_N << 6) | (((PLL_P >> 1) -1) << 16) |
(RCC_PLLCFGR_PLLSRC_HSE) | (PLL_Q << 24);
设置PLL为输入时钟
最后,把上述配置好了就可以通过CRR_CFGR寄存器的最后两位把系统时钟改为PLL了,如果想要修改输入时钟为内部高速时钟HSI或者是外部高速时钟HSE,在这一步下手即可。

/* Select the main PLL as system clock source */
//把CFGR的后两位清零,第二位置1,系统时钟由HSE更改为PLL
//如果想改时钟输入在这一步改即可
RCC->CFGR &= (uint32_t)((uint32_t)~(RCC_CFGR_SW));
RCC->CFGR |= RCC_CFGR_SW_PLL;
RCC_CFGR_SW=0x00000003
RCC_CFGR_SW_PLL=0x00000002
本文主要是具体代码剖析,整体讲解可以看:从库函数看STM32时钟启动过程
最后
以上就是失眠航空最近收集整理的关于STM32-时钟启动的两个寄存器(RCC_CFGR)(PLL_CFGR)的配置的全部内容,更多相关STM32-时钟启动内容请搜索靠谱客的其他文章。
发表评论 取消回复