项目场景:
提示:对于FPGA触发器而言,采用异步复位无需增加额外的资源开销。但是异步复位有个致使的缺点:复位信号的释放。
例如:
异步复位:
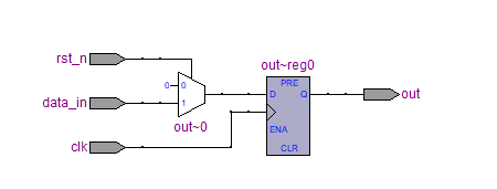
它是指无论时钟沿是否到来,只要复位信号有效,就对系统进行复位。用Verilog描述如下
module rst(
input clk,
input rst_n,
input data_in,
output reg out
);
always @ (posedge clk or negedge rst_n)
if(!rst_n) out <= 1'b0;
else out <= data_in;
endmodule

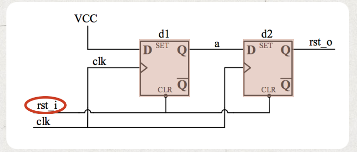
异步复位带来的问题:
如下图所示二级触发器,在正常情况下,一旦复位信号有效,b、c都会清零,但是复位信号的释放时间是不确定的:
如果复位的释放发生在系统时钟的{setup_time,hold_time}之外,那么复位的释放就一切正常;但如果发生在之内,那么时钟信号检测到rst_n就是亚稳态信号,也就不确定是0还是1,此时两个触发器如果对rst_n的值判断不一致(比如b认为是0而继续保持复位而c认为是1释放复位),则系统必然会出问题。两个触发器尚且可能会出现问题,对于较大的系统设计中的千千万万个触发器,其后果会不堪设想。

同步复位:
顾名思义,同步复位就是指复位信号只有在时钟上升沿到来时,才能有效。否则,无法完成对系统的复位工作。。
module rst(
input clk,
input rst_n,
input data_in,
output reg out
);
always @ (posedge clk )
if(!rst_n) out <= 1'b0;
else out <= data_in;
endmodule

异步复位,同步释放:
提示:一般来说,同步系统,都使用异步复位。这是因为同步复位的电路实现,比异步复位的电路实现,要浪费更多电路资源。
未在本模块时钟域做过“异步复位,同步释放”处理的复位信号,提供给本模块做异步复位使用时,都需要做“异步复位,同步释放”处理。常见于系统内两部件不在同一时钟域的情况下。
always @ (posedge clk, negedge rst_async_n)
if (!rst_async_n) begin
rst_s1 <= 1'b0;
rst_s2 <= 1'b0;
end
else begin
rst_s1 <= 1'b1;
rst_s2 <= rst_s1;
end
assign rst_sync_n = rst_s2;
endmodule

总结特点:
各自的优缺点:1、总的来说,同步复位的优点大概有3条:
a、有利于仿真器的仿真。
b、可以使所设计的系统成为100%的同步时序电路,这便大大有利于时序分析,而且综合出来的fmax一般较高。
c、因为他只有在时钟有效电平到来时才有效,所以可以滤除高于时钟频率的毛刺。
他的缺点也有不少,主要有以下几条:
a、复位信号的有效时长必须大于时钟周期,才能真正被系统识别并完成复位任务。同时还要考虑,诸如:clk skew,组合逻辑路径延时,复位延时等因素。
b、由于大多数的逻辑器件的目标库内的DFF都只有异步复位端口,所以,倘若采用同步复位的话,综合器就会在寄存器的数据输入端口插入组合逻辑,这样就会耗费较多的逻辑资源。
2、对于异步复位来说,他的优点也有三条,都是相对应的:
a、大多数目标器件库的dff都有异步复位端口,因此采用异步复位可以节省资源。
b、设计相对简单。
c、异步复位信号识别方便,而且可以很方便的使用FPGA的全局复位端口GSR。
缺点:
a、在复位信号释放(release)的时候容易出现问题。具体就是说:倘若复位释放时恰恰在时钟有效沿附近,就很容易使寄存器输出出现亚稳态,从而导致亚稳态。
b、复位信号容易受到毛刺的影响。
最后
以上就是过时汉堡最近收集整理的关于同步复位,异步复位,异步复位与同步释放项目场景:异步复位:异步复位带来的问题:同步复位:异步复位,同步释放:总结特点:的全部内容,更多相关同步复位,异步复位,异步复位与同步释放项目场景:异步复位:异步复位带来内容请搜索靠谱客的其他文章。
发表评论 取消回复