本期给大家带来的智慧厕所门锁方案,该方案使用涂鸦 Zigbee 模组作为主控,功耗低,效率高,适用于大范围公共场所,同时该模组为普通厕所门锁提供联网功能,支持检测门锁开关合状态并上报至云端。
无论是使用者,或是管理者,都可以通过手机 App 查看厕所使用情况,减少不必要的时间浪费和资源浪费。
01
硬件选型
- 联网模组
考虑到厕所门锁成本以及低功耗,联网模组选用涂鸦智能开发的一款 Zigbee 模组。模组由高集成度的无线射频处理器芯片 Z2 和少量外围器件构成,且内置了 802.15.4 PHY/MAC Zigbee 网络协议栈和丰富的库函数。

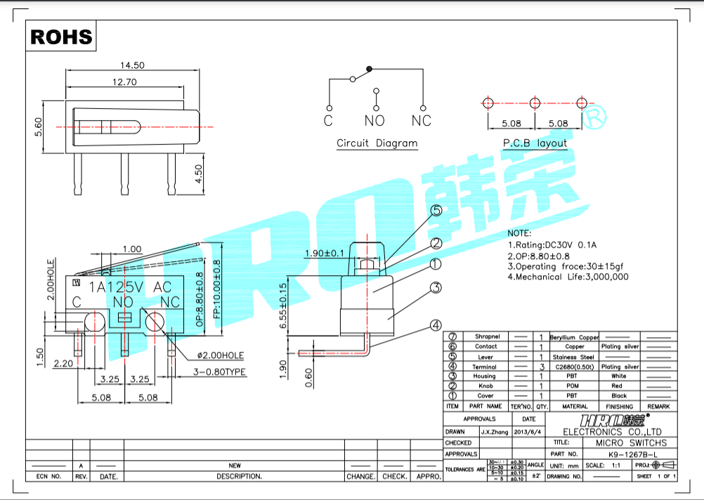
- 状态检测
门开关状态检测采用 K9-1267B-L 行程开关,同时配合扇形结构,来帮助实现开关门状态检测

- 电池选择
可以选择体积小,容量大,电压稳定的纽扣电池 CR2450 来配合厕所门锁小巧的结构。联网模组选用 Zigbee 低功耗方案,一节容量为 500mHA 的纽扣电池,大约可以使用 5 个月。

02
硬件设计
- 硬件方案设计

- PCB设计

03
结构设计
- 改造前:普通开关合状态门锁

- 改造后:增加扇形结构和电池卡扣等设计

戳我查看完整开发资料
04
使用方案展示
1)门锁安装:可根据使用需求安装
2)设置固件:
戳我即可查看完整开发资料
3)配网使用:具体操作方式如下
1、因为Zigbee设备无法直接连接到云端,需要我们先为其准备一个Zigbee网关,首先为网关配网.登录涂鸦智能App,长按网关上的按键,进入配网模式.点击App右上角的“+”;
2、点击手动发现,网关中控>对应型号的Zigbee网关;
3、输入Wi-Fi 名称和密码,等待配网成功;
4、进入主界面,点击Zigbee网关,添加子设备,长按门锁进入配网模式,为门锁进行配网;
5、配网成功。

最后
以上就是感动热狗最近收集整理的关于实现厕所门锁智能化,案使用涂鸦 Zigbee 模组作为主控,功耗低,效率高(内涵原理图)的全部内容,更多相关实现厕所门锁智能化,案使用涂鸦内容请搜索靠谱客的其他文章。
发表评论 取消回复