我是靠谱客的博主 腼腆小甜瓜,这篇文章主要介绍【BC20开发板的NB和GPS的硬件调试】1.0 安装驱动2.0 BC20开发板3.0 接线4.0 指令调试5.0 总结参考文献,现在分享给大家,希望可以做个参考。
【 BC20开发板的NB和GPS的硬件调试】
- 1.0 安装驱动
- 1.1 FT232驱动
- 1.2 CH341驱动
- 2.0 BC20开发板
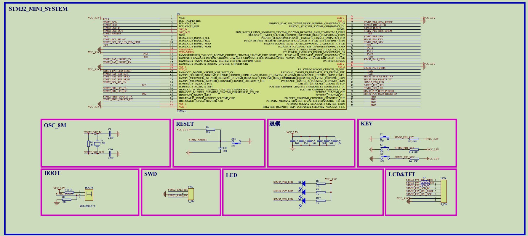
- 2.1 BC20核心板原理图
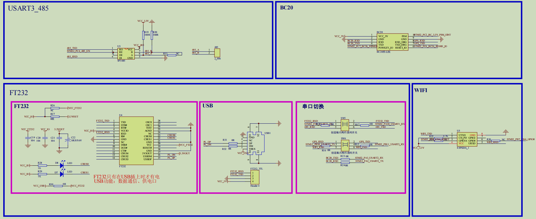
- 2.2 BC20底板原理图
- 3.0 接线
- 4.0 指令调试
- 4.1 NB AT指令调试
- 4.2 GPS AT指令调试
- 5.0 总结
- 参考文献

大家快来看看呀!✨✨✨
1.0 安装驱动
首先大家下载驱动:包含BC20USB驱动,CH341驱动,FT232驱动,ST-LINK官方驱动,万能驱动
1.1 FT232驱动

1.2 CH341驱动

2.0 BC20开发板
- BC20是一款高性能、低功耗、多频段、支持GNSS定位功能的 NB-loT无线通信模块。在设计上兼容移远通
- GSM/GPRS/GNSS系列的MC20模块,方便客户快速、灵活的进行产品设计和升级。BC20提供丰富的外部接和协议栈UDP/TCP/ COAP/LWM2M/MQTT/HTTP等,同时支持移动OneNET云平台/阿里云平台/电信云平台/华为云平台/湖畔云平台,为客户的应用提供极大的便利。
- 支持北斗、GPS、QzSS等多星座卫星系统解调算法,其定位更加精准,抗多路径干扰能力更强,比传统的单 GPS模块具有更多优势。另外,BC20模块中内置LNA和低功耗算法:前者保证更高的灵敏度,后者保证低功耗模式下更低的耗流。
- BC20模块较传统NB-loT+GNSS方案体积减少40%。凭借其紧凑尺寸、超低功耗和超宽工作温度范围,BC20在各种应用中占具更大优势;其主要应用领域为:自行车和摩托车防盗、宠物追踪、金融财产追踪及行车记录仪等等。


2.1 BC20核心板原理图



2.2 BC20底板原理图




3.0 接线
- NB AT指令usb-ttl接到NB-IOT-uart 四根线
- USART1打到485(朝右)

4.0 指令调试
4.1 NB AT指令调试
串口助手见:超级好用的SSCOM3.2串口助手
检查NB AT指令usb-ttl接到NB-IOT-uart 四根线
连接串口1,选择115200波特率,打开串口,助手操作步骤:
- 勾选发送新行
- 发送对应AT命令
- 查看串口显示
AT+CPIN?
//准备读卡,返回READY
AT+CEREG?
//查看注册状态,返回0,1为注册成功
AT+CSQ
//查看信号质量,数字越大信号越好(参考值20)
AT+CIMI
//查看卡号
AT+CGPADDR=1
//查看是否分配IP地址,模块接入基站


4.2 GPS AT指令调试
检查GPS AT指令usb-ttl接到NB-IOT-uart 四根线
连接串口1,选择115200波特率,打开串口,助手操作步骤:
- 勾选发送新行
- 发送对应AT命令
- 查看串口显示
ATI
//读取板载信息
AT+QGNSSC=1
//启动GPS,返回READY
AT+QGNSSC?
//查看启动GPS状态,返回0,1为注册成功
AT+QGNSSDB=1
//查询是否获取到GPS信息
AT+QGNSSRD?
//DUG输出GPS信息
AT+QGNSSRD="NMEA/RMC"
//读取RMC经纬度有用信息

5.0 总结
上文教大家在电脑通过串口助手对BC20开发板进行AT指令的NB和GPS的硬件调试,对比两者各有优势,前者更加保密一些,后者更加简洁。后续会教大家更加奇特的操作,欢迎一键三连????????????
在以后的博文中我们将分享更多生活技巧,美好生活每一天!好好学习天天向上,从而实现对外部世界进行感知,充分认识这个有机与无机的环境,科学地合理地进行创作和发挥效益,然后为人类社会发展贡献一点微薄之力。

参考文献
- 下载驱动:包含BC20USB驱动,CH341驱动,FT232驱动,ST-LINK官方驱动,万能驱动
- 串口助手见:超级好用的SSCOM3.2串口助手
- 视频参考:BC20开发板的NB和GPS的硬件调试
最后
以上就是腼腆小甜瓜最近收集整理的关于【BC20开发板的NB和GPS的硬件调试】1.0 安装驱动2.0 BC20开发板3.0 接线4.0 指令调试5.0 总结参考文献的全部内容,更多相关【BC20开发板的NB和GPS的硬件调试】1.0内容请搜索靠谱客的其他文章。
本图文内容来源于网友提供,作为学习参考使用,或来自网络收集整理,版权属于原作者所有。
发表评论 取消回复