本文章为数电实验整理内容,其电路仿真资料可以在我的资料中自行下载,其包括所说内容全部仿真内容。
一、组合逻辑电路的设计与验证
利用 二输入四与非门74LS00和二输入四异或门74LS86和LED来达到实验效果


74LS00 74LS86
1.1 设计奇数位校验器
要求:判别由三位二进制数组成的含“1”的位数是奇数的一种组合电路,并利用74LS86进行逻辑功能验证。
奇数位校验器真值表:
| 输入 | 输出 | ||
| A | B | C | L |
| 1 | 1 | 1 | 1 |
| 1 | 0 | 1 | 0 |
| 1 | 1 | 0 | 0 |
| 1 | 0 | 0 | 1 |
| 0 | 0 | 1 | 0 |
| 0 | 1 | 0 | 1 |
| 0 | 1 | 1 | 1 |
| 0 | 0 | 0 | 0 |
逻辑函数关系式:![]()
逻辑电路图:

仿真图:(其六个仿真如下,全部仿真和真值表一一对应)





1.2 三人表决器
说明:三人中的1人为主裁判,其余二人为副裁判,即:只有在主裁判通过,并且至少有一名副裁判通过的情况下才算表决通过,请用一片74LS00设计一个电路实现此功能。
3人表决器真值表:
| 输入 | 输出 | ||
| A(主) | B(副) | C(副) | L |
| 0 | 0 | 0 | 0 |
| 0 | 0 | 1 | 0 |
| 0 | 1 | 0 | 0 |
| 0 | 1 | 1 | 0 |
| 1 | 0 | 0 | 0 |
| 1 | 0 | 1 | 1 |
| 1 | 1 | 0 | 1 |
| 1 | 1 | 1 | 1 |
逻辑函数关系式:

逻辑电路图:

仿真电路:(只列出6种,和真值表对应)





1.3 一位数的半加器
要求:请用一片74LS00和一片74LS86设计一个电路实现此功能。
一个1位半加器真值表:
| 输入 | 输出 | ||
| A | B | S(和) | C(进位) |
| 0 | 0 | 0 | 0 |
| 0 | 1 | 1 | 0 |
| 1 | 0 | 1 | 0 |
| 1 | 1 | 0 | 1 |
逻辑函数关系式:


逻辑电路图:

仿真电路:




1.4 2选1数据选择器
请用一片74LS00设计一个电路实现此功能。
2选1数据选择器真值表:
| 输入 | 输出 | ||
| A | D1 | D0 | Y |
| 1 | 1 | 1 | 1 |
| 1 | 1 | 0 | 1 |
| 1 | 0 | 1 | 0 |
| 1 | 0 | 0 | 0 |
| 0 | 1 | 1 | 1 |
| 0 | 1 | 0 | 0 |
| 0 | 0 | 1 | 1 |
| 0 | 0 | 0 | 0 |
逻辑函数关系式:

逻辑电路图:

仿真电路:(只列出前四种情况)



1.5 1位二进制数比较器
要求:用1片74LS86和2片74LS00实现一个1位二进制数比较器。
真值表:

逻辑函数表达式:

逻辑电路图:

仿真电路:




二、时序逻辑电路的分析和设计



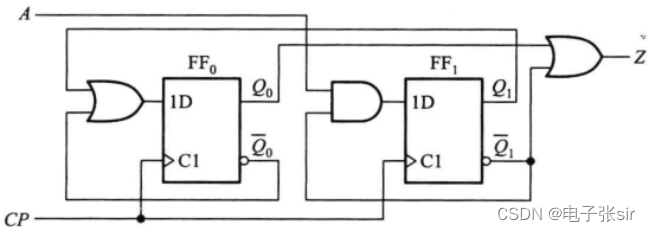
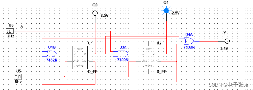
2.1 D触发器同步时序电路

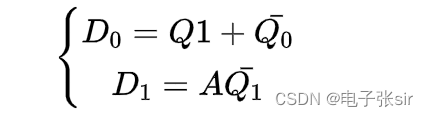
2.1.1 电路的激励方程组:

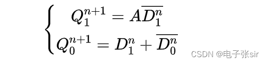
转换方程为:

列出方程:

2.1.2 转换表;

2.1.3 状态图

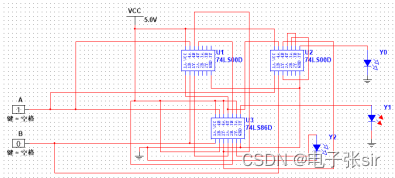
2.1.4 电路仿真

波形从上往下分别为U5,A,Q0,Q1,Y。时序图与分析一致
这里波形初始状态为Q1Q0=11

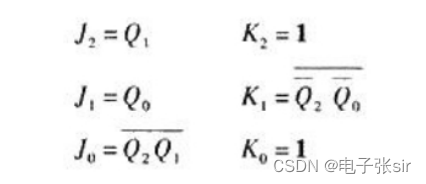
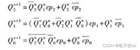
2.2 JK触发器计数器电路

2.2.1 逻辑方程组
激励方程组:

转换方程组:

2.2.2 转换表;

2.2.3 状态图

2.2.4 电路仿真

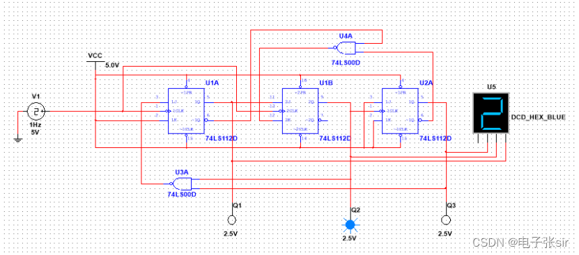
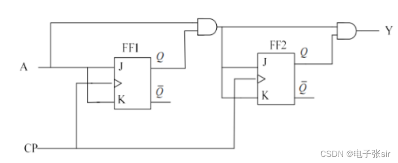
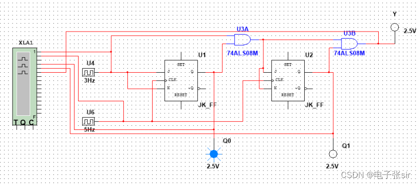
2.3 JK触发器设计同步时序电路
要求:其状态图如下所示,要求电路使用的门电路最少。

需要用到2个JK触发器,输入引脚分别对应J,K2; J,K;输入变量为A,输出为Y。


输出方程:Y=Q2Q1A
激励方程: J2=Q1A ,K2=Q1A ,J1=A,K1=A

电路仿真:


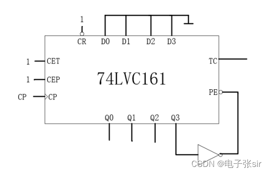
2.4 74LVC161芯片设计计数器
要求:其计数序列以自然二进制数1000~1111顺序循环。
由设计要求可知,74HC161在计数过程中要跳过0000 - 1000九个状态而保留1001 -1111七个状态。因此,可用“反馈置数法"实现:令74HC161的数据输入端D3D2D1D0= 0000,所设计的电路如图所示。



三、 555定时器及其应用

3.1 555定时器构成单稳态触发器

原理分析:
电容C1接到了 7脚Discharge上。在稳定状态下,3脚Output和7脚Dissharge均为低电平,因此电容C1与地(7脚)短接,不会通过R1充电。2脚通过.上拉电阻R2连到高电平上,并通过一 一个接地的开关来产生低电平脉冲。按下开关会导致2脚Trigger接地,产生低电平。由于此时2脚< 1/3 Vcc,因此3脚Output变成高电平,同时7脚Discharge变成高阻态。这会使电容C1不再与地短接,开始通过R1充电。充电时C1两端电压升高,直到电压达到2/3 VCc。6脚Threashold达到2/3 Vcc后,3脚Output变成低电平,同时7脚Discharge也变成低电平, 于是C1不再充电,通过7脚放电。



3.2 555定时器构成多谐振荡器
(1)按图3.2(a)接线。用示波器观察uc1和uo的波形,并测出输出波形的幅值和频率,数据及波形,并与理论值比较。
(2)将图中5脚所接电容开路,改为加入0.5~4.5V的可调电压,观察输出波形的变化,说明原因。


控制电压端(5脚),平时输出2/3VCC作为比较器C1 的参考电平,当5脚外接一个输入电压, 即改变了比较器的参考电平,从而实现对输出的另一种控制,在不接外加电压时,通常接一个0.01μF的电容器接地, 起滤波作用,以消除外来的干扰,以确保参考电平的稳定。
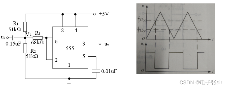
3.3 555定时器构成施密特触发器
按图3.3(a)接线。ui输入f=1kHz,Uim=2V的三角波,用示波器同时观察ui和uo的波形,并记录下来。


最后
以上就是聪明皮卡丘最近收集整理的关于数电实验(组合逻辑电路、时序电路,555定时器)一、组合逻辑电路的设计与验证 二、时序逻辑电路的分析和设计 三、 555定时器及其应用的全部内容,更多相关数电实验(组合逻辑电路、时序电路,555定时器)一、组合逻辑电路的设计与验证 二、时序逻辑电路的分析和设计 三、内容请搜索靠谱客的其他文章。

发表评论 取消回复