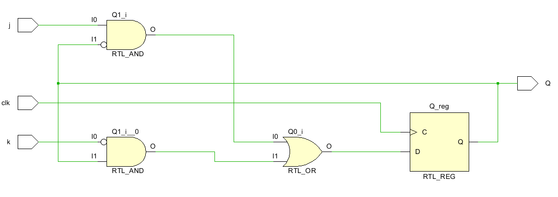
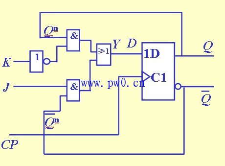
实现电路
代码
module top_module (
input clk,
input j,
input k,
output reg Q);
always @(posedge clk)begin
Q <= (j&(~Q))|(~k&Q);
end
endmodule
综合电路

最后
以上就是酷酷烧鹅最近收集整理的关于D触发器实现JK触发器的全部内容,更多相关D触发器实现JK触发器内容请搜索靠谱客的其他文章。
本图文内容来源于网友提供,作为学习参考使用,或来自网络收集整理,版权属于原作者所有。
发表评论 取消回复